GM Service Manual Online
For 1990-2009 cars only
Makes
🢒
Holden
🢒
2008
🢒
Viva
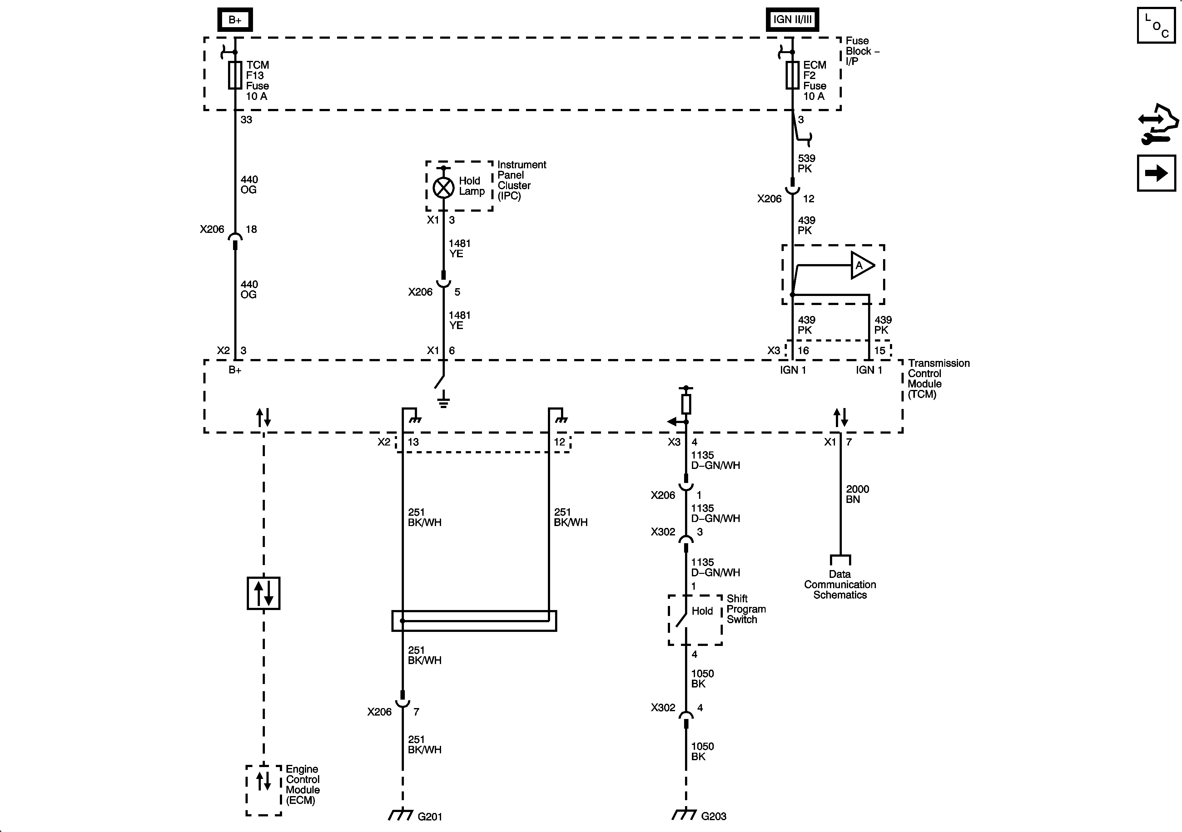
🢒 Power, Ground, Hold Switch, and DLC
Power, Ground, Hold Switch, and DLC
Power, Ground, Hold Switch, and DLC
Master Electrical Component List
Control Module References
Shift and Pressure Control Solenoids
Fuse Block - Underhood B+ Bus, 1 of 3
Fuse Block - Underhood B+ Bus, 1 of 3
Fuse Block - Underhood B+ Bus, 1 of 3
Park/Neutral Position (PNP) Switch
Data Communication
G201 - 1 of 2
G203