GM Service Manual Online
For 1990-2009 cars only
Makes
🢒
Holden
🢒
2008
🢒
Viva
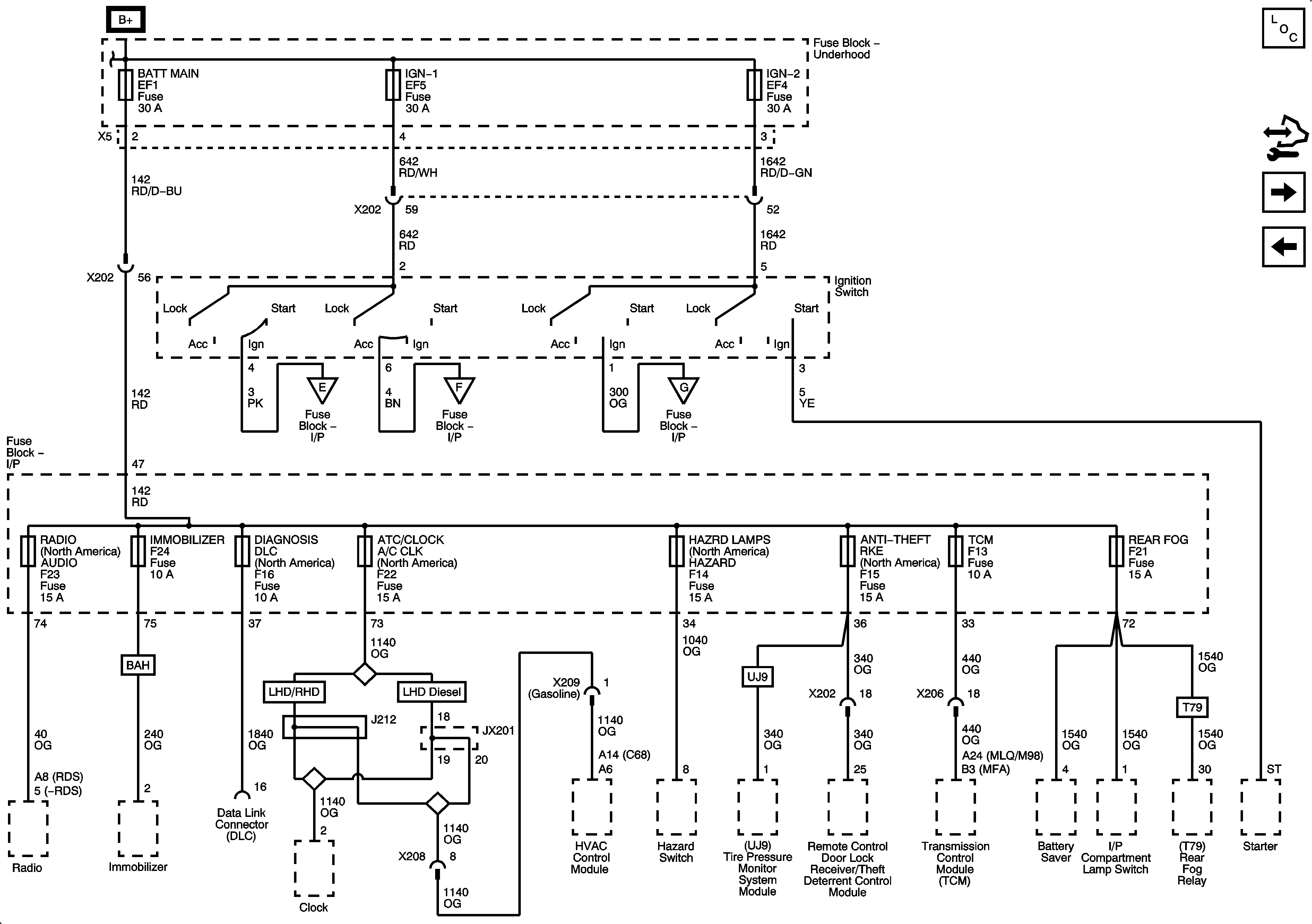
🢒 Fuse Block - Underhood BATT MAIN, IGN 1, IGN 2 Fuses, Ignition Switch, Fuse Block-I/P RADIO, IMMOBILIZER, DLC, A/C CLK, HAZARD, RKE, TCM, REAR FOG Fuses
Fuse Block - Underhood BATT MAIN, IGN 1, IGN 2 Fuses, Ignition Switch, Fuse Block-I/P RADIO, IMMOBILIZER, DLC, A/C CLK, HAZARD, RKE, TCM, REAR FOG Fuses
Fuse Block - Underhood BATT MAIN, IGN 1 and IGN 2 Fuses, Ignition Switch, Fuse Block - I/P RADIO, IMMOBILIZER, DLC, A/C CLK, HAZARD, RKE, TCM, and REAR FOG Fuses
Master Electrical Component List
Control Module References
Fuse Block - I/P CLSTR, AIRBAG, BCK/UP Fuses
Fuse Block - Underhood FUEL PUMP Relay and FUEL PUMP, IGN COIL Fuses
Fuse Block - Underhood B+ Bus, 1 of 3
Fuse Block - I/P CLSTR, AIRBAG, BCK/UP Fuses
Fuse Block - I/P RADIO/CLK, AUX LTR, LTR Fuses
Fuse Block - I/P HVAC and S/ROOF Fuses