GM Service Manual Online
For 1990-2009 cars only
Makes
🢒
Holden
🢒
2008
🢒
Viva
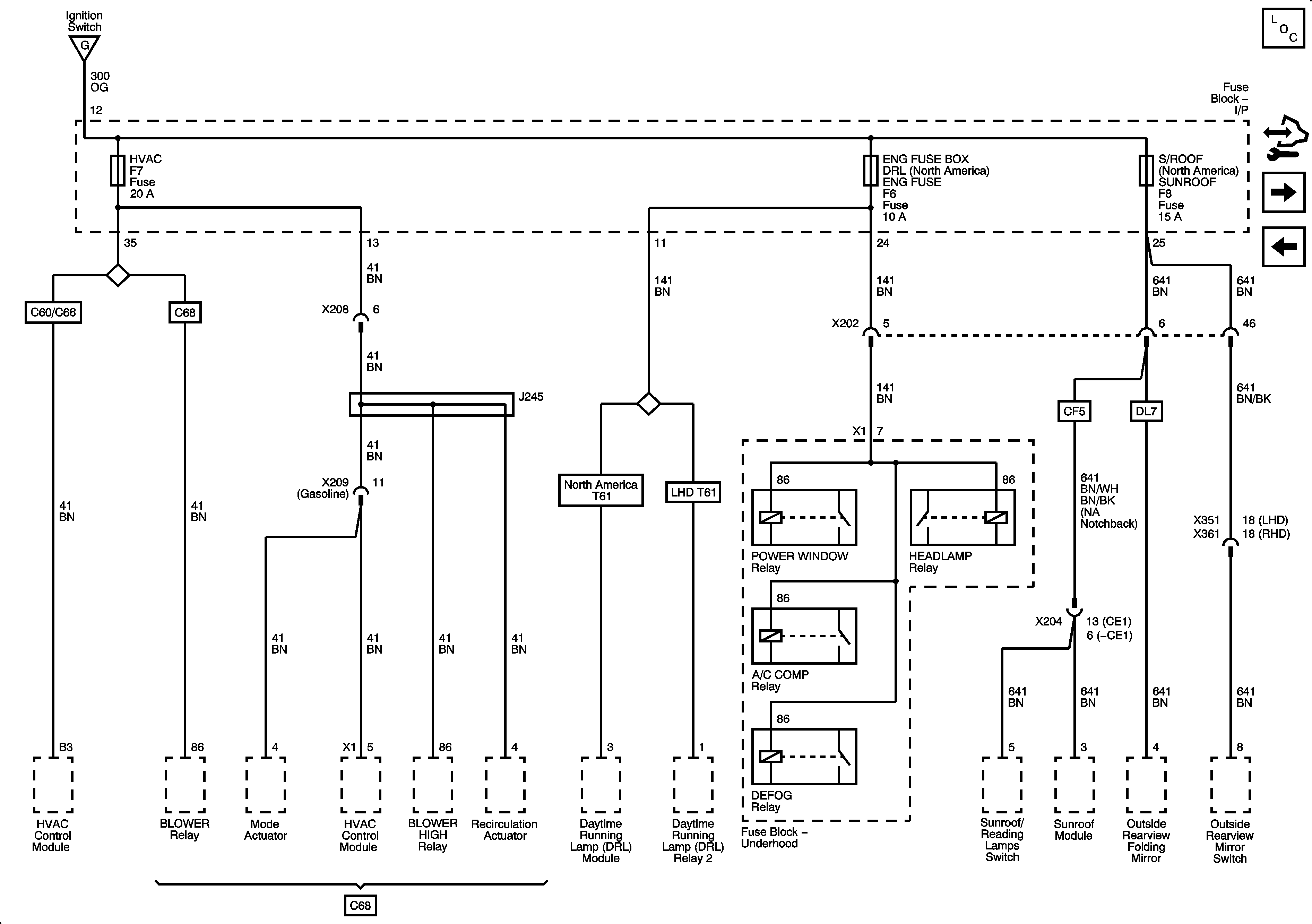
🢒 Fuse Block - I/P HVAC and S/ROOF Fuses
Fuse Block - I/P HVAC and S/ROOF Fuses
Fuse Block - I/P HVAC and S/ROOF Fuses
Master Electrical Component List
Control Module References
Fuse Block - I/P RADIO/CLK, AUX LTR, LTR Fuses
Fuse Block - I/P ECM Fuse
Fuse Block - Underhood BATT MAIN, IGN 1, IGN 2 Fuses, Ignition Switch, Fuse Block-I/P RADIO, IMMOBILIZER, DLC, A/C CLK, HAZARD, RKE, TCM, REAR FOG Fuses