GM Service Manual Online
For 1990-2009 cars only

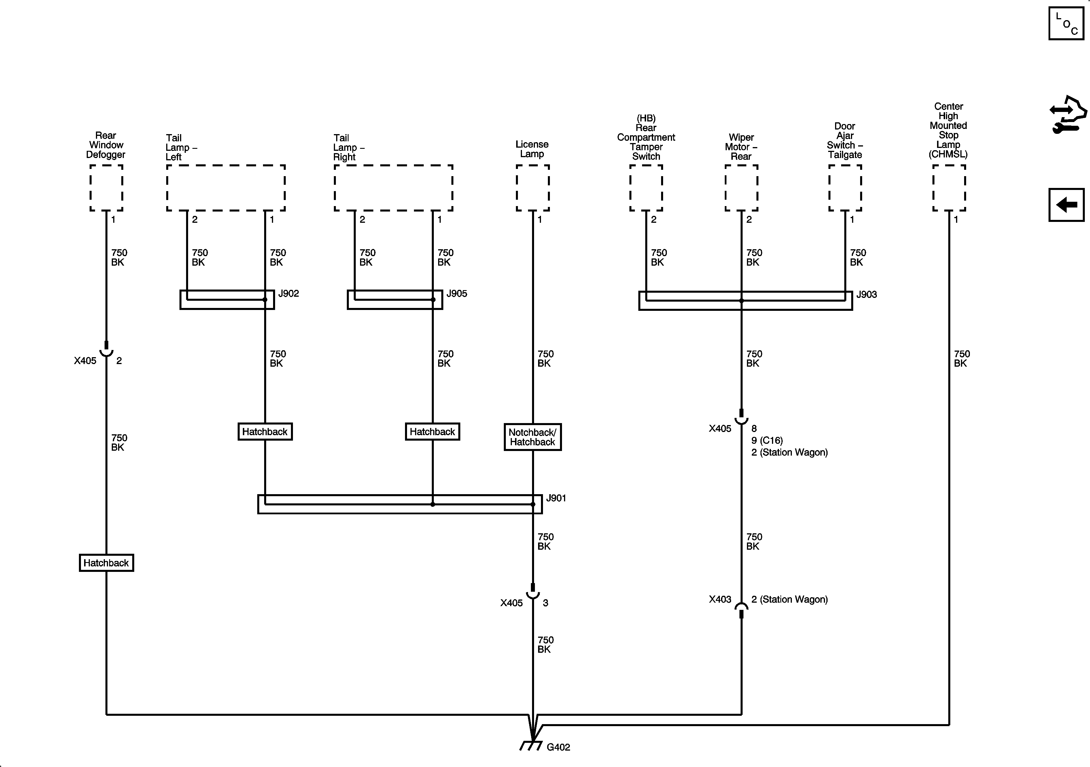
G402

G402


Object Number: 1963603  Size: FS
Master Electrical Component List
Control Module References
G304