GM Service Manual Online
For 1990-2009 cars only
Makes
🢒
Isuzu
🢒
2003
🢒
Ascender - 2WD
🢒
Brakes
🢒
Antilock Brake System
🢒 Antilock Brake System Schematics
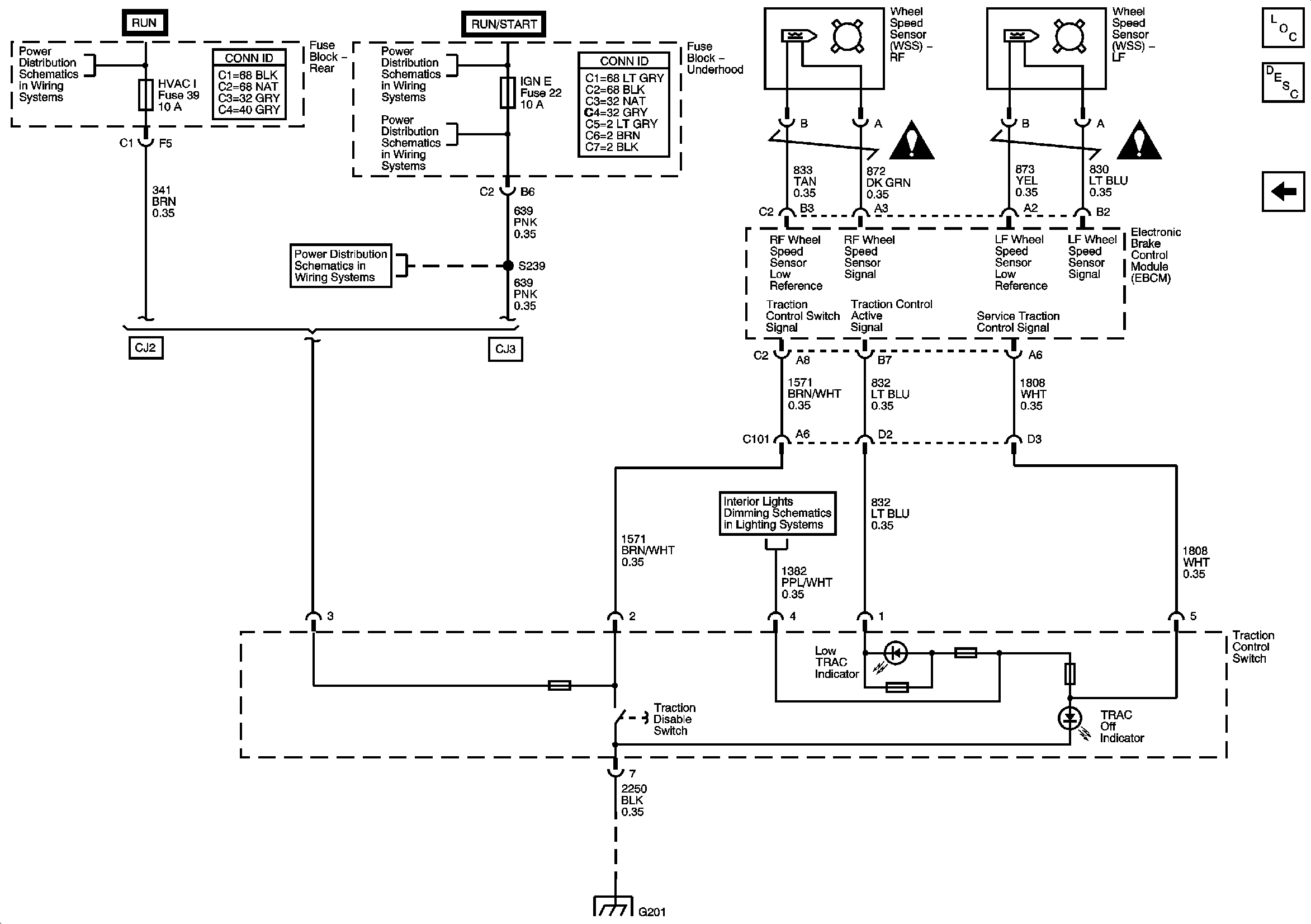
Figure
1:
Electronic Brake Controls
Master Electrical Component List
ABS Description and Operation
Traction Control Switch
Data Link Connector
G302-1 of 2, G303, and G304
IGN E and PCM I Fuses
AUX PWR 2, RRHVAC, AUX PWR 1, TBC 2, TBC 3, TBC 4 Fuses
EBCM and Vehicle Speed Signal
HVAC I, BRAKE and TBC RUN Fuses
Figure
2:
Traction Control Switch
Master Electrical Component List
ABS Description and Operation
Module Power, Ground, Serial Data, Indicator, Torque and Vehicle Speed Signals
G201, 1 of 2
I/P Indicators
HVAC I, BRAKE and TBC RUN Fuses
AUX PWR 2, RRHVAC, AUX PWR 1, TBC 2, TBC 3, TBC 4 Fuses
Antilock Brake System Schematic Icons