GM Service Manual Online
For 1990-2009 cars only
Makes
🢒
Isuzu
🢒
2004
🢒
Ascender - 2WD
🢒
Brakes
🢒
Antilock Brake System
🢒 Antilock Brake System Schematics
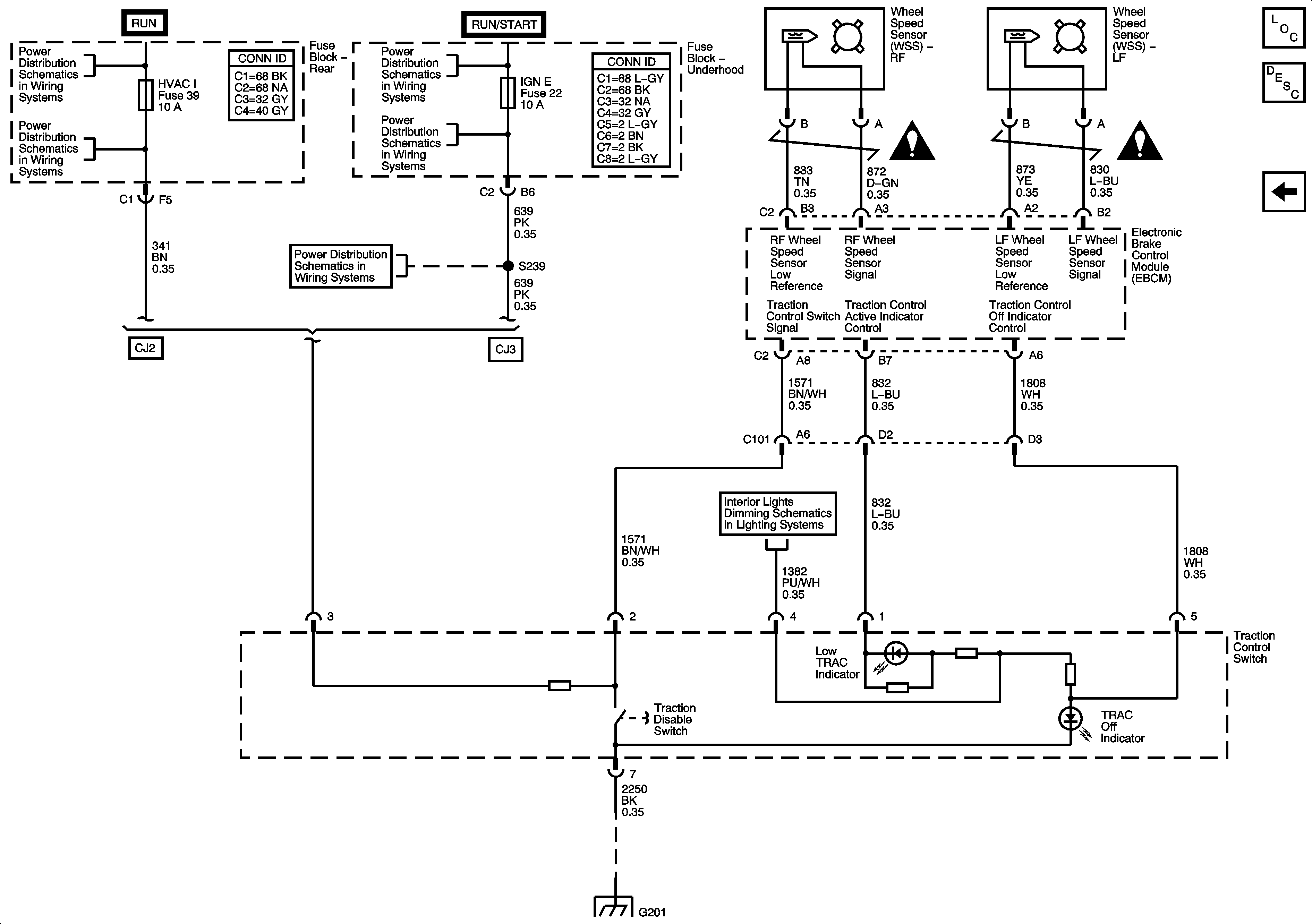
Figure
1:
EBCM Power, Ground, Serial Data, Indicator, and Signal Circuits
Master Electrical Component List
ABS Description and Operation W/O NW7
Wheel Speed Sensors and Traction Control Switch - NW7
B+ Bus - Underhood Fuse Block
ACCY/RUN/START, RUN, and START Bus Bars
ACCY/RUN/START, RUN, and START Bus Bars
IGN E, TBC IGN 1, BACKUP, BTSI, and TRLR B/U Fuses
IGN E, TBC IGN 1, BACKUP, BTSI, and TRLR B/U Fuses
G302 - 1 of 2, G303, and G304
Power, Ground, Data Link Connector, and SP205
Figure
2:
Wheel Speed Sensors and Traction Control Switch - NW7
Master Electrical Component List
ABS Description and Operation W/NW7
EBCM Power, Ground, Serial Data, Indicator, and Signal Circuits
ACCY/RUN/START, RUN, and START Bus Bars
ACCY/RUN and RUN/START Bus Bars
HVAC I, BRAKE, and TBC RUN Fuses
IGN E, TBC IGN 1, BACKUP, BTSI, and TRLR B/U Fuses
Antilock Brake System Schematic Icons
Antilock Brake System Schematic Icons
IGN E, TBC IGN 1, BACKUP, BTSI, and TRLR B/U Fuses
Courtesy Lamp Supply - 1 of 2
G201 - 2 of 2, G305, and G306