GM Service Manual Online
For 1990-2009 cars only
Figure 1:
Object Number: 1350161  Size: FS
Master Electrical Component List
Air Temperature Description and Operation
Compressor Controls
Power, Ground, Data Link Connector, and SP205
ACCY/RUN/START, RUN, and START Bus Bars
B+ Bus - Rear Fuse Block
B+ Bus - Underhood Fuse Block
HVAC I, BRAKE, and TBC RUN Fuses
HVAC I, BRAKE, and TBC RUN Fuses
LGM/DSM, OH BATT/ONSTAR, RADIO, and HVAC B Fuses
G101, G103, G106, and G110
G102
G201 - 1 of 2
Figure 2:

Compressor Controls


Object Number: 1256294  Size: FS
Master Electrical Component List
Air Temperature Description and Operation
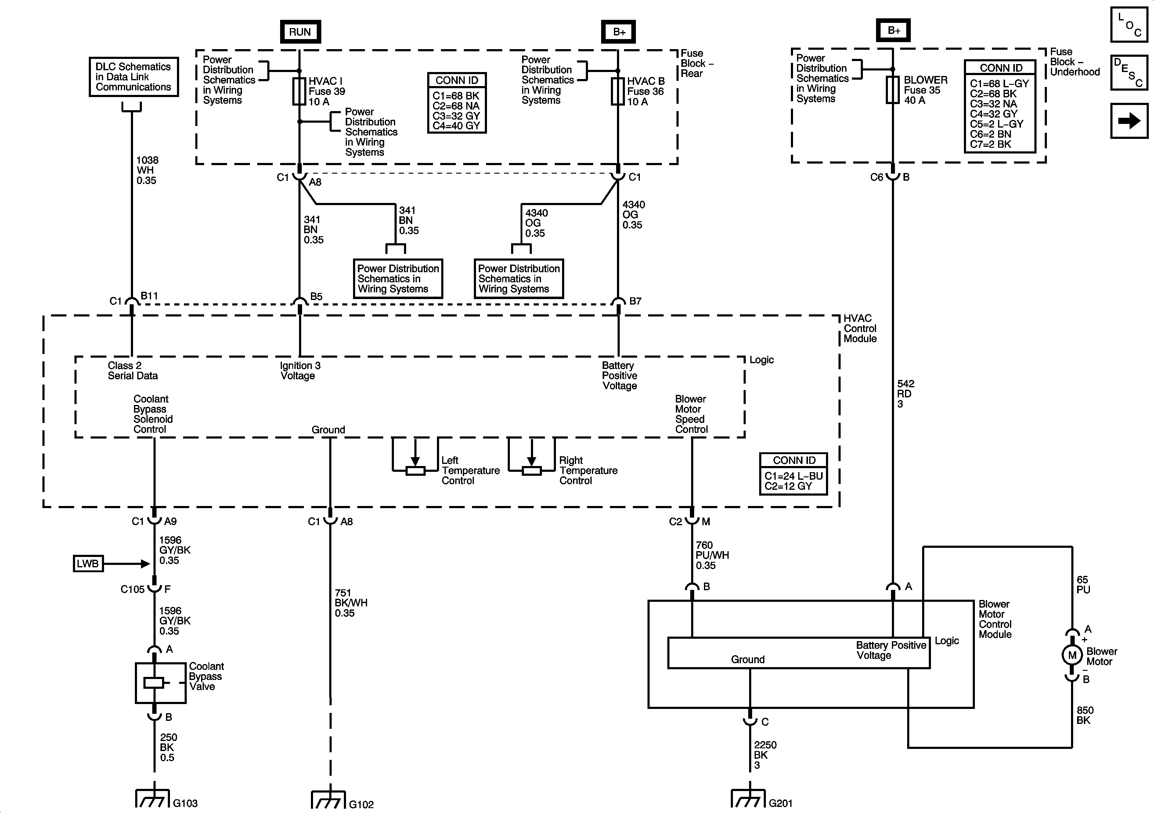
Air Delivery/Temperature Actuators
Module Power, Ground, Serial Data, Blower Motor, and Coolant Bypass Valve
IGN E, TBC IGN 1, BACKUP, BTSI, and TRLR B/U Fuses
ACCY/RUN and RUN/START Bus Bars
B+ Bus - Underhood Fuse Block
Power, Ground, Data Link Connector, and SP205
PCM I and AIR SOL Fuses - 4.2L
G101, G103, G106, and G110
Figure 3:

Air Delivery/Temperature Actuators


Object Number: 1256295  Size: FS
Master Electrical Component List
Air Temperature Description and Operation
Air Temperature Sensors
Compressor Controls
ACCY/RUN/START, RUN, and START Bus Bars
HVAC I, BRAKE, and TBC RUN Fuses
HVAC I, BRAKE, and TBC RUN Fuses
Figure 4:

Air Temperature Sensors


Object Number: 1256298  Size: FS
Master Electrical Component List
Air Temperature Description and Operation
Ambient Light/Sunload Sensors
Air Delivery/Temperature Actuators
G302 - 1 of 2, G303, and G304
Figure 5:

Ambient Light/Sunload Sensor


Object Number: 1256301  Size: FS
Master Electrical Component List
Air Temperature Description and Operation
Rear HVAC w/RSA - Long Wheelbase
Air Temperature Sensors
Figure 6:

Rear HVAC w/RSA - Long Wheelbase


Object Number: 1256309  Size: FS
Master Electrical Component List
Air Temperature Description and Operation
Steering Wheel Controls
Ambient Light/Sunload Sensors
B+ Bus - Rear Fuse Block
LGM/DSM, OH BATT/ONSTAR, RADIO, and HVAC B Fuses
Power, Ground, Data Link Connector, and SP205
G401, G402, and G403
G201 - 1 of 2
Figure 7:

Steering Wheel Controls


Object Number: 1256312  Size: FS
Master Electrical Component List
Air Temperature Description and Operation
Rear HVAC w/RSA - Long Wheelbase
SIR Caution for Zoning
Steering Wheel Controls