GM Service Manual Online
For 1990-2009 cars only
Makes
🢒
Isuzu
🢒
2004
🢒
Ascender - 2WD
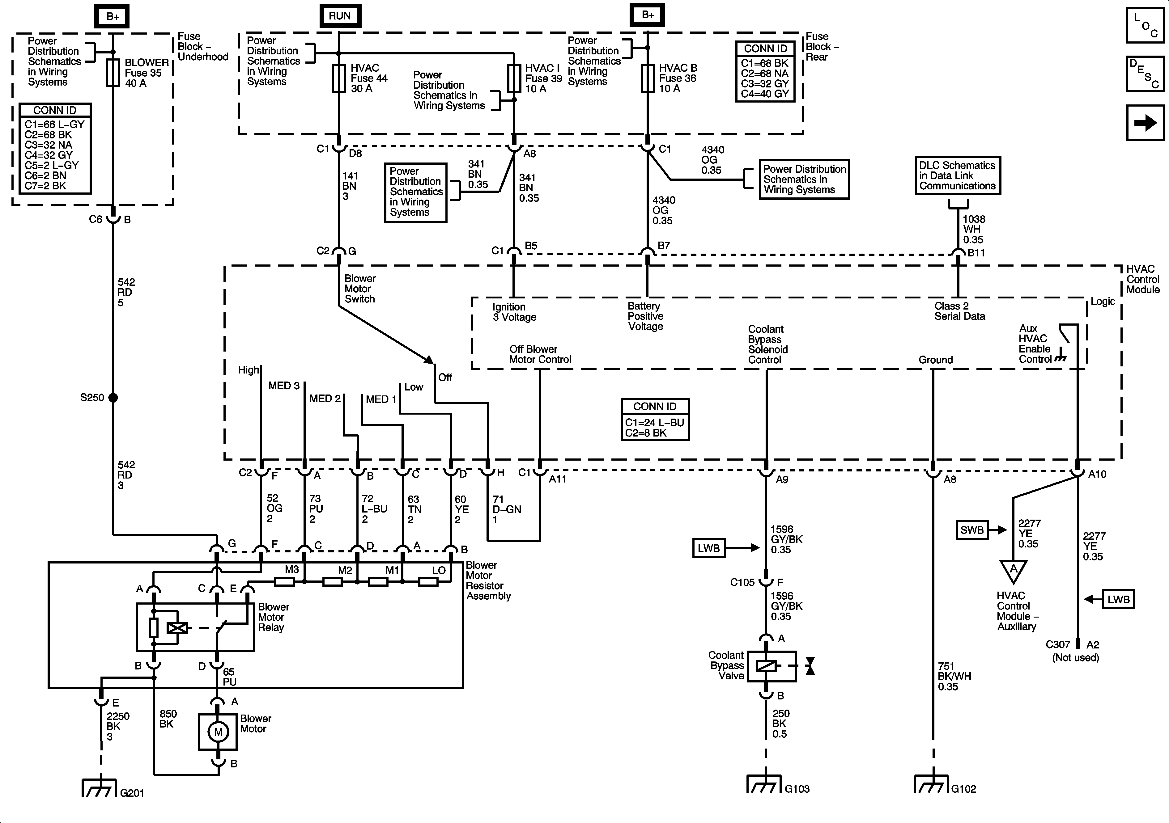
🢒 Module Power, Ground, Serial Data, Blower Motor, and Coolant Bypass Valve
Module Power, Ground, Serial Data, Blower Motor, and Coolant Bypass Valve
Module Power, Ground, Serial Data, Blower Motor, and Coolant Bypass Valve
Master Electrical Component List
Air Temperature Description and Operation
Compressor Controls
B+ Bus - Underhood Fuse Block
ACCY/RUN/START, RUN, and START Bus Bars
B+ Bus - Rear Fuse Block
HVAC I, BRAKE, and TBC RUN Fuses
HVAC I, BRAKE, and TBC RUN Fuses
LGM/DSM, OH BATT/ONSTAR, RADIO, and HVAC B Fuses
Power, Ground, Data Link Connector, and SP205
Rear Mode Controls - Short Wheel Base
G201 - 1 of 2
G101, G103, G106, and G110
G102