GM Service Manual Online
For 1990-2009 cars only
Makes
🢒
Isuzu
🢒
2004
🢒
Ascender - 2WD
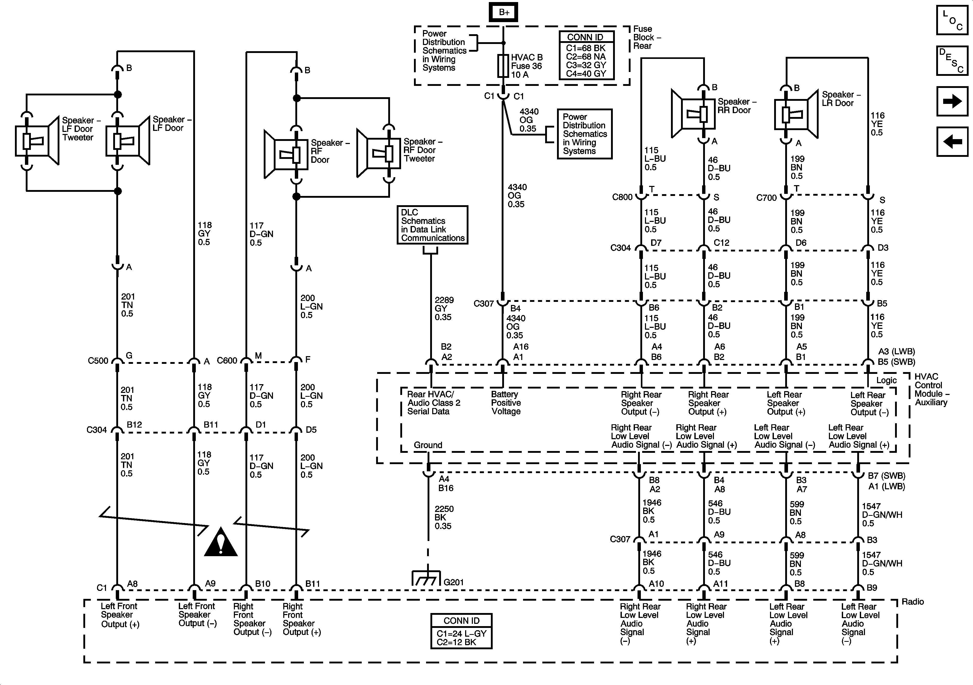
🢒 Base Radio Outputs w/Rear Seat Audio
Base Radio Outputs w/Rear Seat Audio
Base Radio Outputs w/Rear Seat Audio
Master Electrical Component List
Radio/Audio System Description and Operation
Premium Radio Amplifier Inputs
Base Radio Outputs w/o Rear Seat Audio
Entertainment Schematic Icons
B+ Bus - Rear Fuse Block
LGM/DSM, OH BATT/ONSTAR, RADIO, and HVAC B Fuses
Power, Ground, Data Link Connector, and SP205
G201 - 1 of 2