GM Service Manual Online
For 1990-2009 cars only
Makes
🢒
Isuzu
🢒
2004
🢒
Ascender - 2WD
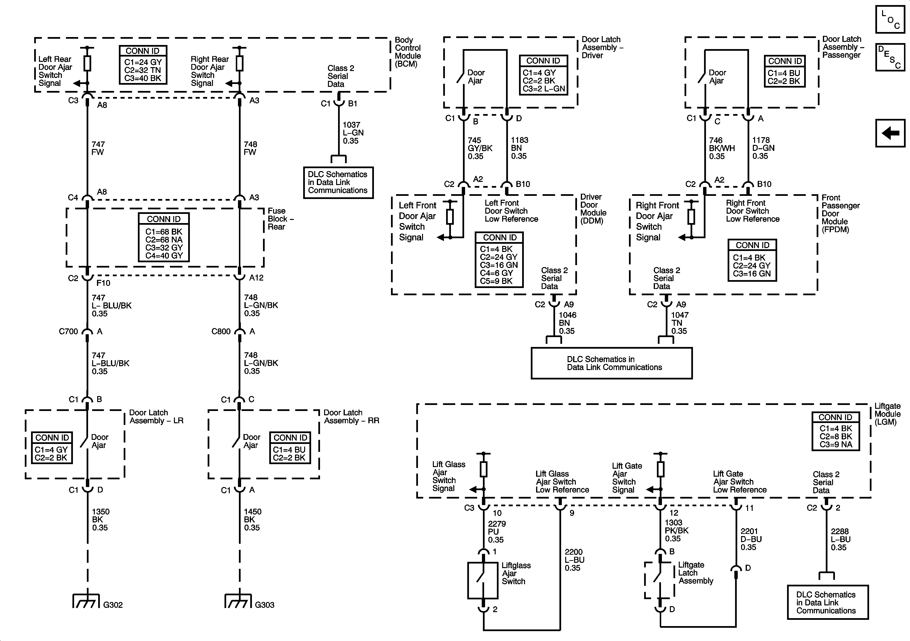
🢒 Door Switch Inputs
Door Switch Inputs
Door Switch Inputs
Master Electrical Component List
Interior Lighting Systems Description and Operation
Interior Lamps - Long Wheelbase (LWB)
Power, Ground, Data Link Connector, and SP205
SP306
G201 - 2 of 2, G305, and G306
G302 - 1 of 2, G303, and G304
SP306