GM Service Manual Online
For 1990-2009 cars only
Makes
🢒
Isuzu
🢒
2004
🢒
Ascender - 2WD
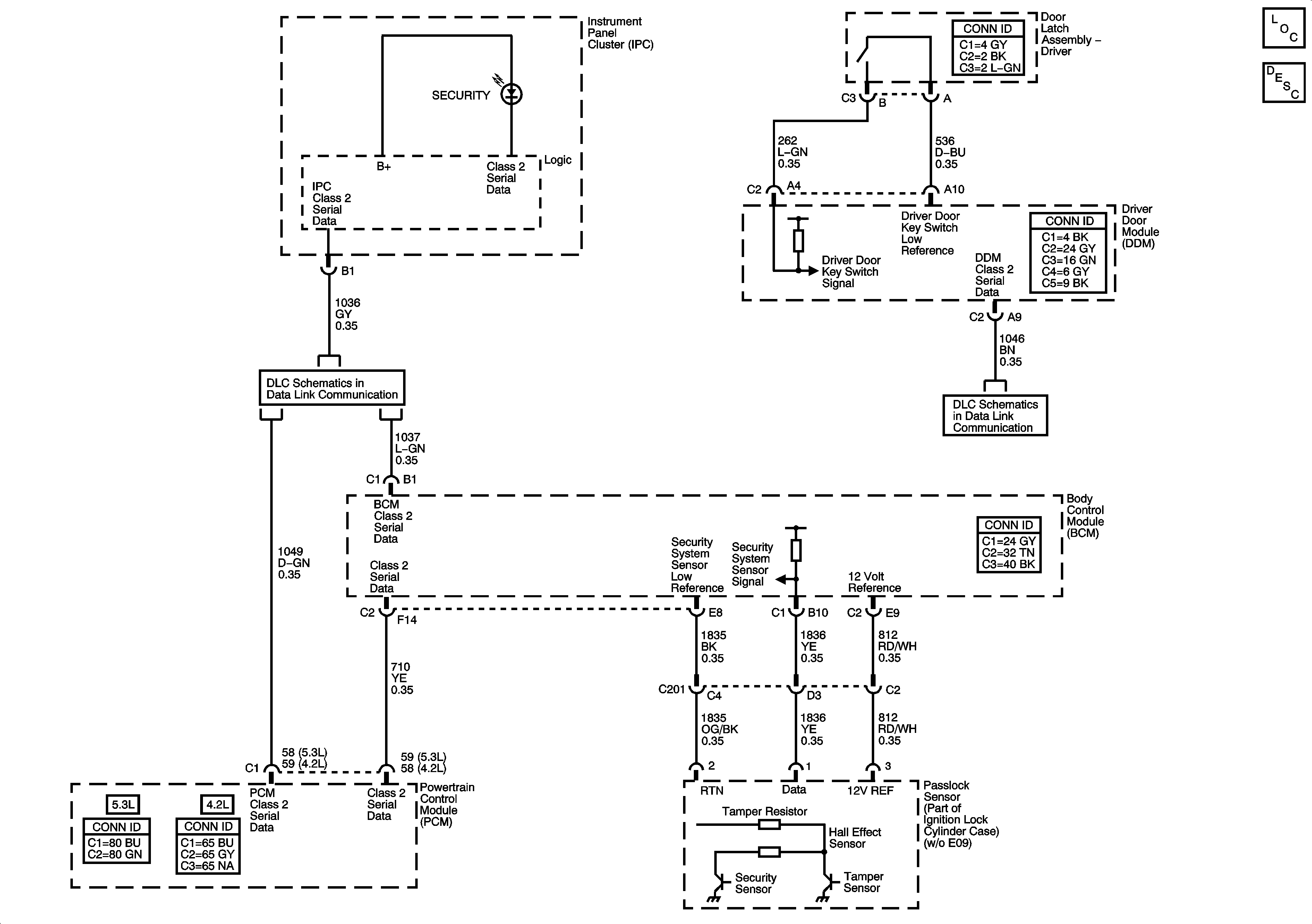
🢒 Theft Deterrent System Schematics
Theft Deterrent System Schematics
Master Electrical Component List
Theft Systems Description and Operation
Power, Ground, Data Link Connector, and SP205
SP306