GM Service Manual Online
For 1990-2009 cars only
Makes
🢒
Isuzu
🢒
2004
🢒
Ascender - 2WD
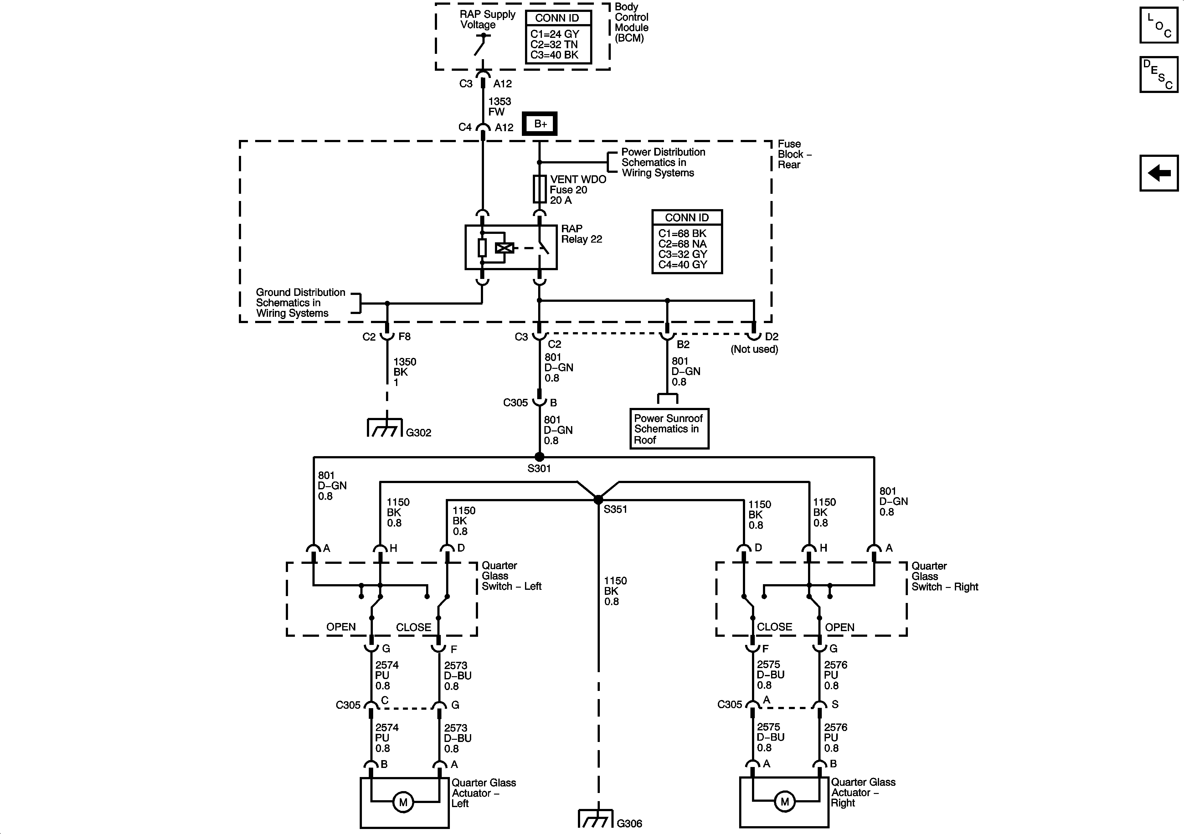
🢒 Quarter Glass Windows
Quarter Glass Windows
Quarter Glass Windows
Master Electrical Component List
Rear Quarter Window Description and Operation
Liftgate
B+ Bus - Rear Fuse Block
G302 - 2 of 2
G302 - 1 of 2, G303, and G304
04 S/T Isuzu Power Sunroof Schematics
G201 - 2 of 2, G305, and G306