GM Service Manual Online
For 1990-2009 cars only
Makes
🢒
Isuzu
🢒
2003
🢒
Ascender - 4WD
🢒
Driveline/Axle
🢒
Transfer Case - NVG 226-NP8
🢒 Transfer Case Control Schematics
Figure
1:
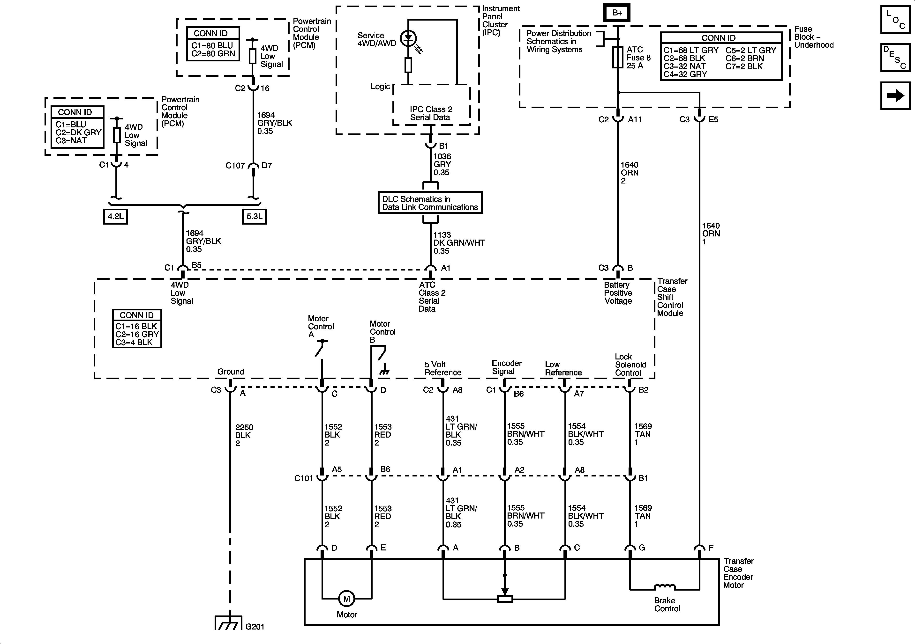
Power, Ground, Serial Data and Transfer Case Encoder Motor
Master Electrical Component List
Transfer Case Circuit Description
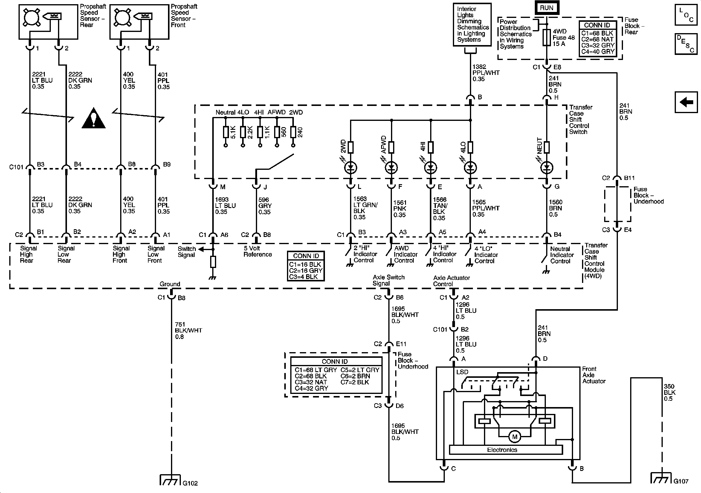
Indicators, Speed Sensors, and Front Axle Actuator
G201, 1 of 2
Data Link Connector
IGN E and PCM I Fuses
Figure
2:
Indicators, Speed Sensors, and Front Axle Actuator
Master Electrical Component List
Transfer Case Circuit Description
Transfer Case Shift Control Module, Encoder Motor
G102, G104, G105, and G107
G102, G104, G105, and G107
AMP, SUNROOF, VENT WDO, REAR WIPER, LGM 2, SEATS, LR/RR LOCKS Fuses Fuses