GM Service Manual Online
For 1990-2009 cars only
Figure 1:

Module Power, Ground, Serial Data and Blower Motor


Object Number: 1056816  Size: FS
Master Electrical Component List
Air Delivery Description and Operation
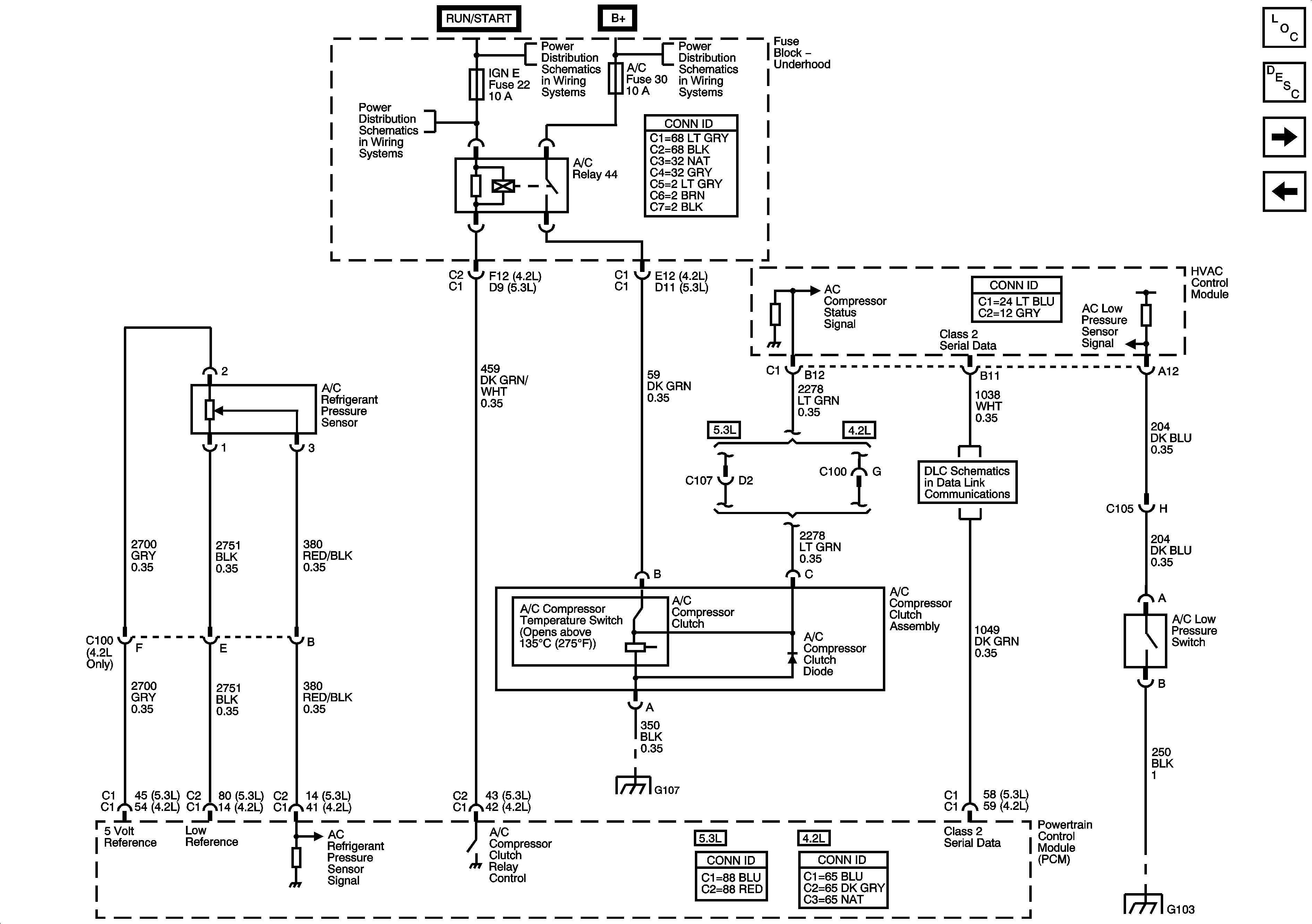
Compressor Controls and A/C Sensors
G101, G103, G106, and G110
G102, G104, G105, and G107
G201, 1 of 2
Data Link Communication
AMP, SUNROOF, VENT WDO, REAR WIPER, LGM 2, SEATS, LR/RR LOCKS Fuses Fuses
HVAC I, BRAKE and TBC RUN Fuses
HVAC I, BRAKE and TBC RUN Fuses
FLASHER, VEHICLE CHMSL, VEHICLE STOP TRLl L TURN, TRL R TURN, LEFT TURN, RIGHT TURN Fuses
FLASHER, VEHICLE CHMSL, VEHICLE STOP TRLl L TURN, TRL R TURN, LEFT TURN, RIGHT TURN Fuses
IGN E and PCM I Fuses
Figure 2:

A/C Sensors and Compressor Controls


Object Number: 899306  Size: FS
Master Electrical Component List
Air Delivery Description and Operation
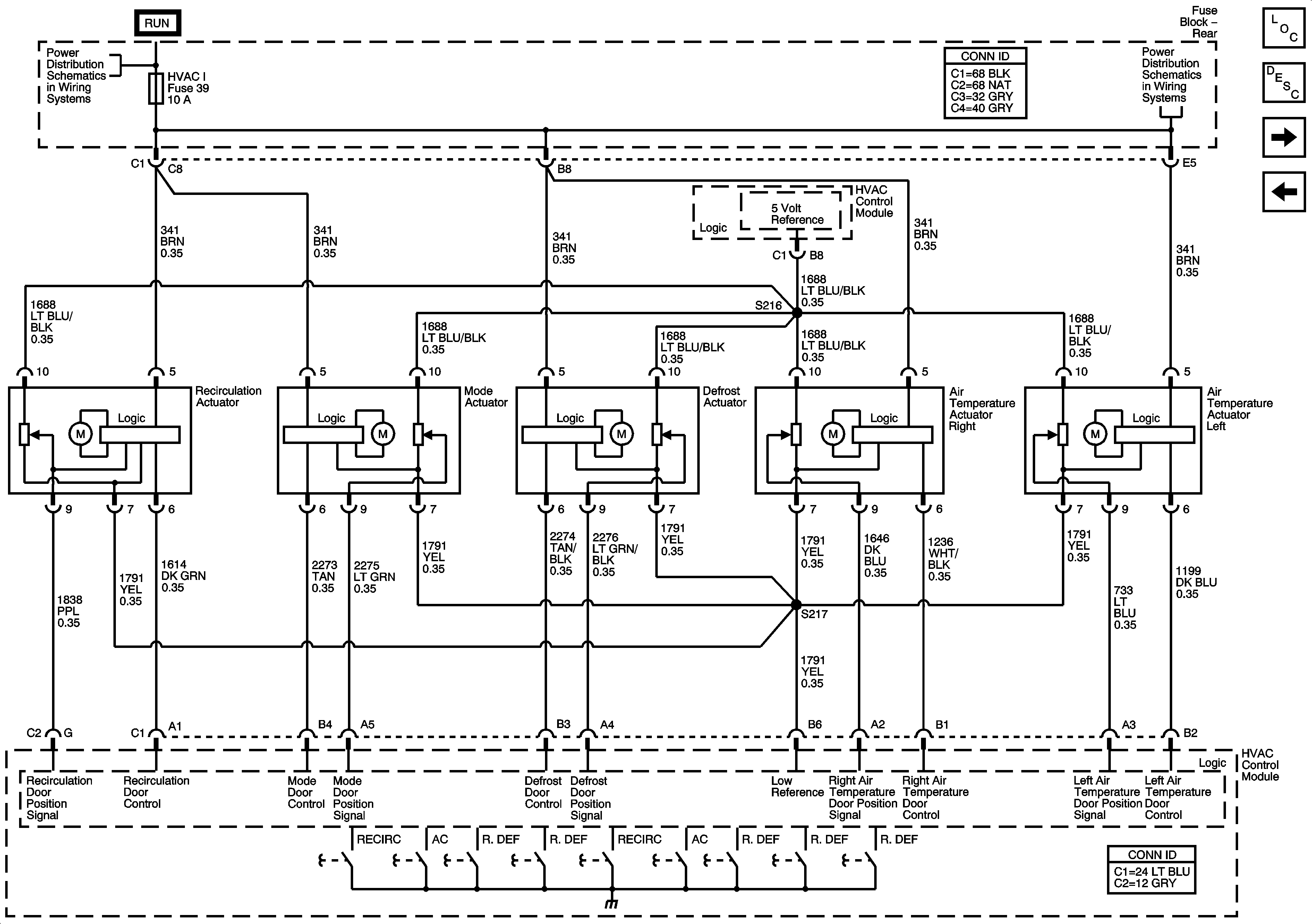
Actuators
Blower Motor, Module Power, Ground and Serial Data
G102, G104, G105, and G107
G101, G103, G106, and G110
Data Link Communication
AUX PWR 2, RRHVAC, AUX PWR 1, TBC 2, TBC 3, TBC 4 Fuses
AUX PWR 2, RRHVAC, AUX PWR 1, TBC 2, TBC 3, TBC 4 Fuses
I/P BATT, TRAILER ABS, HORN IGN A, IGN B, ATC Fuses
Figure 3:

Actuators


Object Number: 876481  Size: FS
Master Electrical Component List
Air Delivery Description and Operation
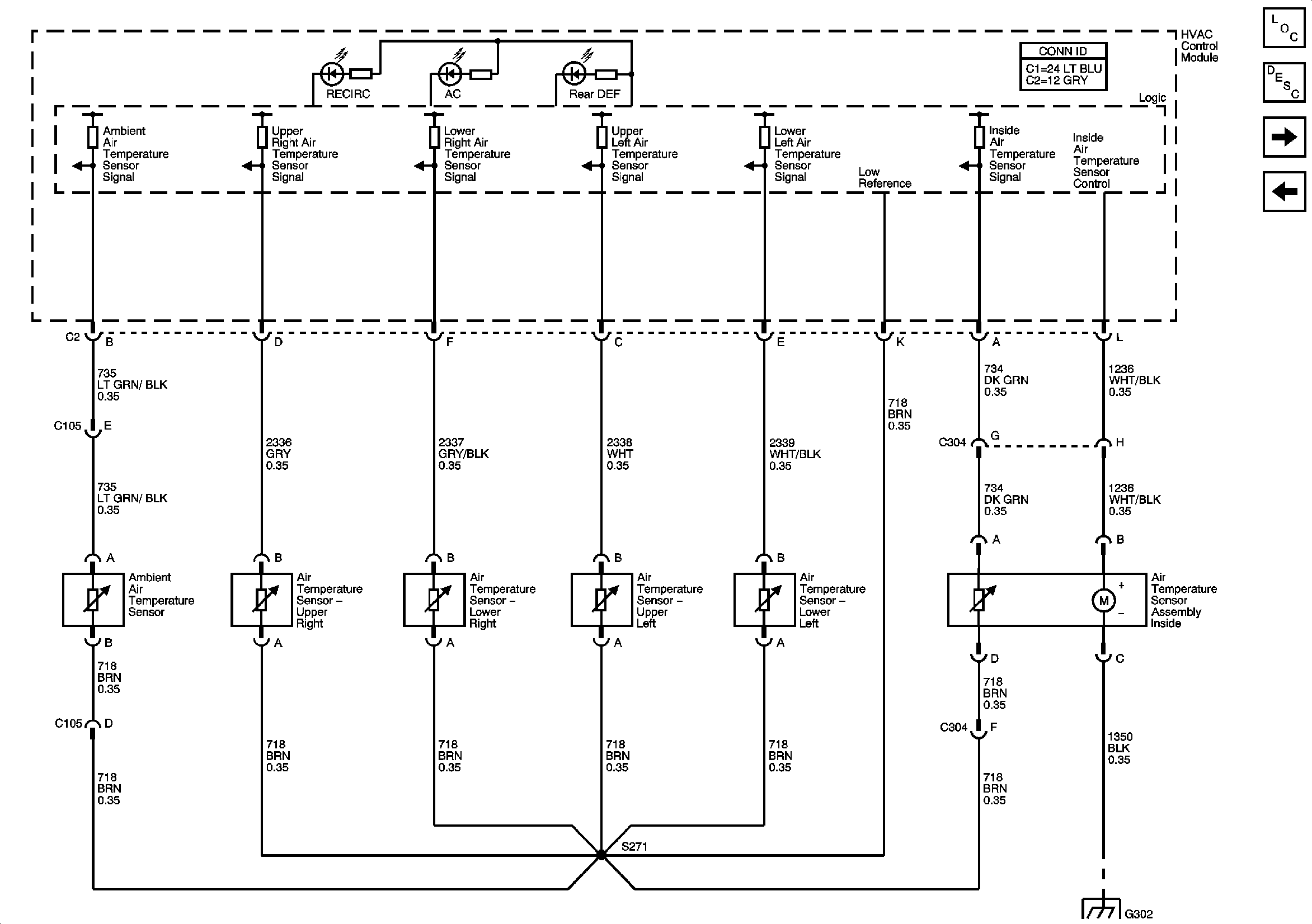
Air Temperature Sensors
Compressor Controls and A/C Sensors
AMP, SUNROOF, VENT WDO, REAR WIPER, LGM 2, SEATS, LR/RR LOCKS Fuses Fuses
HVAC I, BRAKE and TBC RUN Fuses
Figure 4:

Air Temperature Sensors


Object Number: 876482  Size: FS
Master Electrical Component List
Air Delivery Description and Operation
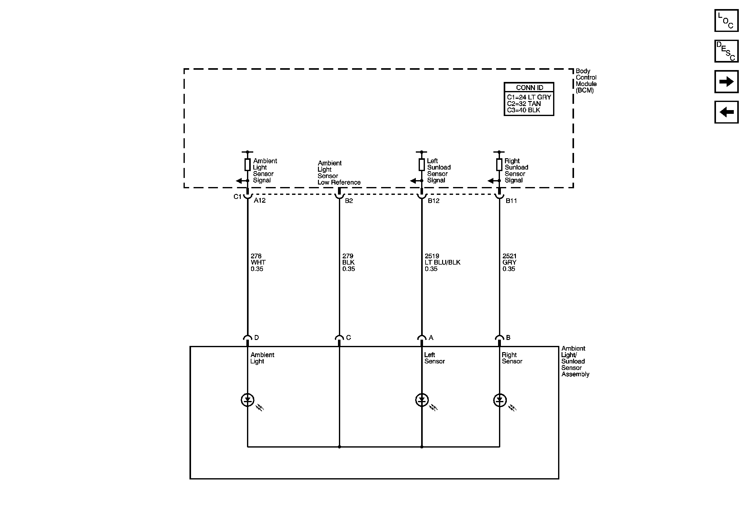
Ambient Lignt/Sunload Sensor
Actuators
G102, G104, G105, and G107
Figure 5:

Ambient Light/Sunload Sensor


Object Number: 876485  Size: FS
Master Electrical Component List
Air Delivery Description and Operation
Rear HVAC with Rear Seat Audio
Air Temperature Sensors
Figure 6:

Rear HVAC with RSA


Object Number: 876451  Size: FS
Master Electrical Component List
Air Delivery Description and Operation
Steering Wheel Controls
Ambient Lignt/Sunload Sensor
FLASHER, VEHICLE CHMSL, VEHICLE STOP TRLl L TURN, TRL R TURN, LEFT TURN, RIGHT TURN Fuses
Data Link Communication
G401, G402, and G403
G201, 1 of 2
Figure 7:

Steering Wheel Controls


Object Number: 876470  Size: FS
Master Electrical Component List
Air Delivery Description and Operation
Rear HVAC with Rear Seat Audio
SIR Caution for Zoning
Steering Wheel Controls