GM Service Manual Online
For 1990-2009 cars only
Figure 1:

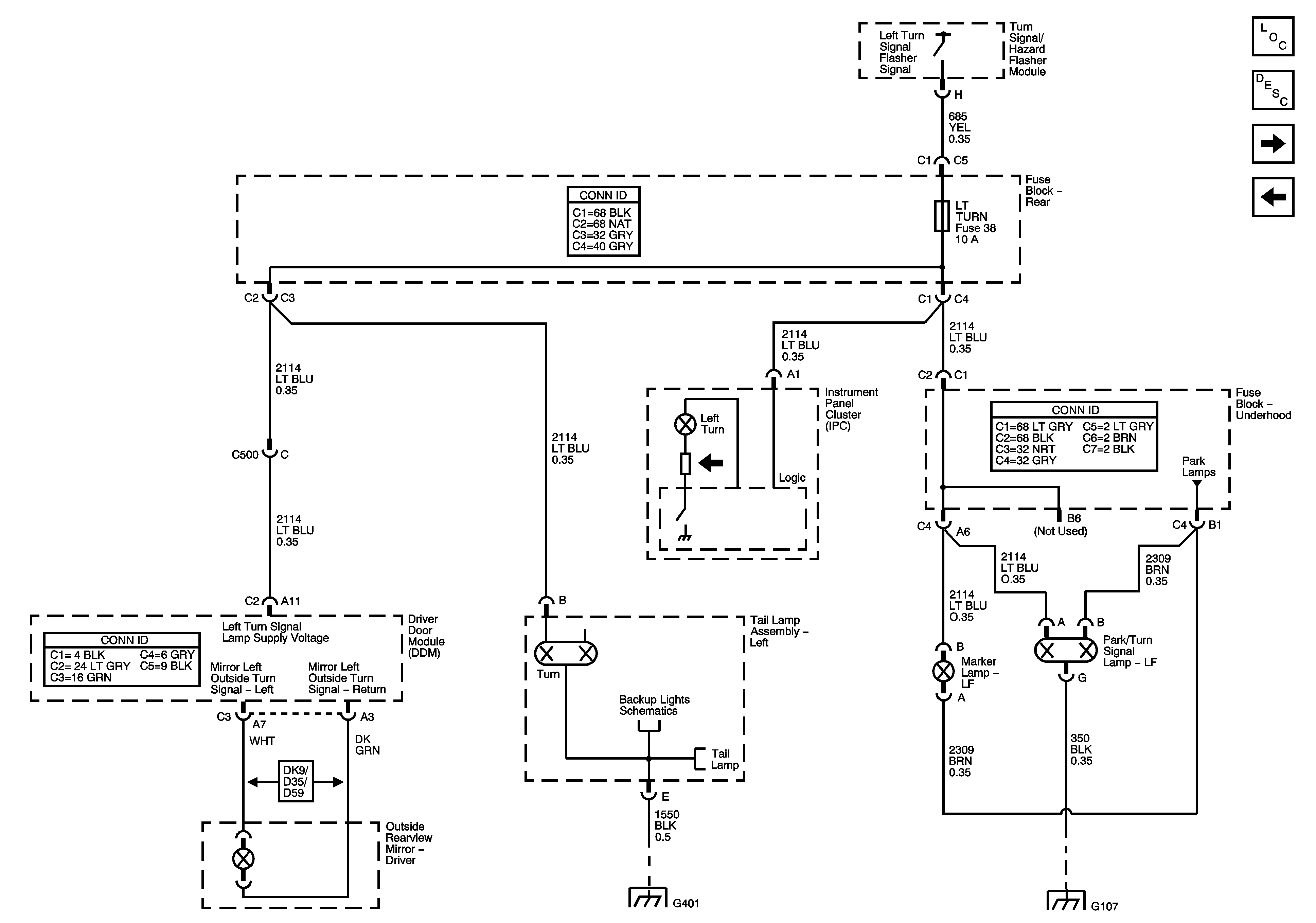
Park Lamp Control, Turn Signal Inputs, and Hazard Switch


Object Number: 681484  Size: FS
Master Electrical Component List
Exterior Lighting Systems Description and Operation
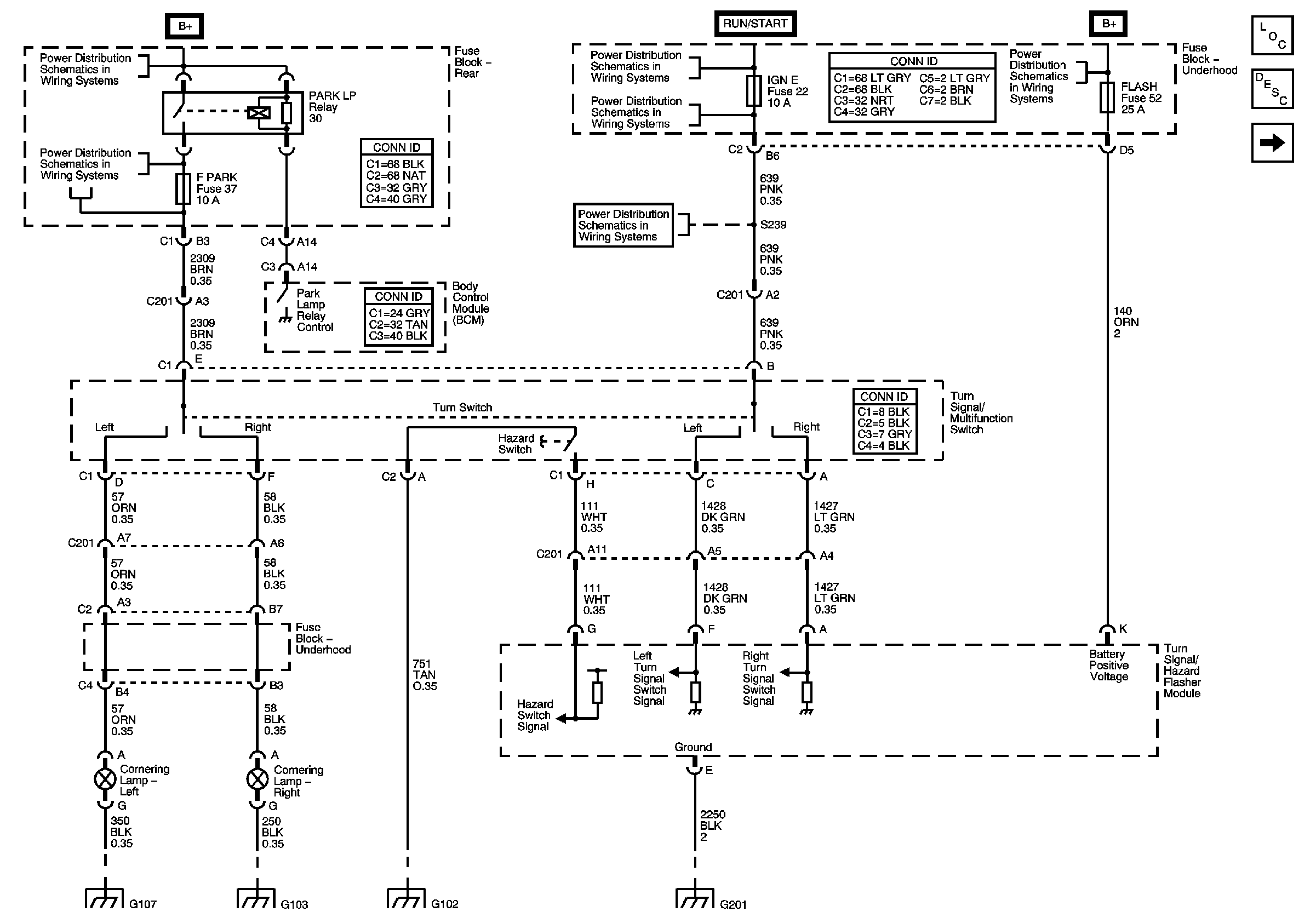
Left Turn Signals
G201, 1 of 2
G102, G104, G105, and G107
G101, G103, G106, and G110
G102, G104, G105, and G107
LGM/DSM, OH BATT/ONSTAR/PHONE, RADIO, HVAC B Fuses
TRLR-E BRK,STOP, BLOWER, CIGAR, W/S WASH, A/C, FOG LAMP, PCM B Buses) Fuses
AUX PWR 2, RRHVAC, AUX PWR 1, TBC 2, TBC 3, TBC 4 Fuses
O2 and ENG 1 Fuses
Figure 2:

Left Turn Signals


Object Number: 896509  Size: FP
Master Electrical Component List
Exterior Lighting Systems Description and Operation
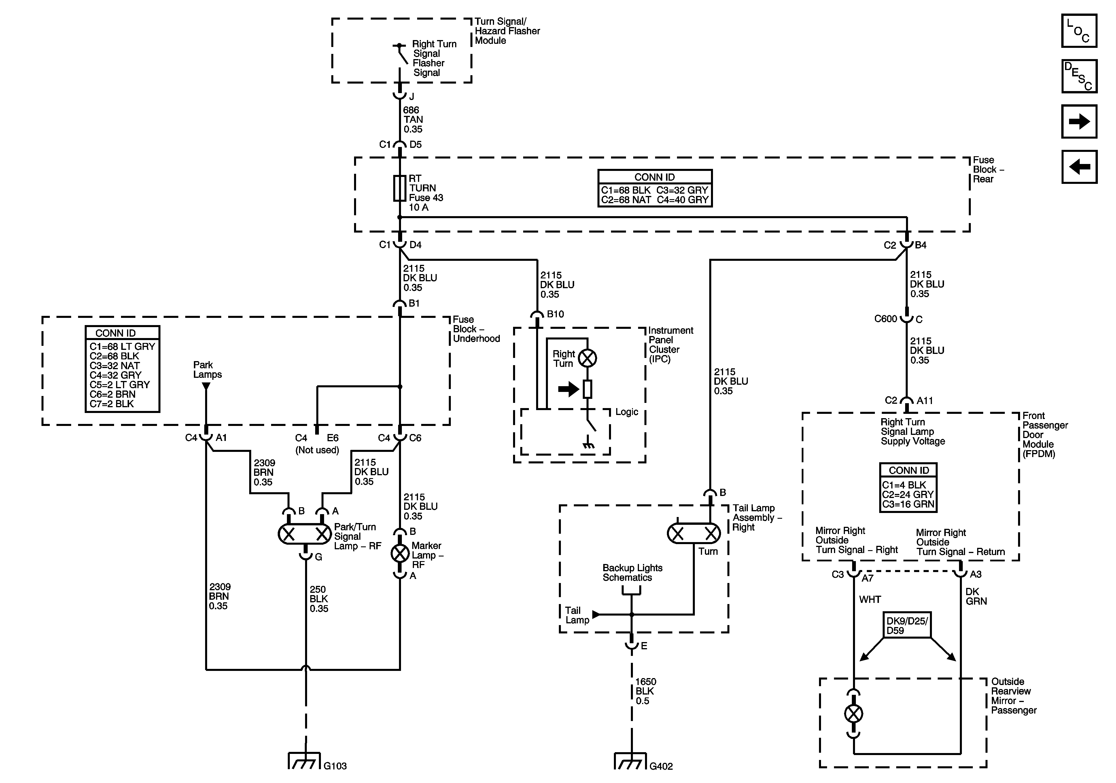
Right Turn Signals
Park Lamp Controls, Turn Signal Inputs, and Hazard Switch
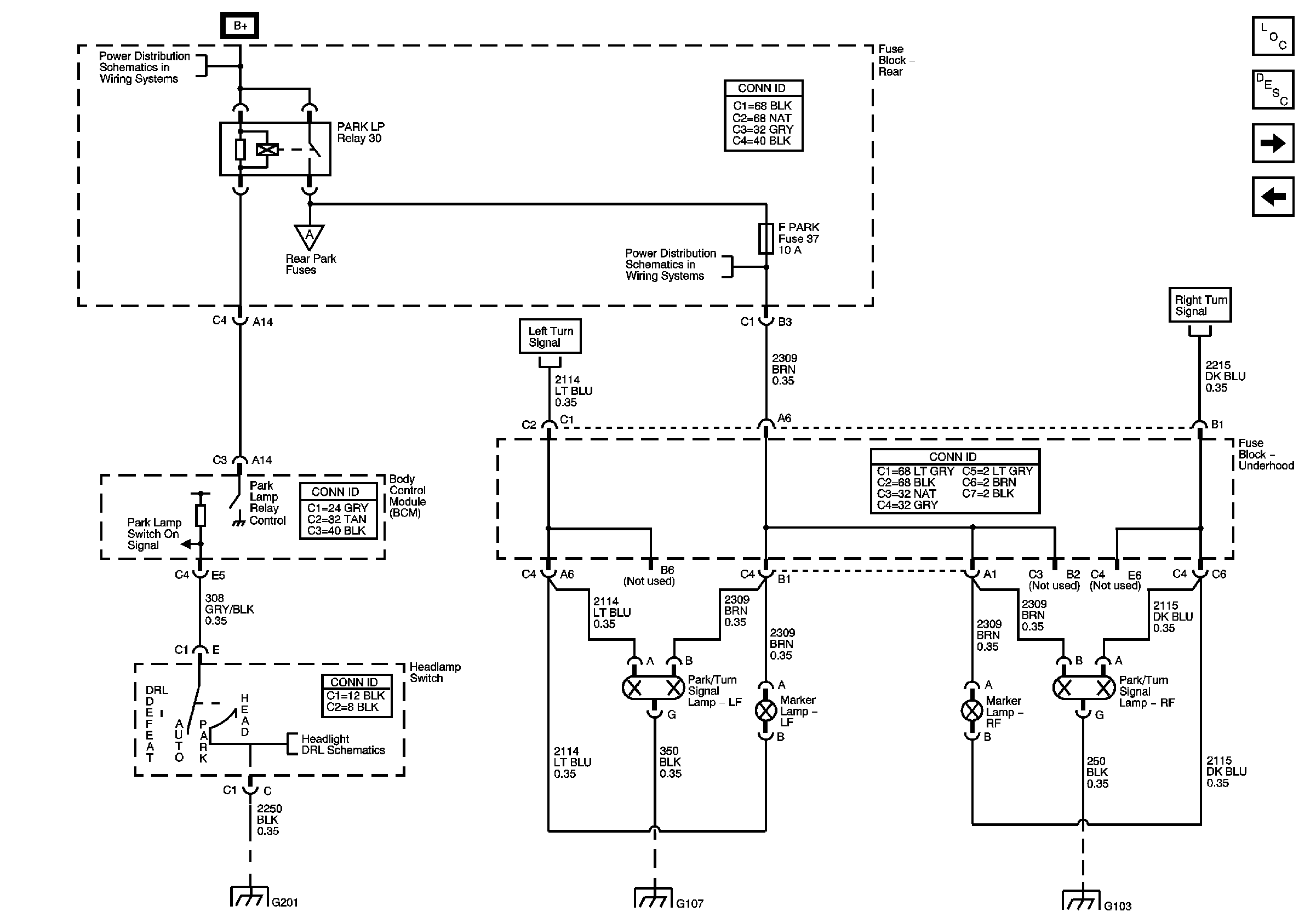
Front Lamps
G102, G104, G105, and G107
G401, G402, and G403
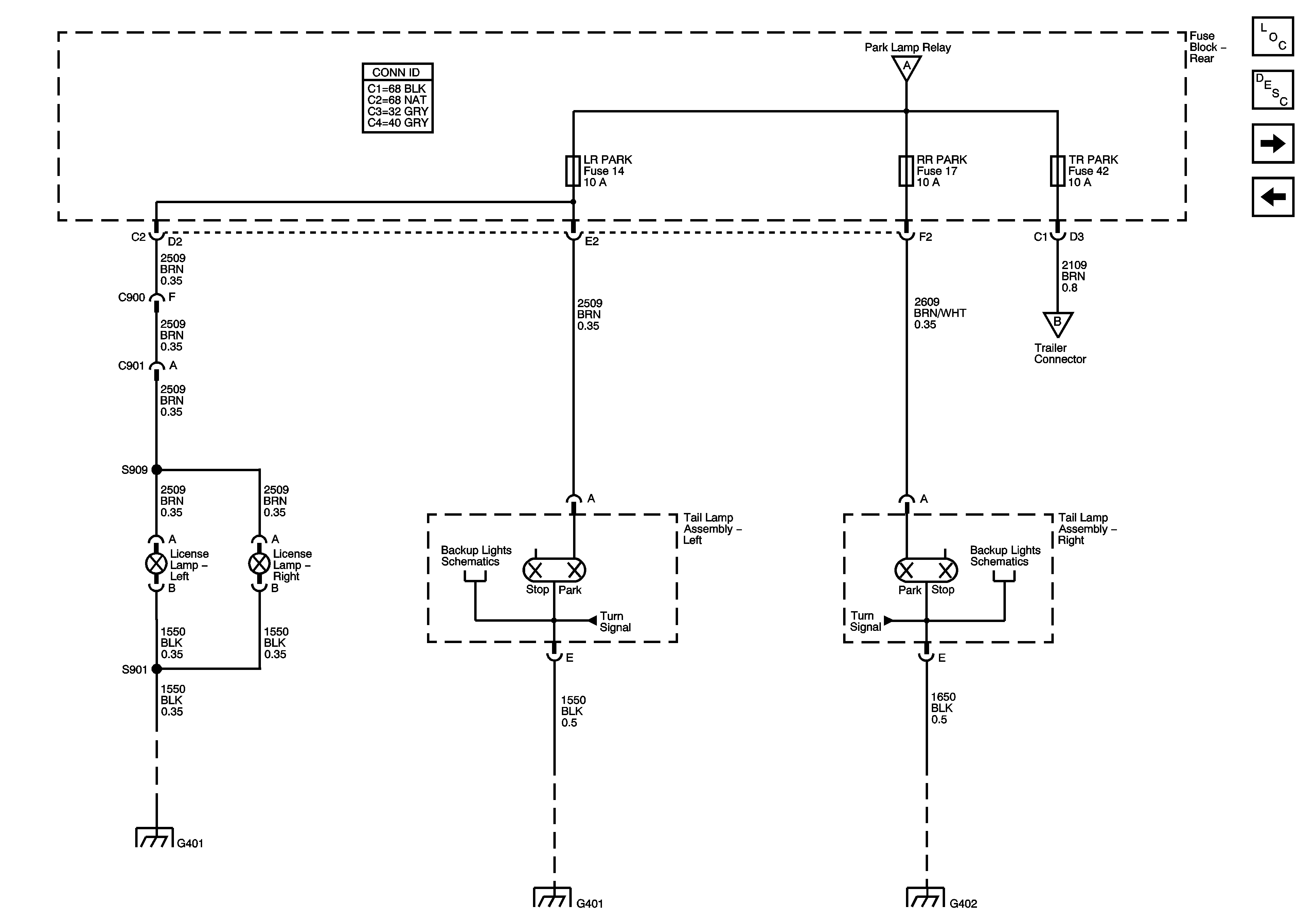
License and Tail Lamps
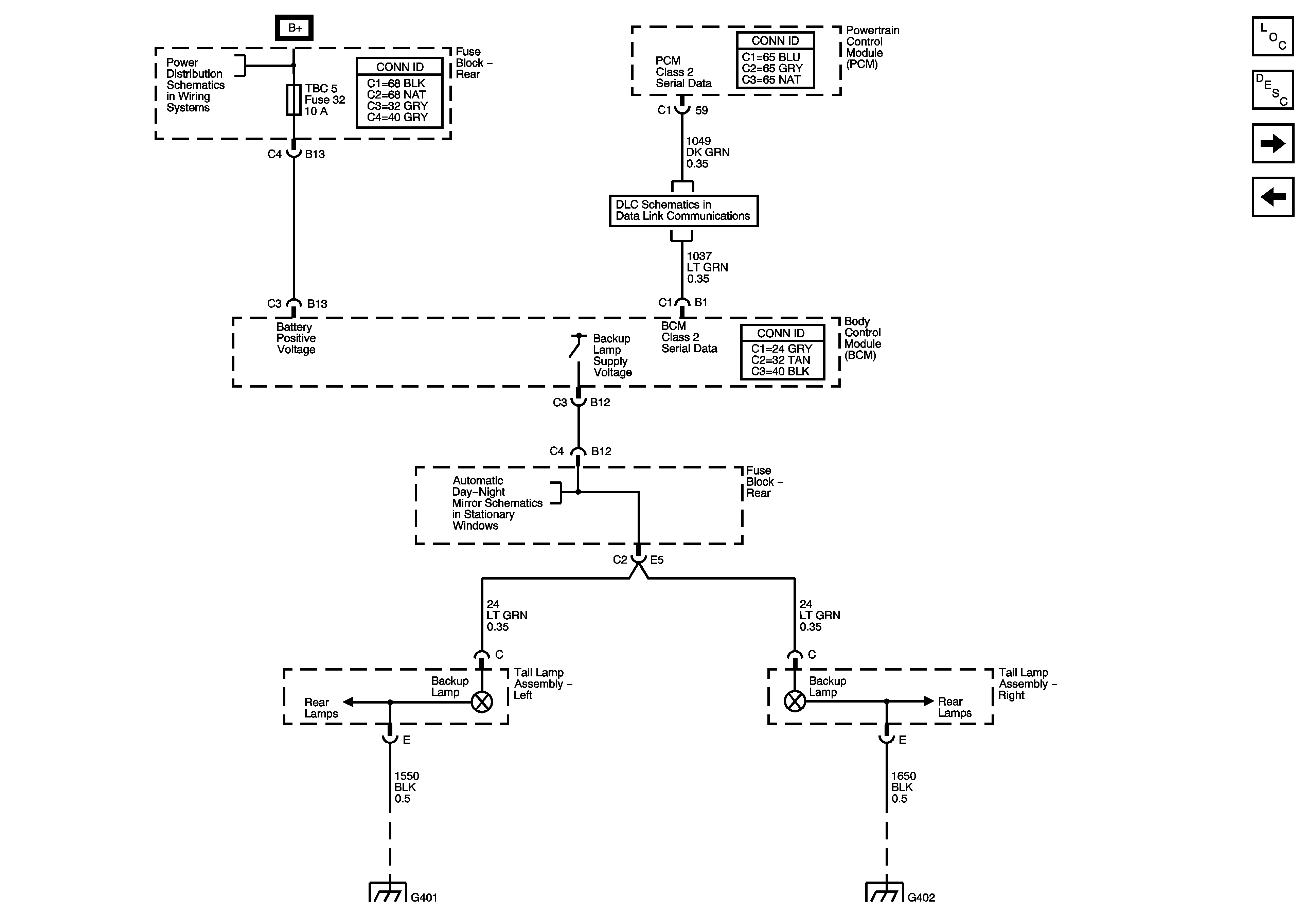
Backup Lamps
Figure 3:

Right Turn Signals


Object Number: 896510  Size: FS
Master Electrical Component List
Exterior Lighting Systems Description and Operation
Front Lamps
Park Lamp Controls, Turn Signal Inputs, and Hazard Switch
G401, G402, and G403
License and Tail Lamps
Backup Lamps
G101, G103, G106, and G110
Front Lamps
Figure 4:

Front Lamps


Object Number: 896512  Size: FS
Master Electrical Component List
Exterior Lighting Systems Description and Operation
License and Tail Lamps
Right Turn Signals
G101, G103, G106, and G110
G102, G104, G105, and G107
G201, 1 of 2
Headlamp Switch
Left Turn Signals
LGM/DSM, OH BATT/ONSTAR/PHONE, RADIO, HVAC B Fuses
TRLR-E BRK,STOP, BLOWER, CIGAR, W/S WASH, A/C, FOG LAMP, PCM B Buses) Fuses
Figure 5:

License and Tail Lamps


Object Number: 896515  Size: FS
Master Electrical Component List
Exterior Lighting Systems Description and Operation
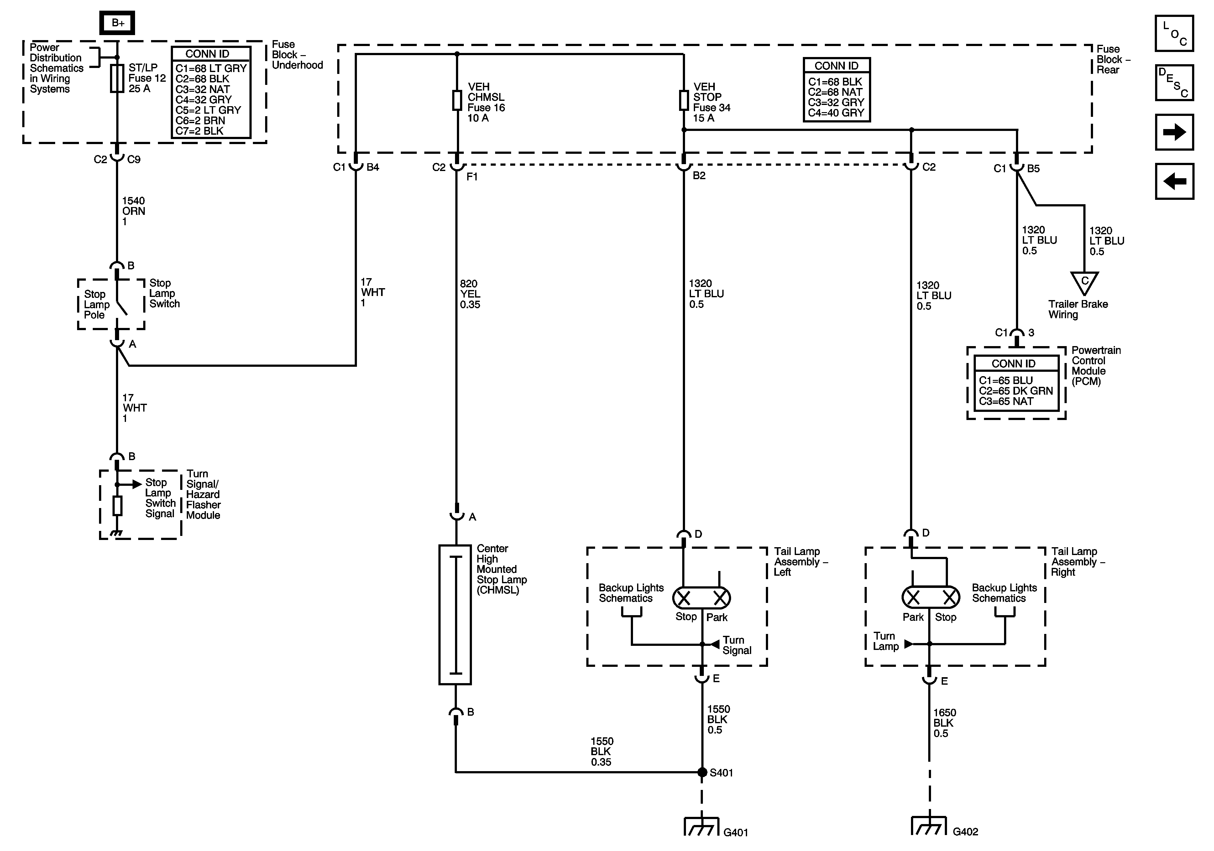
Stop Lamps
Front Lamps
Trailer Wiring)
G401, G402, and G403
Left Turn Signals
Right Turn Signals
Front Lamps
Figure 6:

Stop Lamps


Object Number: 896517  Size: FS
Master Electrical Component List
Exterior Lighting Systems Description and Operation
Backup Lamps
License and Tail Lamps
Trailer Wiring)
G401, G402, and G403
Right Turn Signals
Left Turn Signals
I/P BATT, TRAILER ABS, HORN IGN A, IGN B, ATC Fuses
Figure 7:

Backup Lamps


Object Number: 896518  Size: FS
Master Electrical Component List
Exterior Lighting Systems Description and Operation
Trailer Wiring)
Stop Lamps
Data Link Communication
Inside Rear View Mirror
G201-2 of 2, G305, G306
TRLR-E BRK,STOP, BLOWER, CIGAR, W/S WASH, A/C, FOG LAMP, PCM B Buses) Fuses
Figure 8:

Trailer Wiring


Object Number: 776483  Size: FS
Master Electrical Component List
Exterior Lighting Systems Description and Operation
Backup Lamps
Stop Lamps
G201, 1 of 2
License and Tail Lamps
Shift Lock Control
G401, G402, and G403
I/P BATT, TRAILER ABS, HORN IGN A, IGN B, ATC Fuses
IGN E and PCM I Fuses