GM Service Manual Online
For 1990-2009 cars only
Makes
🢒
Isuzu
🢒
2003
🢒
Ascender - 4WD
🢒
Body and Accessories
🢒
Lighting Systems
🢒 Interior Lights Schematics
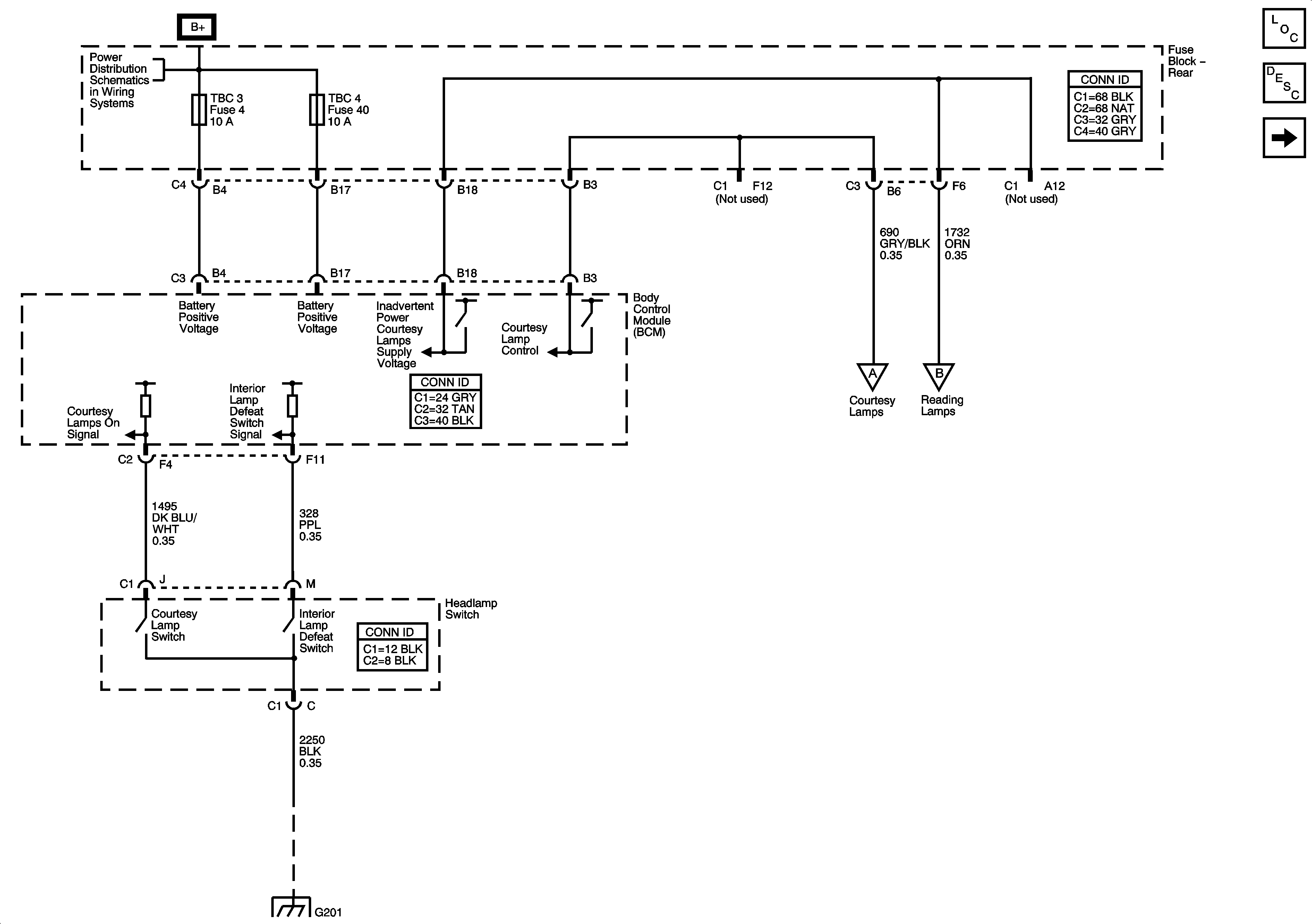
Figure
1:
Interior Lamps Controls
Master Electrical Component List
Interior Lighting Systems Description and Operation
Cargo Lamp, Vanity Mirror Lamps, Courtesy/Reading Lamps
Cargo Lamp, Vanity Mirror Lamps, Courtesy/Reading Lamps
G201, 1 of 2
TRLR-E BRK,STOP, BLOWER, CIGAR, W/S WASH, A/C, FOG LAMP, PCM B Buses) Fuses
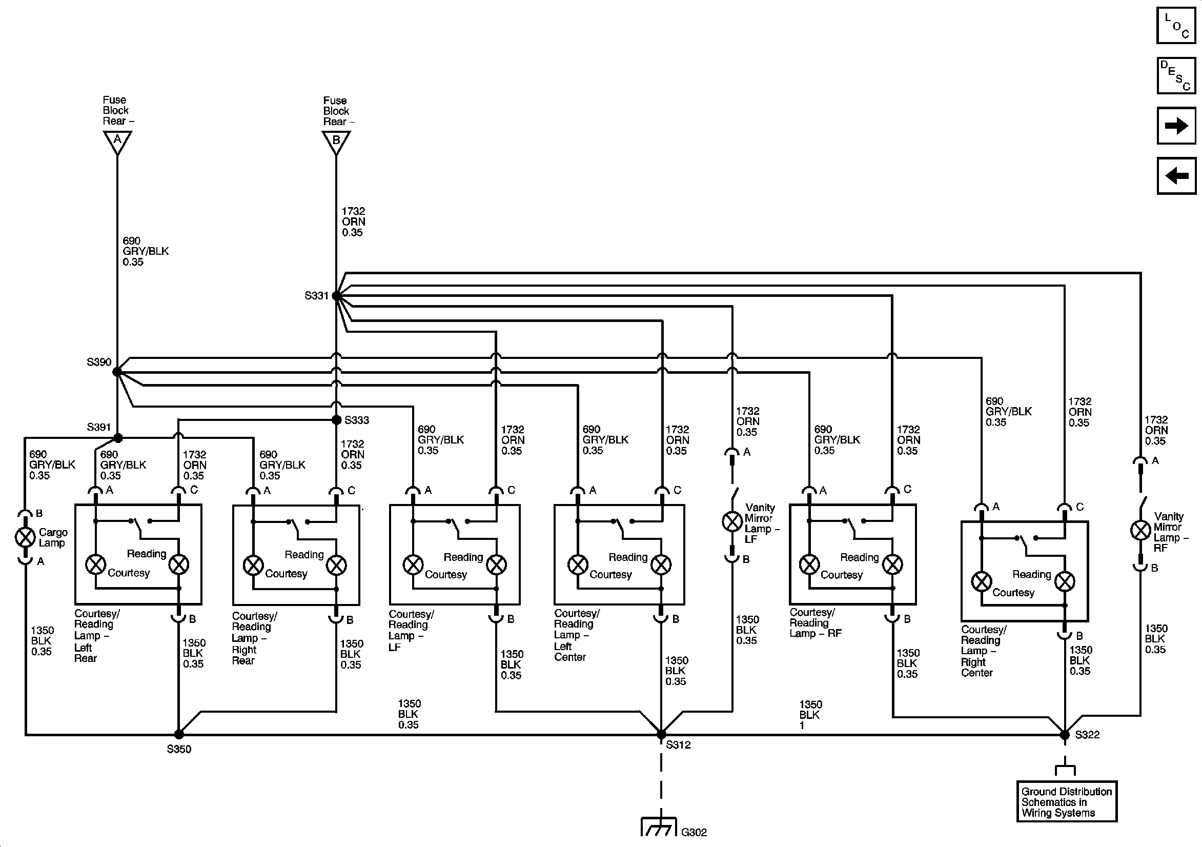
Figure
2:
Cargo Lamp, Vanity Mirror Lamps, Courtesty/Reading Lamps
Master Electrical Component List
Interior Lighting Systems Description and Operation
Liftgate and Door Switches
Interior Lamps Controls
G302, 2 of 2
G302-1 of 2, G303, and G304
Interior Lamps Controls
Figure
3:
Liftgate and Door Switches
Master Electrical Component List
Interior Lighting Systems Description and Operation
Cargo Lamp, Vanity Mirror Lamps, Courtesy/Reading Lamps