GM Service Manual Online
For 1990-2009 cars only
Figure 1:

Base Radio -- Power, Ground and Serial Data


Object Number: 881091  Size: FS
Master Electrical Component List
Radio/Audio System Description and Operation w/ CTF
Base Radio Without Rear Seat Audio
TRLR-E BRK,STOP, BLOWER, CIGAR, W/S WASH, A/C, FOG LAMP, PCM B Buses) Fuses
Data Link Communication
G102, G104, G105, and G107
Figure 2:

Base Radio -- W/O Rear Seat Audio


Object Number: 881101  Size: FS
Master Electrical Component List
Radio/Audio System Description and Operation w/ CTF
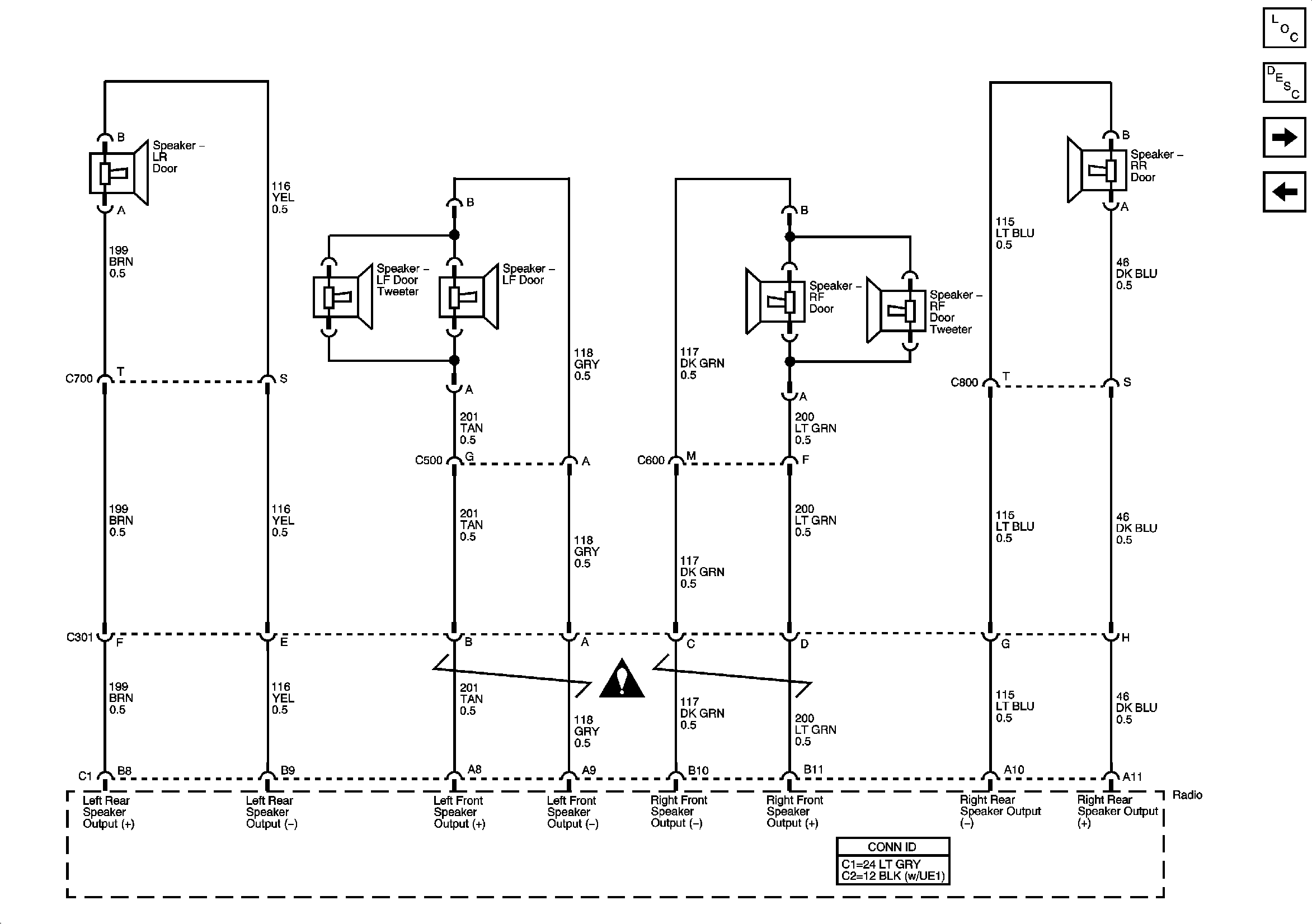
Base Radio With Rear Seat Audio
Power, Ground and Serial Data
Entertainment Schematic Icons
Figure 3:

Base Radio -- With Rear Seat Audio


Object Number: 881103  Size: FS
Master Electrical Component List
Radio/Audio System Description and Operation w/ CTF
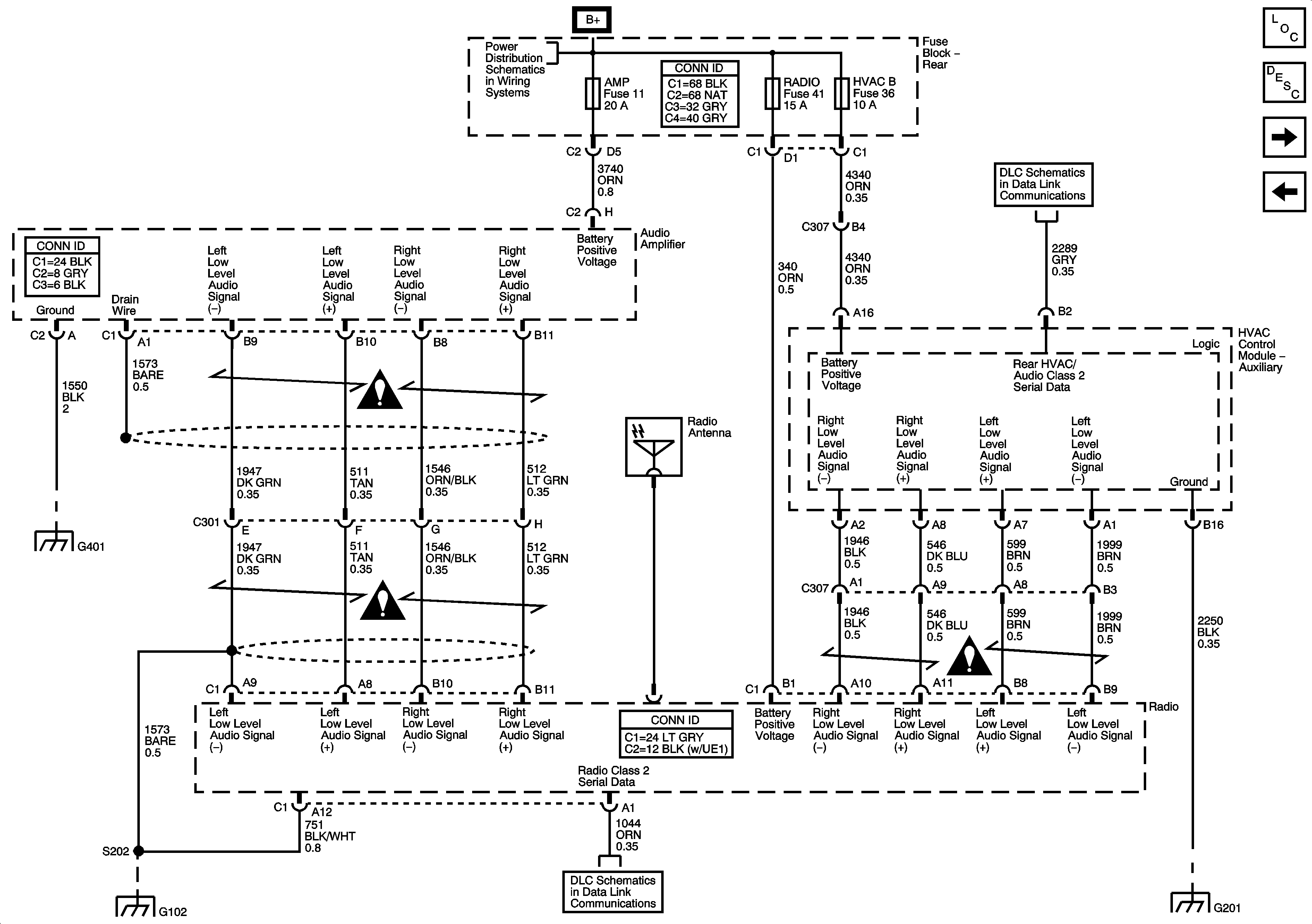
Premium Radio
Base Radio Without Rear Seat Audio
Entertainment Schematic Icons
Data Link Connector
FLASHER, VEHICLE CHMSL, VEHICLE STOP TRLl L TURN, TRL R TURN, LEFT TURN, RIGHT TURN Fuses
Figure 4:

Premium Radio


Object Number: 881105  Size: FS
Master Electrical Component List
Radio/Audio System Description and Operation w/ CTF
Premium Radio Speakers and Amplifier
Base Radio With Rear Seat Audio
Entertainment Schematic Icons
Data Link Communication
G201, 1 of 2
G102, G104, G105, and G107
G401, G402, and G403
Entertainment Schematic Icons
TRLR-E BRK,STOP, BLOWER, CIGAR, W/S WASH, A/C, FOG LAMP, PCM B Buses) Fuses
Data Link Connector
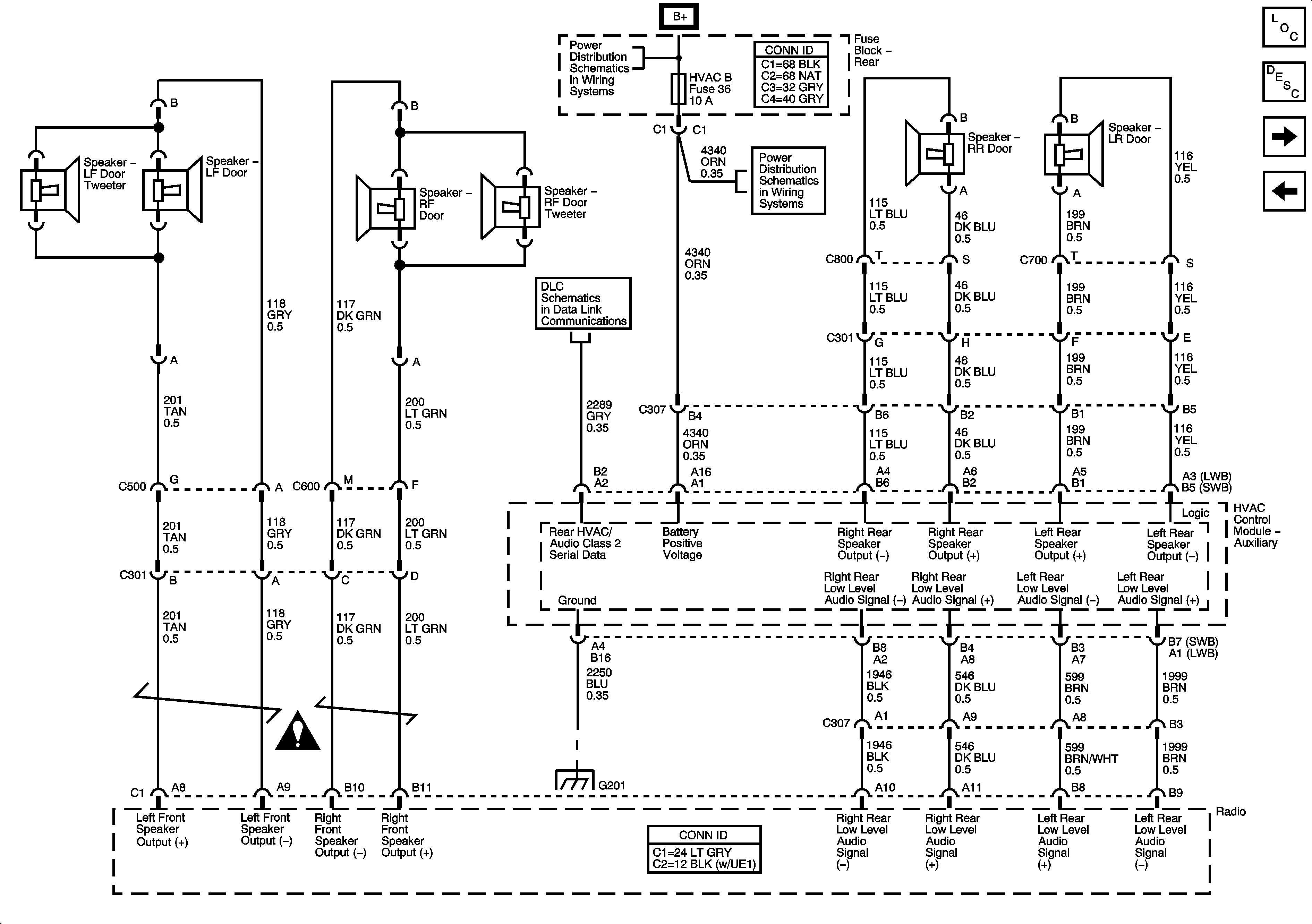
Figure 5:

Premium Radio -- Speakers and Amplifier


Object Number: 881107  Size: FS
Master Electrical Component List
Radio/Audio System Description and Operation w/ CTF
Steering Wheel Controls
Premium Radio
Data Link Communication
Entertainment Schematic Icons
Entertainment Schematic Icons
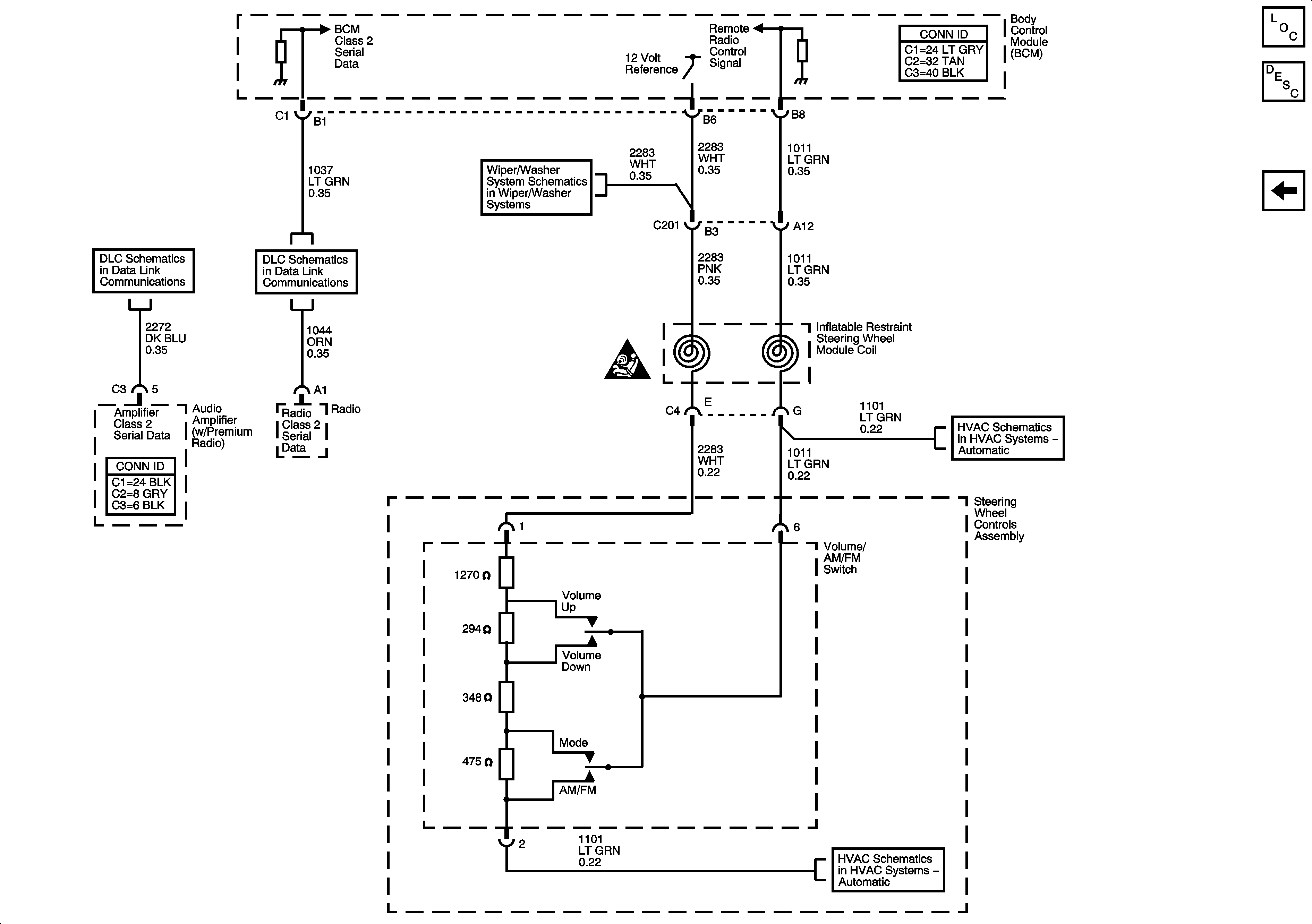
Figure 6:

Steering Wheel Controls


Object Number: 881109  Size: FS
Master Electrical Component List
Radio/Audio System Description and Operation w/ CTF
Premium Radio Speakers and Amplifier
Steering Wheel Controls
SIR Caution for Zoning
Data Link Communication
Data Link Connector
Rear Wiper/Washer