GM Service Manual Online
For 1990-2009 cars only
Makes
🢒
Isuzu
🢒
2003
🢒
Ascender - 4WD
🢒
Body and Accessories
🢒
Doors
🢒 Interior Lights Dimming Schematics
Figure
1:
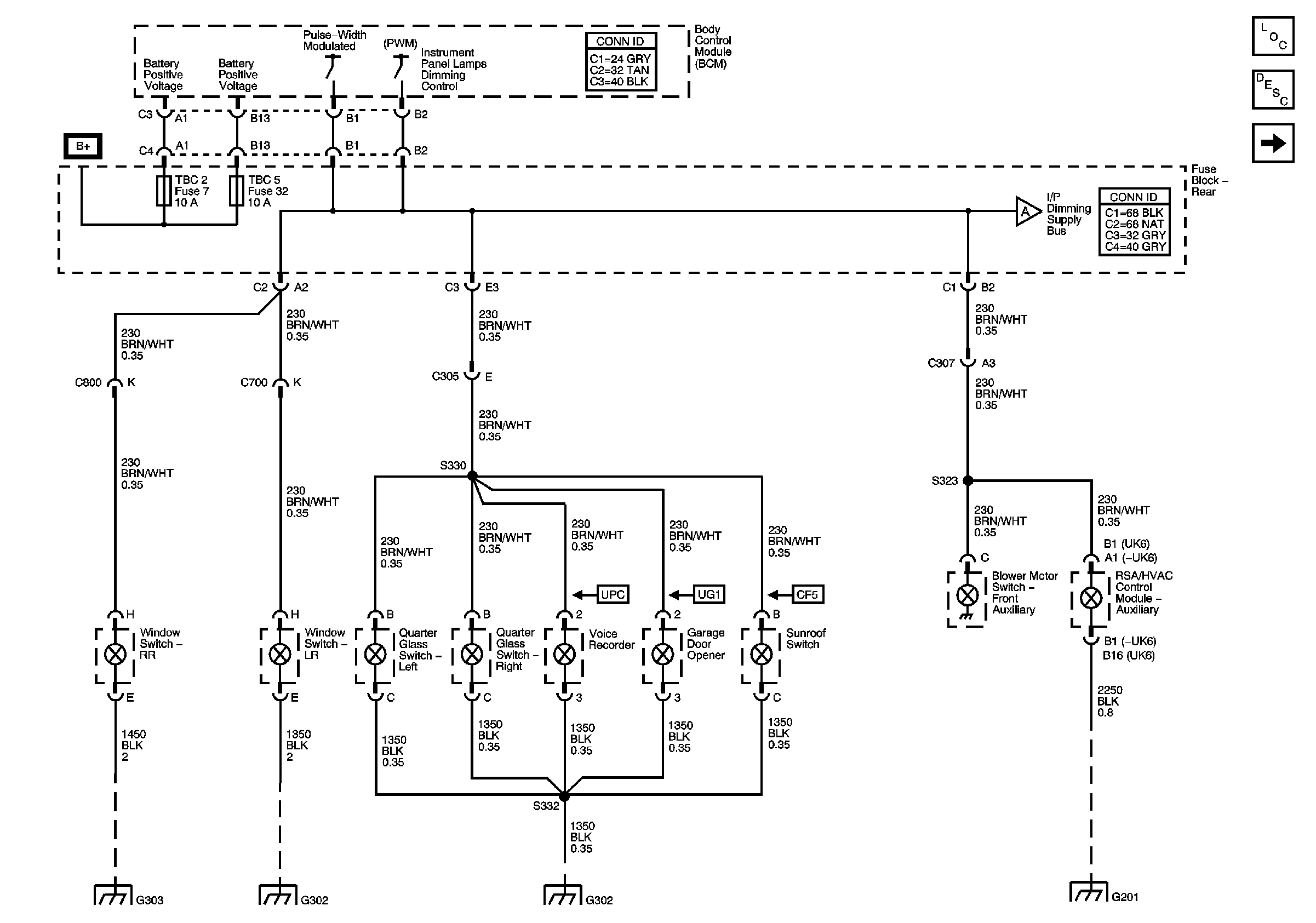
Dimming Supply Voltage
Master Electrical Component List
Interior Lighting Systems Description and Operation
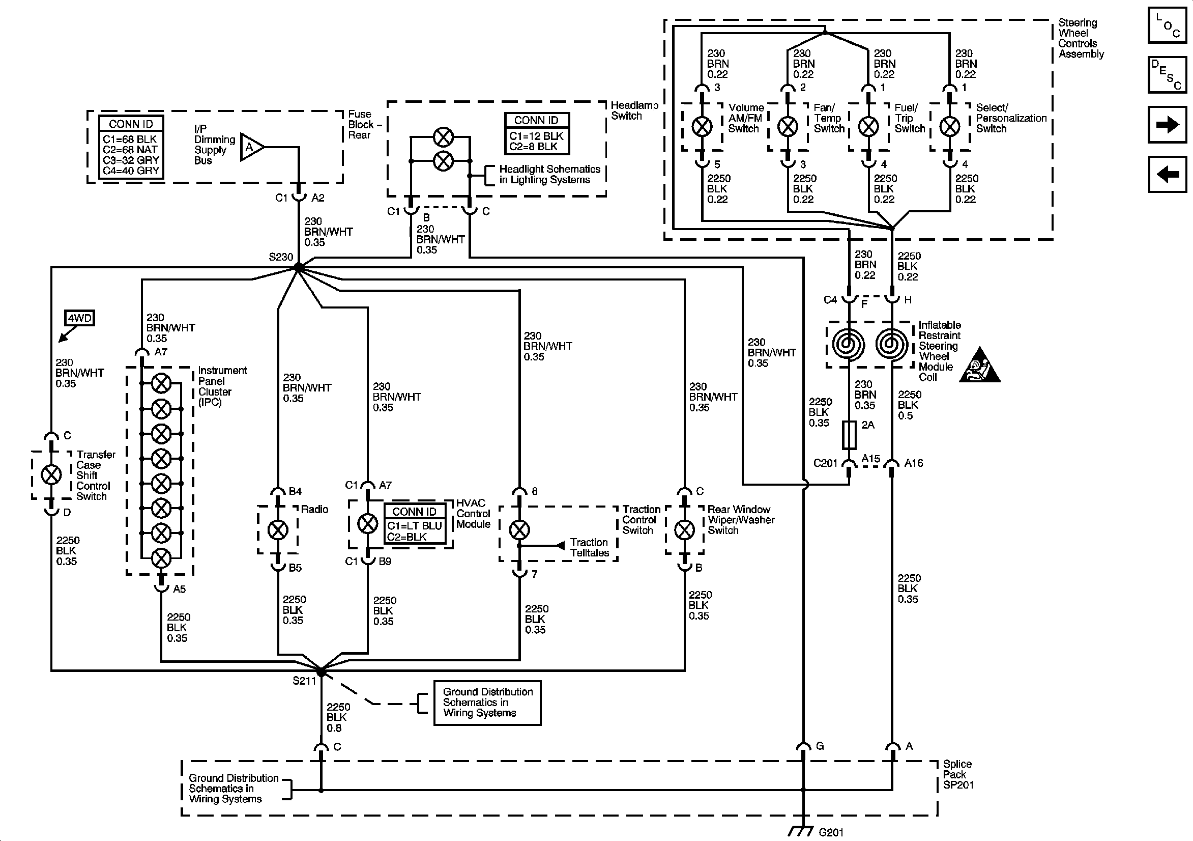
I/P Backlighting
G201, 1 of 2
G302-1 of 2, G303, and G304
TRLR-E BRK,STOP, BLOWER, CIGAR, W/S WASH, A/C, FOG LAMP, PCM B Buses) Fuses
Figure
2:
I/P Backlighting
Master Electrical Component List
Interior Lighting Systems Description and Operation
I/P Indicators
Dimming Supply Voltage
SIR Caution for Zoning
G201, 1 of 2
G201-2 of 2, G305, G306
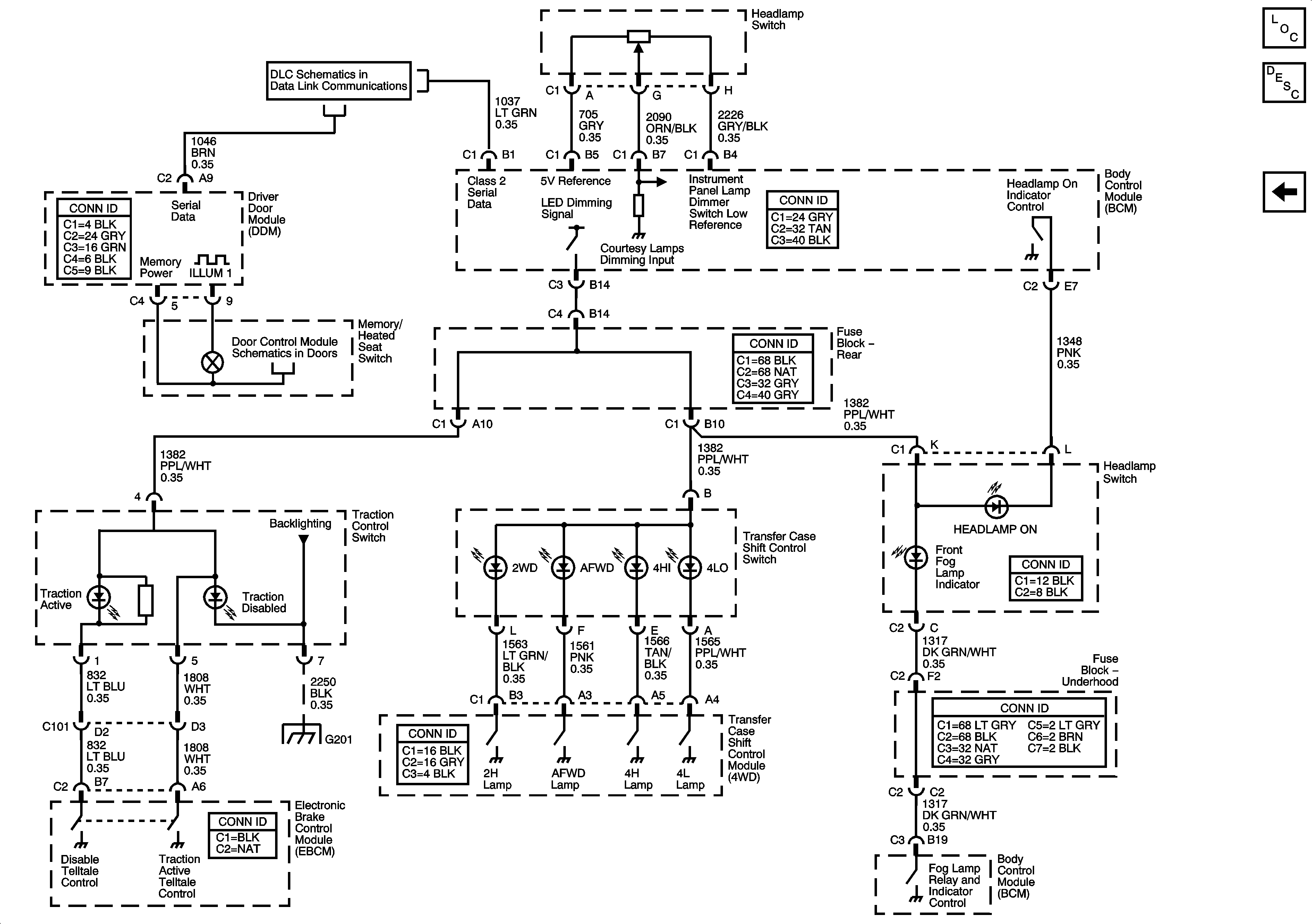
I/P Indicators
Dimming Supply Voltage
Headlamp Switch
Figure
3:
I/P Indicators
Master Electrical Component List
Interior Lighting Systems Description and Operation
I/P Backlighting
G201, 1 of 2
I/P Backlighting
Driver Door Module
Data Link Connector