GM Service Manual Online
For 1990-2009 cars only
Makes
🢒
Isuzu
🢒
2006
🢒
I-350
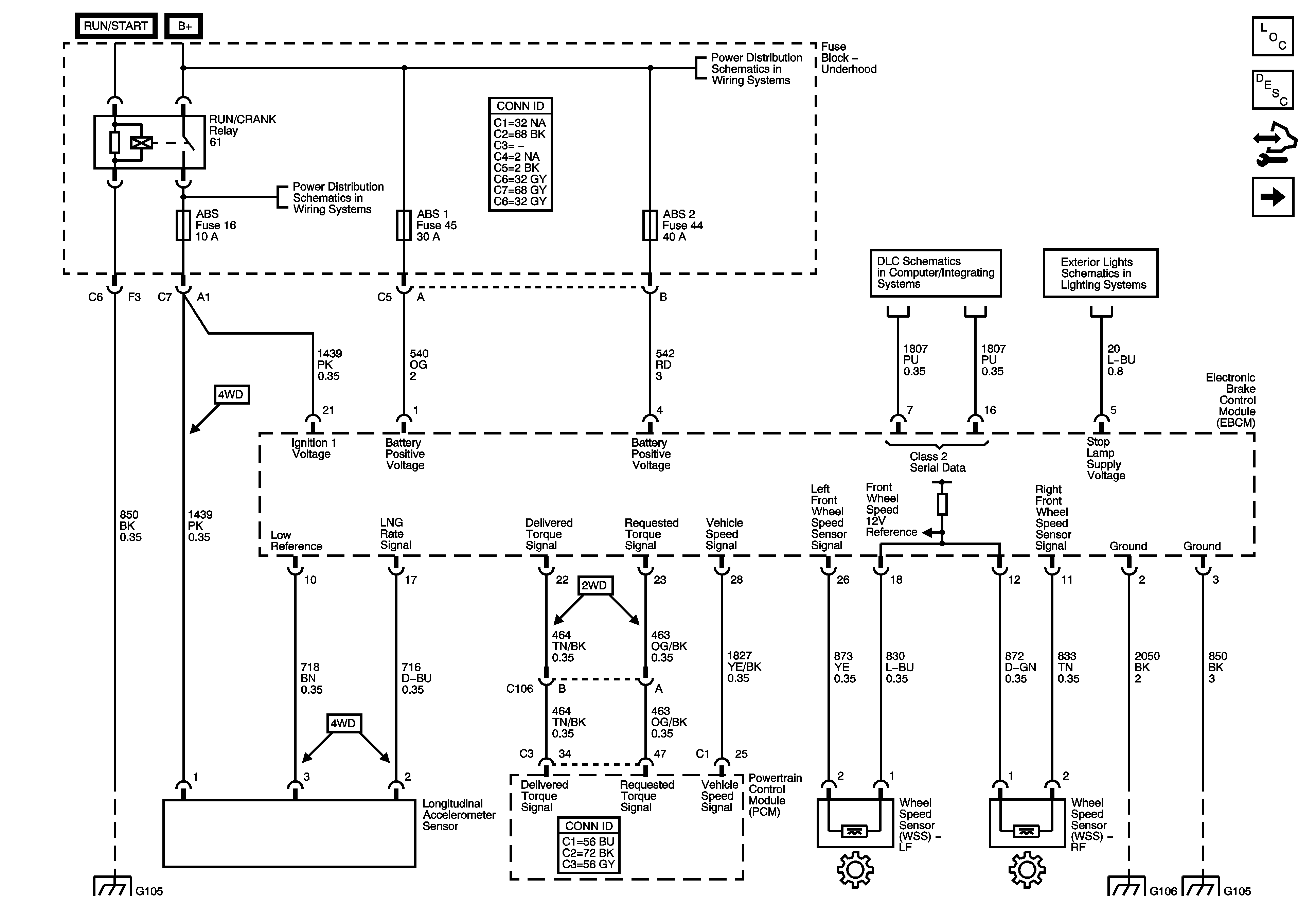
🢒 Power, Ground, and Electric Brake Control Module
Power, Ground, and Electric Brake Control Module
Power, Ground, and Electronic Brake Control Module
Master Electrical Component List
ABS Description and Operation
Body Control Module (BCM) Programming/RPO Configuration
Traction Control
B+ Bus - Underhood Fuse Block
B+ Bus - Underhood Fuse Block
Data Link Connector (DLC) Schematics
Stop Lamps and License Lamps
Splice Pack SP1`05 and G105 - 1 of 2
Splice Pack SP106 and G106 - 1 of 2
Splice Pack SP1`05 and G105 - 1 of 2