GM Service Manual Online
For 1990-2009 cars only
Makes
🢒
Isuzu
🢒
2006
🢒
I-350
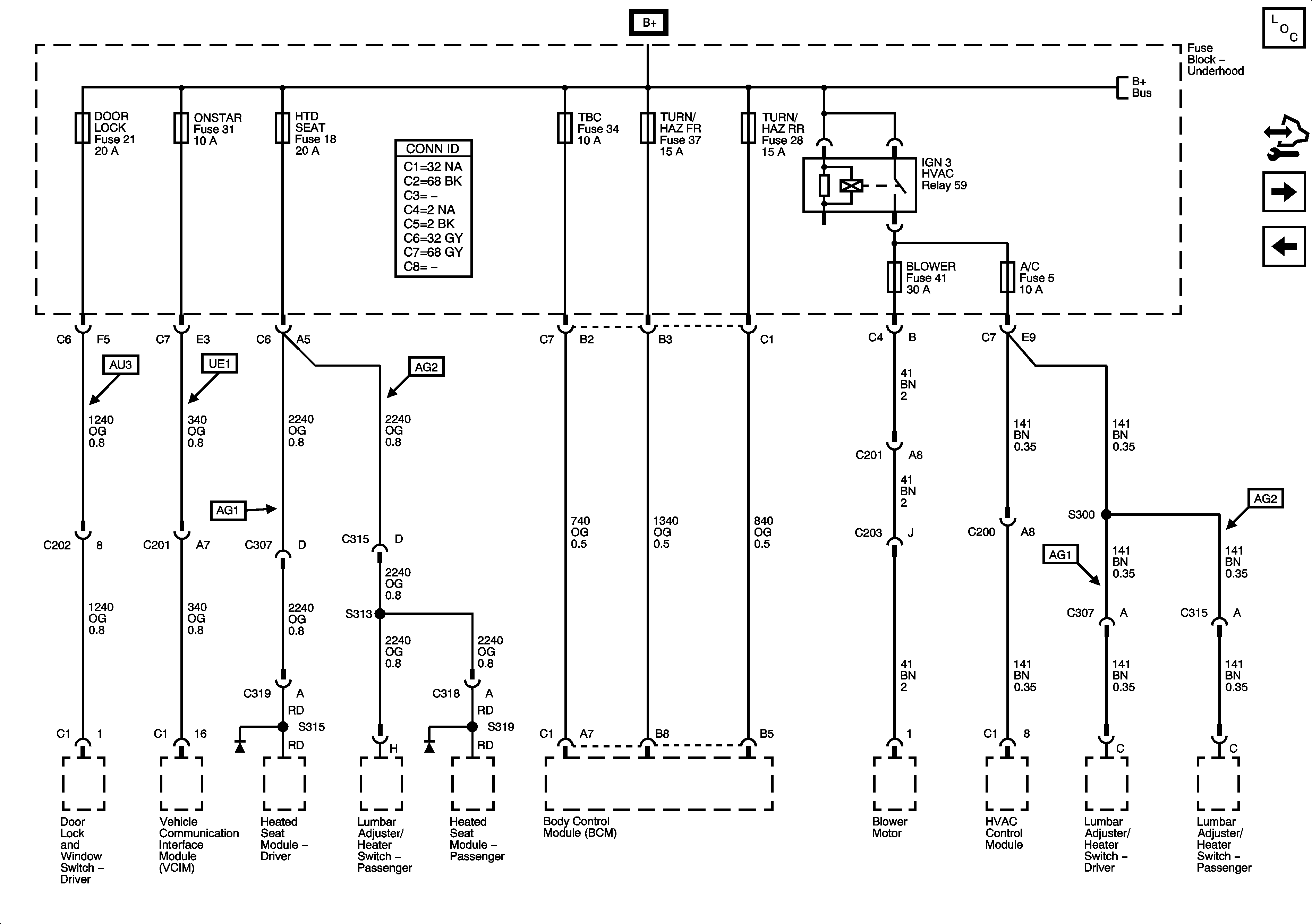
🢒 A/C, BLOWER, DOOR LOCK, HTD SEAT, ONSTAR, TBC, TURN/HAZ FR, and TURN/HAZ RR Fuses
A/C, BLOWER, DOOR LOCK, HTD SEAT, ONSTAR, TBC, TURN/HAZ FR, and TURN/HAZ RR Fuses
A/C, BLOWER, DOOR LOCK, HTD SEAT, ONSTAR, TBC, TURN/HAZ FR, and TURN /HAZ RR Fuses
Master Electrical Component List
Body Control Module (BCM) Programming/RPO Configuration
Ignition Switch and IGN TRANS D Fuse
ABS1, ABS2, AUX, CAN VENT, CIGAR, CLUSTER, DOOR LOCK, ONSTAR, PCM B, RADIO, STOP, and TCCM Fuses
B+ Bus - Underhood Fuse Block