GM Service Manual Online
For 1990-2009 cars only
Makes
🢒
Isuzu
🢒
2005
🢒
Isuzu H-Series
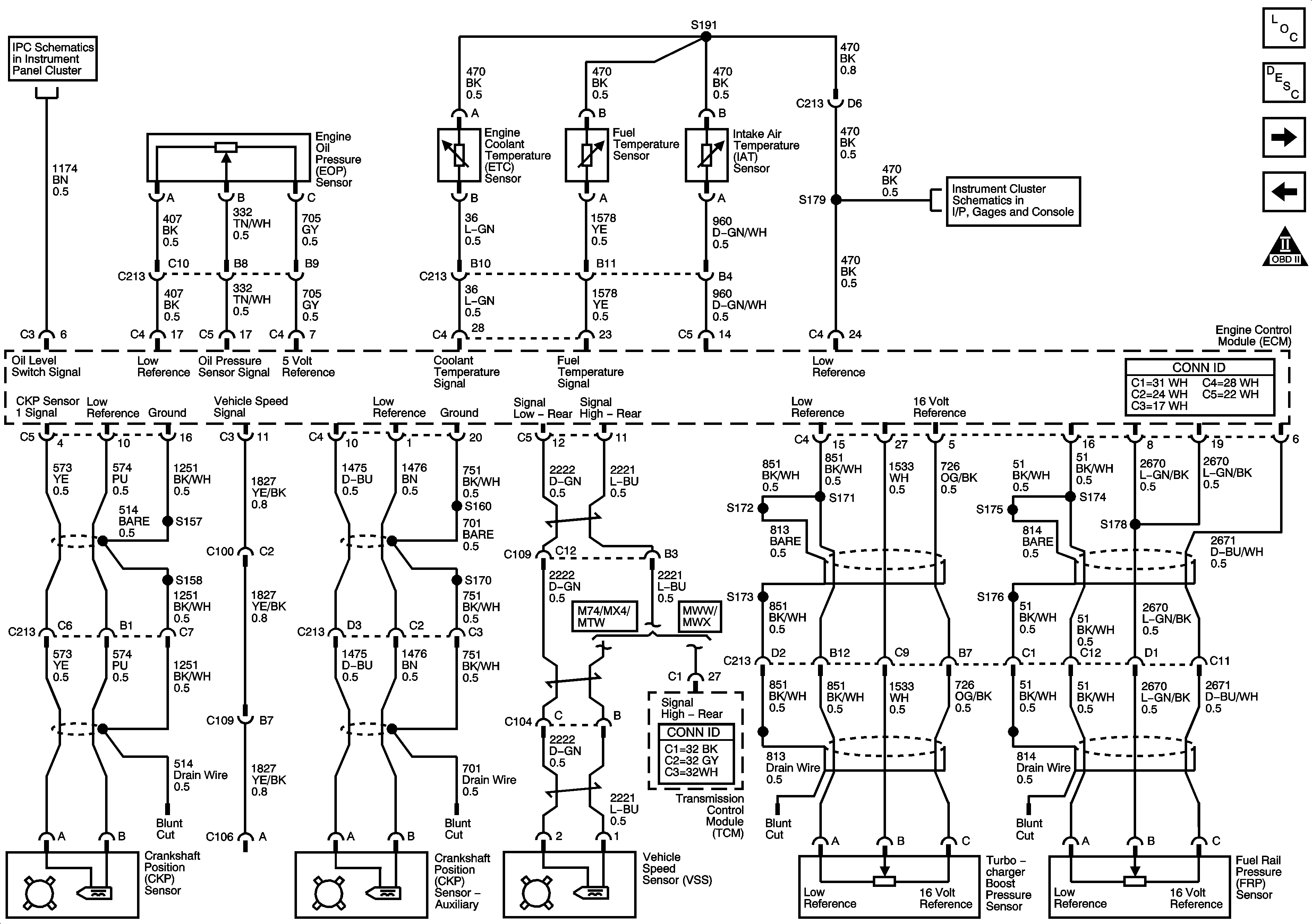
🢒 Engine Data Sensors - Pressure and Temperature
Engine Data Sensors - Pressure and Temperature
Engine Data Sensors - Pressure and Temperature Sensors
Master Electrical Component List
Fuel System Description (Without RPO CTF)
Engine Data Sensors - Glow Plug Controls
Engine Data Sensors - 5 Volt and Low Reference
Engine Controls Schematic Icons
Instrument Panel Cluster - 1 of 2
Fuel Senders