GM Service Manual Online
For 1990-2009 cars only
Makes
🢒
Isuzu
🢒
2005
🢒
Isuzu H-Series
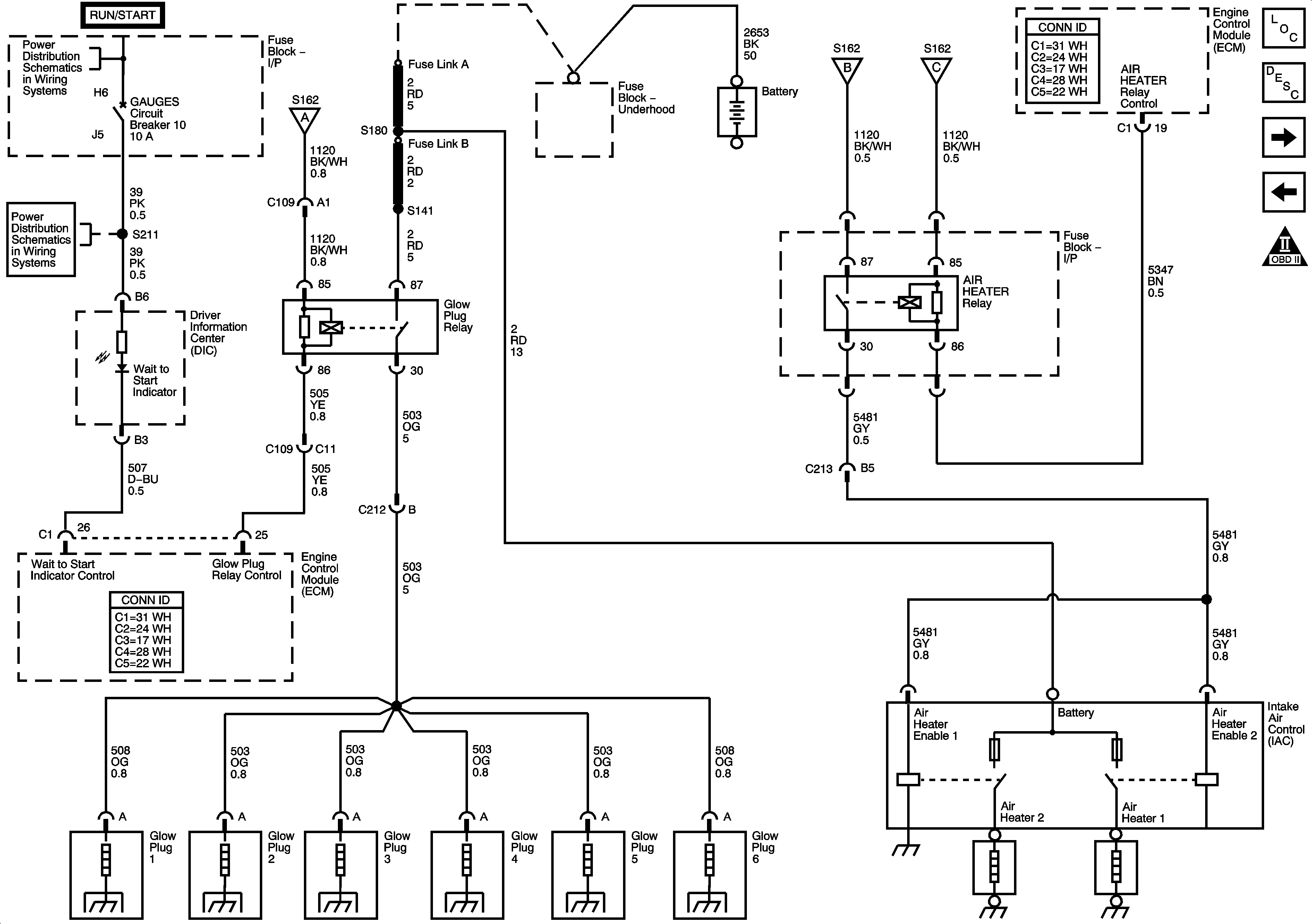
🢒 Engine Data Sensors - Glow Plug Controls
Engine Data Sensors - Glow Plug Controls
Engine Data Sensors - Glow Plugs Controls
Master Electrical Component List
Glow Plug System Description
Engine Data Sensors - Pedal Position
Engine Data Sensors - Pressure and Temperature
Engine Controls Schematic Icons
Ignition Switch, OFF/RUN/START, RUN/START, and START Bus Bars
I/P Fuse Block, R-RR TRUCK, L-RR TRUCK, GAGES, and SIR Fuses/Circuit Breaker
Module Power, Ground, Serial Data, and MIL
Module Power, Ground, Serial Data, and MIL
Module Power, Ground, Serial Data, and MIL