GM Service Manual Online
For 1990-2009 cars only
Makes
🢒
Isuzu
🢒
2005
🢒
Isuzu MD F-Series
🢒
Vehicle Control Systems
🢒
Vehicle DTC Information
🢒 Data Link Connector Schematics
Figure
1:
Controller Area Network (CAN) Connector and Data Link Connector (DLC)
Master Electrical Component List
Data Link Communications Description and Operation
Splice Packs and Modules - 1 of 2
Figure
2:
Splice Packs and Modules 1 of 2
Master Electrical Component List
Data Link Communications Description and Operation
Splice Packs and Modules - 2 of 2
Controller Area Network (CAN) Connector and Data Link Connector (DLC)
Computer/Integrating Systems Schematic Icons
Controller Area Network (CAN) Connector and Data Link Connector (DLC)
Controller Area Network (CAN) Connector and Data Link Connector (DLC)
Controller Area Network (CAN) Connector and Data Link Connector (DLC)
Controller Area Network (CAN) Connector and Data Link Connector (DLC)
Splice Packs and Modules - 2 of 2
Splice Packs and Modules - 2 of 2
Splice Packs and Modules - 2 of 2
Splice Packs and Modules - 2 of 2
Splice Packs and Modules - 2 of 2
Splice Packs and Modules - 2 of 2
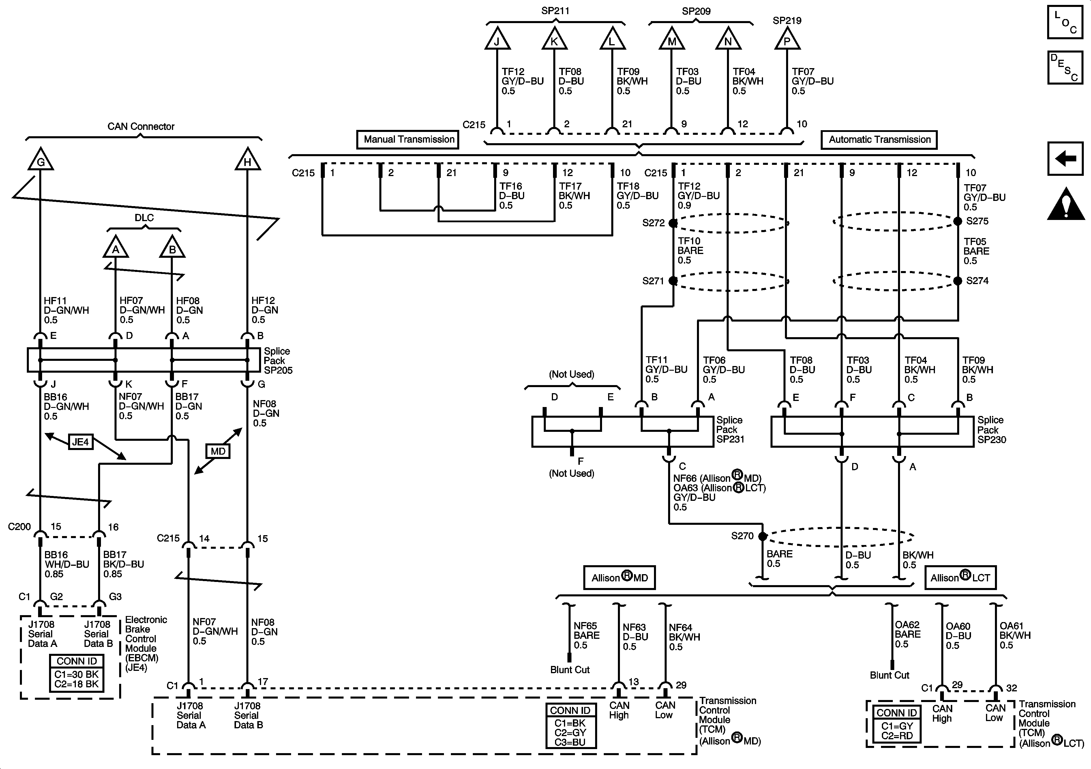
Figure
3:
Splice Packs and Modules 2 of 2
Master Electrical Component List
Data Link Communications Description and Operation
Splice Packs and Modules - 1 of 2
Computer/Integrating Systems Schematic Icons