GM Service Manual Online
For 1990-2009 cars only
Makes
🢒
Isuzu
🢒
2005
🢒
Isuzu MD F-Series
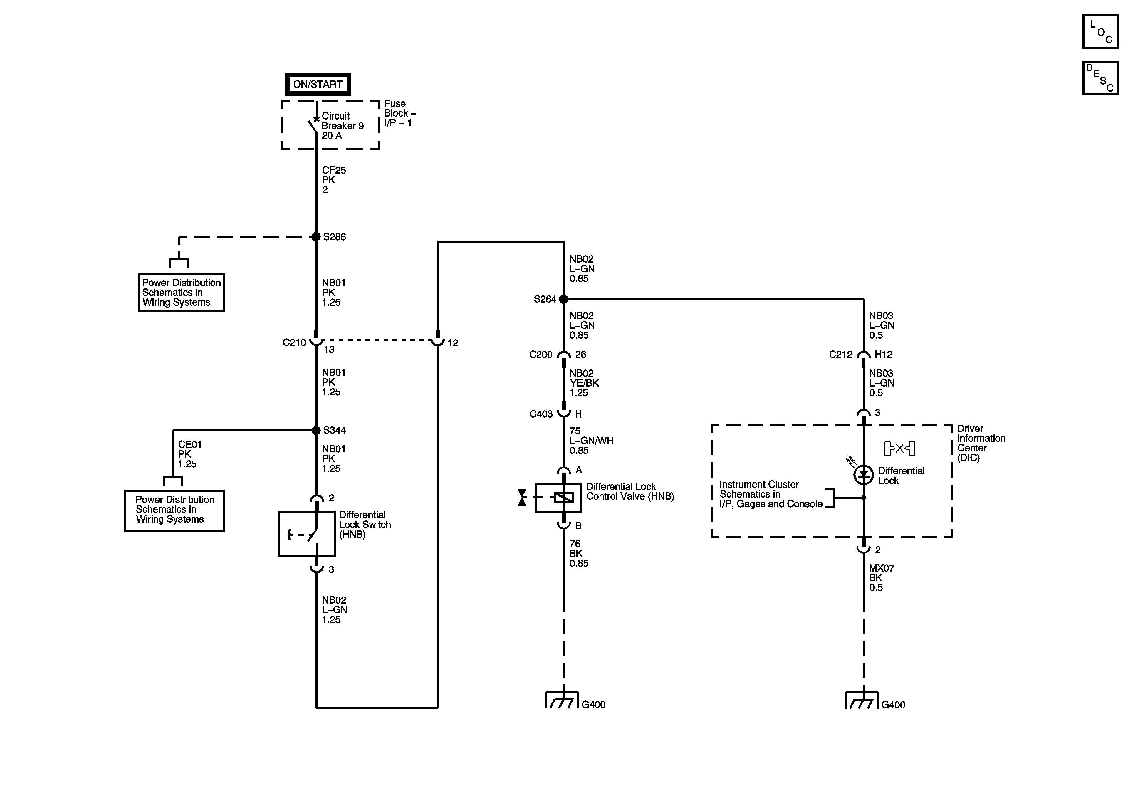
🢒 Differential Lock Schematics
Differential Lock Schematics
Master Electrical Component List
Locking Differential Description and Operation
Fuse Block 1: Fuse 5 and Fuse Block - I/P - 1: Circuit Breakers 5, 9 - 1 of 2 and 10
Fuse Block 1: Fuse 5 and Fuse Block - I/P - 1: Circuit Breakers 5, 9 - 1 of 2 and 10
Fuse Block 1: Fuse 5 and Fuse Block - I/P - 1: Circuit Breakers 5, 9 - 1 of 2 and 10
Grounds G100, G101, G102, G103, G107, G108, G114, G208, G209, G210, G214, G501, G502, G601 and G602 and Splices S103, S109, S152 and S402
Driver Information Center (DIC)
Splices S305 and S500