GM Service Manual Online
For 1990-2009 cars only
Makes
🢒
Isuzu
🢒
2005
🢒
Isuzu MD F-Series
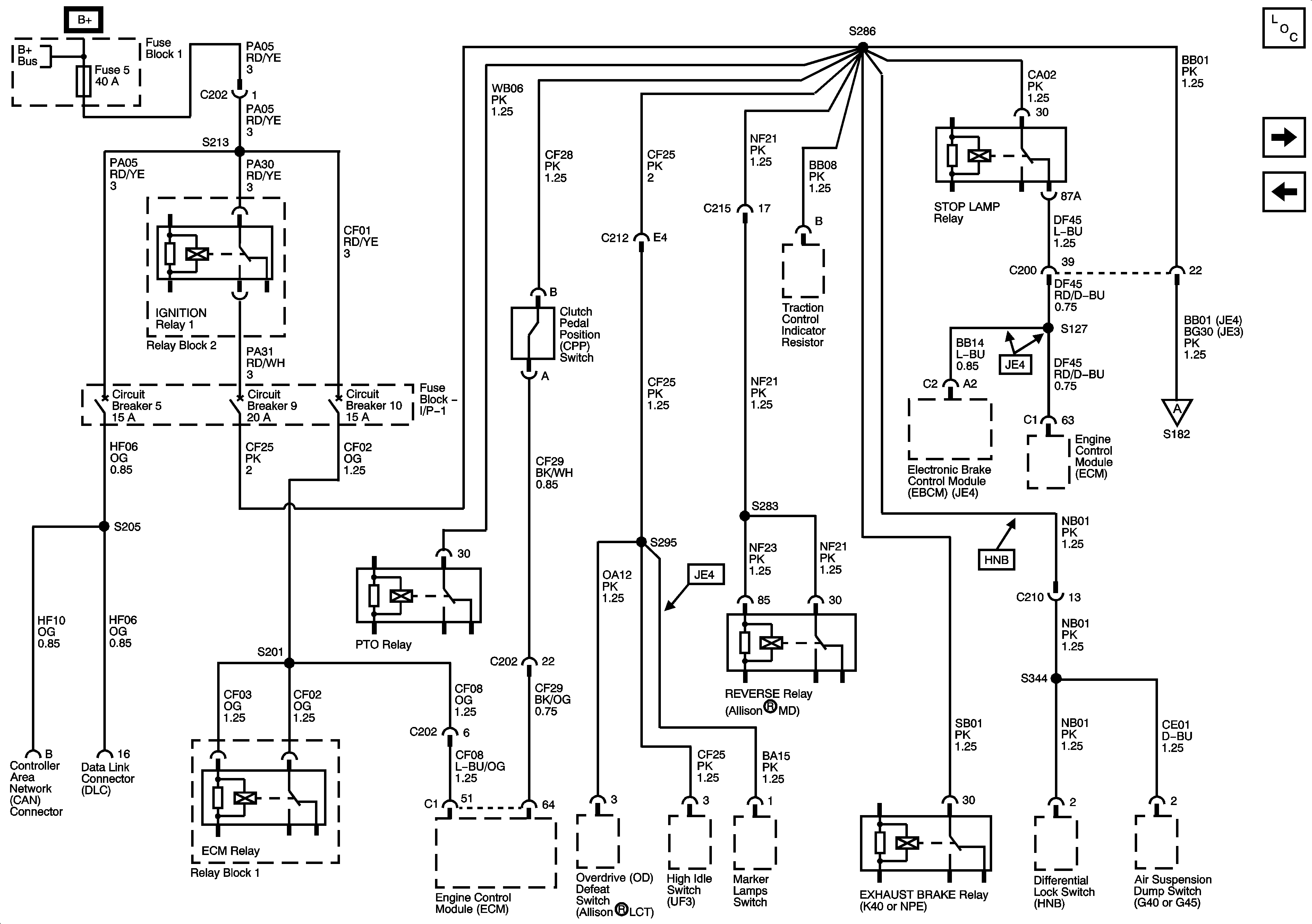
🢒 Fuse Block 1: Fuse 5 and Fuse Block - I/P - 1: Circuit Breakers 5, 9- 1 of 2 and 10
Fuse Block 1: Fuse 5 and Fuse Block - I/P - 1: Circuit Breakers 5, 9- 1 of 2 and 10
Fuse Block 1: Fuse 5 and Fuse Block - I/P - 1: Circuit Breakers 5, 9 - 1 of 2 and 10
Master Electrical Component List
Fuse Block - I/P - 1: Circuit Breaker 9 - 2 of 2
Fuse Block 1: Fuses 3 and 4 and Fuse Block - I/P - 1: Circuit Breakers 12 and 13 and HYDROMAX Fuse
Battery Supply and B+ Bus
Battery Supply and B+ Bus
Fuse Block - I/P - 1: Circuit Breaker 9 - 2 of 2