GM Service Manual Online
For 1990-2009 cars only
Makes
🢒
Isuzu
🢒
2005
🢒
Isuzu MD F-Series
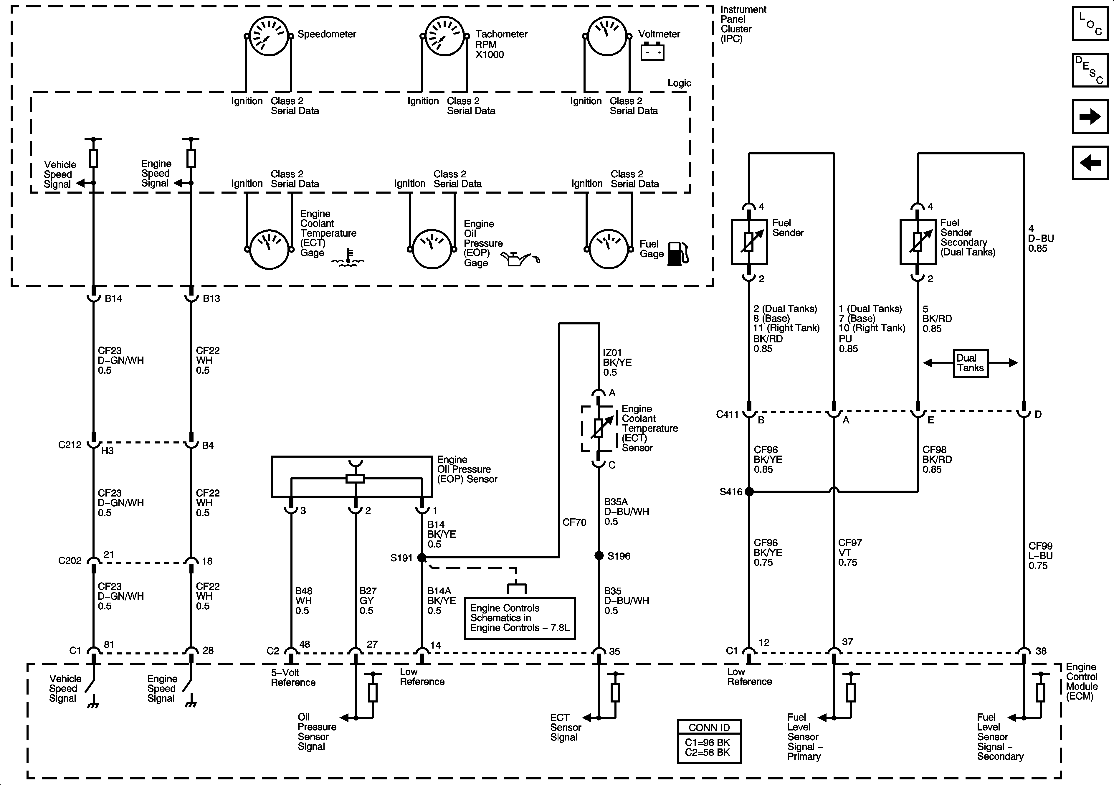
🢒 Gages
Gages
Gages
Master Electrical Component List
Instrument Cluster Description and Operation
Indicators and Illumination
Power, Ground and Serial Data
Engine Data Sensors Pressure, Temperature and Turbocharger Controls 2 of 2