GM Service Manual Online
For 1990-2009 cars only
Makes
🢒
Isuzu
🢒
2005
🢒
Isuzu MD F-Series
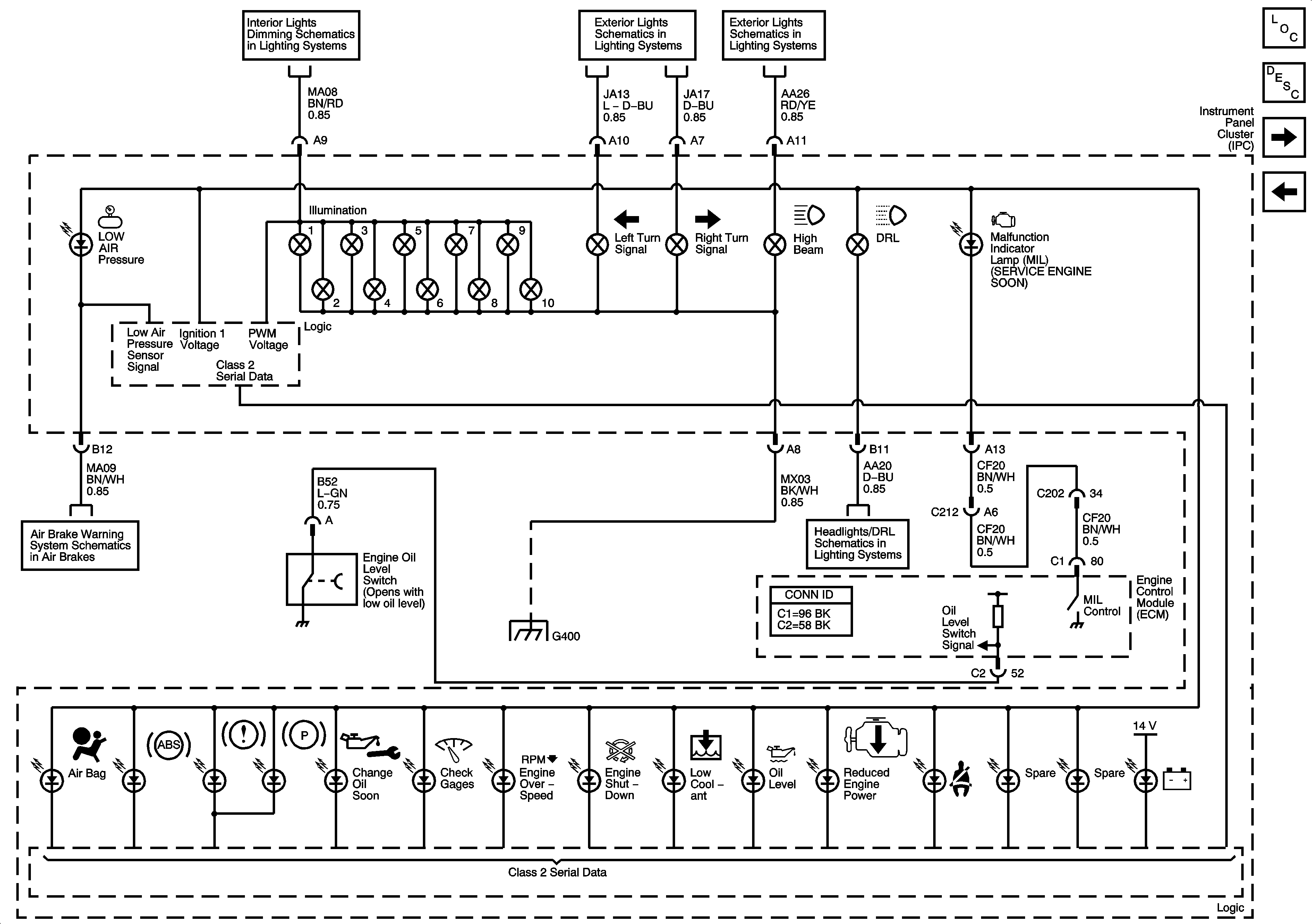
🢒 Indicators and Illumination
Indicators and Illumination
Indicators and Illumination
Master Electrical Component List
Instrument Cluster Description and Operation
Driver Information Center (DIC)
Gages
I/P Dimmer Switch and Splice SP301
Brake Warning Indicators
Batteries, Grounds G400 and G402, Splices S113, S120, S121, S123, S124, S202 and S211 and Splice Pack SP400
2 of 2