GM Service Manual Online
For 1990-2009 cars only
Makes
🢒
Isuzu
🢒
2007
🢒
Isuzu MD F-Series
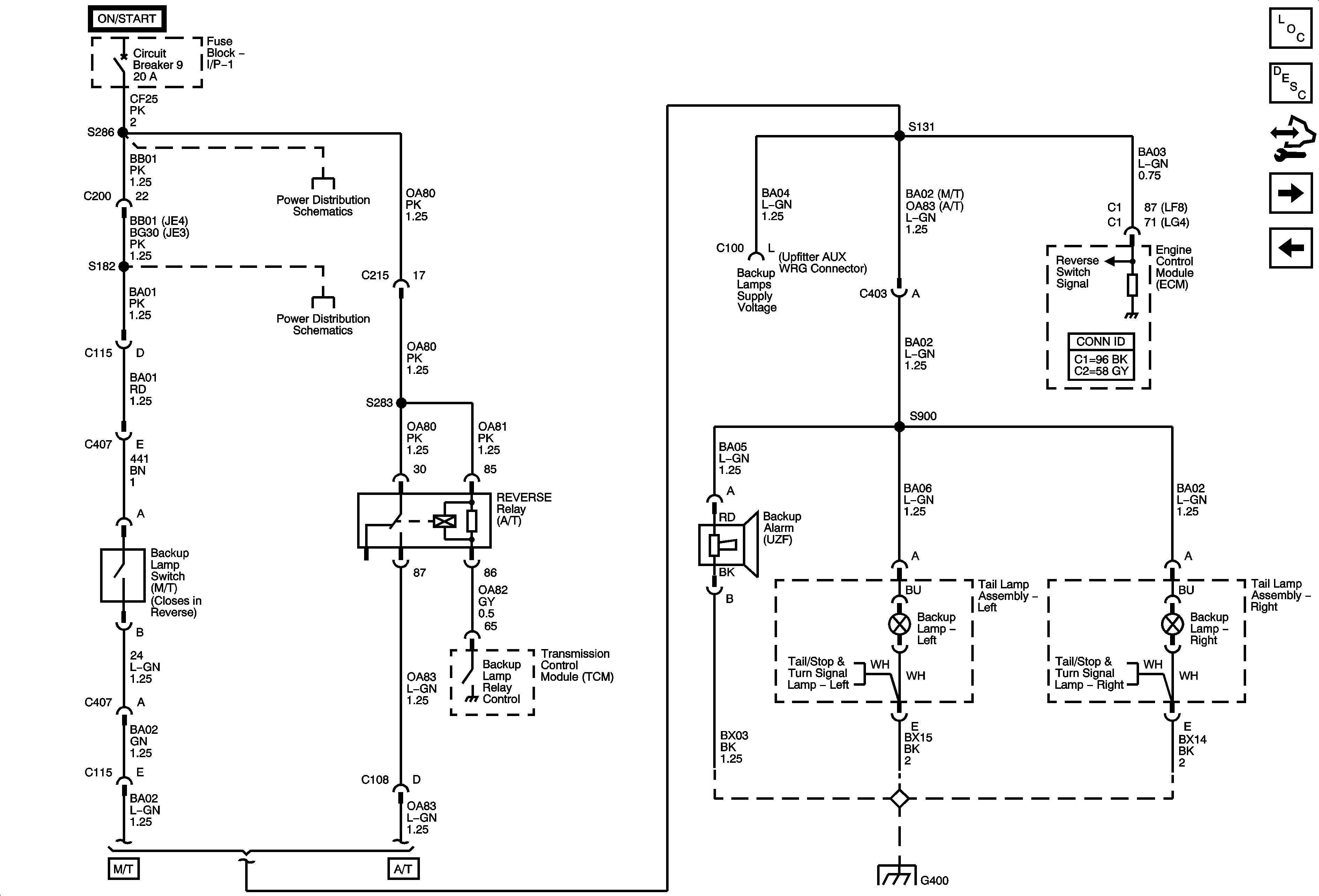
🢒 Backup Lamps and Backup Alarm (UZF)
Backup Lamps and Backup Alarm (UZF)
Backup Lamps and Backup Alarm (UZF)
Master Electrical Component List
Exterior Lighting Systems Description and Operation
Control Module References
Tractor/Trailer Receptacle (JE4, RQ2 and U86 or JE4 and RQ3) and Tractor/Trailer Plug (VPG)
Stop Lamps
Fuse Block 1: Fuse 5 and Fuse Block I/P 1: Circuit Breakers 5, 9 - 1 of 2, and 10
Fuse Block I/P 1: Circuit Breaker 9 - 2 of 2
G100, G101, G102, G107, G114, G208, G209, G210, G214, G400 and G402 - 1 of 8, G501, G502, G601, and G602
Stop Lamps
Stop Lamps