GM Service Manual Online
For 1990-2009 cars only
Makes
🢒
Isuzu
🢒
2007
🢒
Isuzu MD F-Series
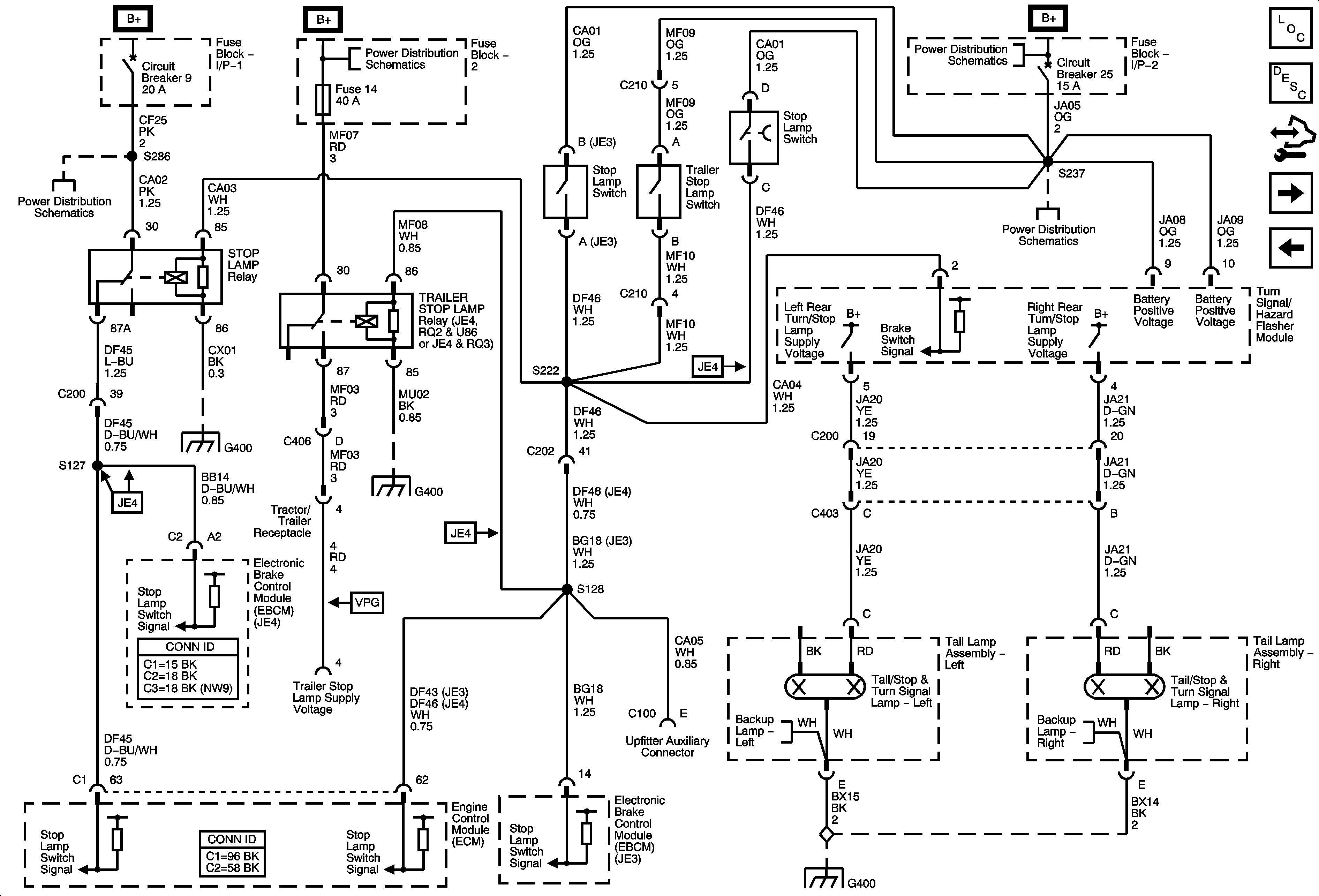
🢒 Stop Lamps
Stop Lamps
Stop Lamps
Master Electrical Component List
Exterior Lighting Systems Description and Operation
Control Module References
Backup Lamps and Backup Alarm (UZF)
Turn Signal/Hazard Lamps - Right
Fuse Block 1: Fuse 5 and Fuse Block I/P 1: Circuit Breakers 5, 9 - 1 of 2, and 10
G400 and G402 - 4 of 8
Battery Supply and B+ Bus
G400 and G402 - 2 of 8
Backup Lamps and Backup Alarm (UZF)
G100, G101, G102, G107, G114, G208, G209, G210, G214, G400 and G402 - 1 of 8, G501, G502, G601, and G602
Fuse Block 2: Fuses 9, 11, 12, 13, and 14, Fuse Block I/P 1: Circuit Breaker 11, and Fuse Block I/P 2: Circuit Breakers 25 and 26
Fuse Block 2: Fuses 9, 11, 12, 13, and 14, Fuse Block I/P 1: Circuit Breaker 11, and Fuse Block I/P 2: Circuit Breakers 25 and 26
G100, G101, G102, G107, G114, G208, G209, G210, G214, G400 and G402 - 1 of 8, G501, G502, G601, and G602
Backup Lamps and Backup Alarm (UZF)