GM Service Manual Online
For 1990-2009 cars only
Makes
🢒
Isuzu
🢒
2007
🢒
Isuzu MD F-Series
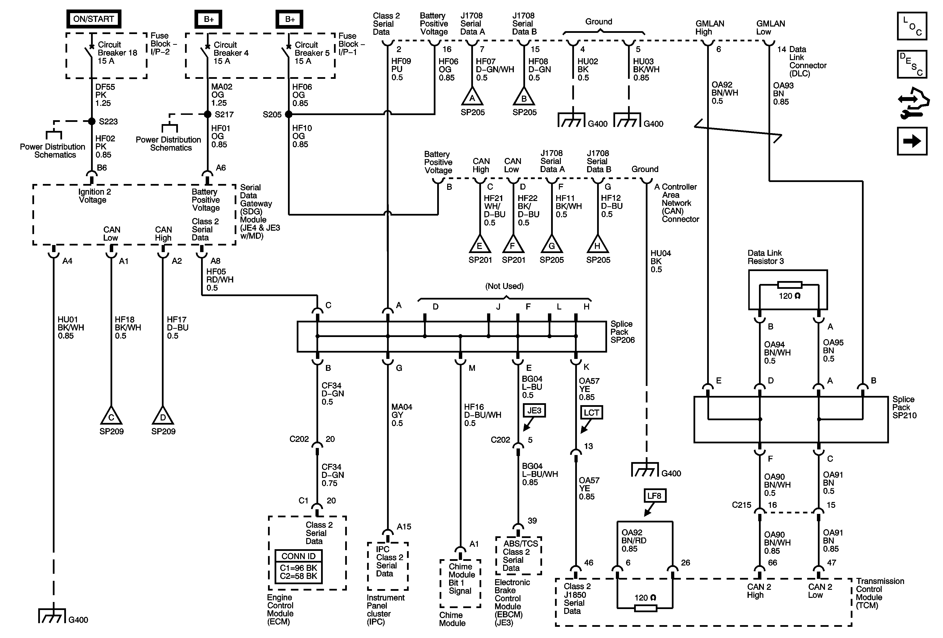
🢒 Controller Area Network (CAN) Connector and Data Link Connector (DLC)
Controller Area Network (CAN) Connector and Data Link Connector (DLC)
Controller Area Network (CAN) Connector and Data Link Connector (DLC)
Master Electrical Component List
Data Link Communications Description and Operation
Control Module References
Splice Packs and Modules - 1 of 2
Fuse Block 1: Fuses 6 and 7, Fuse Block 2: Fuse 8, and Fuse Block I/P 2: Circuit Breakers 17, 18, 20, 21, 22, and 24
Fuse Block 1: Fuse 2 and Fuse Block I/P 1: Circuit Breakers 4, 7, and 8
Splice Packs and Modules - 3 of 3
G400 and G402 - 6 of 8
G400 and G402 - 8 of 8
Splice Packs and Modules - 1 of 2
Splice Packs and Modules - 3 of 3
Splice Packs and Modules - 1 of 2
G400 and G402 - 8 of 8
G400 and G402 - 6 of 8