GM Service Manual Online
For 1990-2009 cars only
Makes
🢒
Isuzu
🢒
2007
🢒
Isuzu MD F-Series
🢒 Splice Packs and Modules - 1 of 2
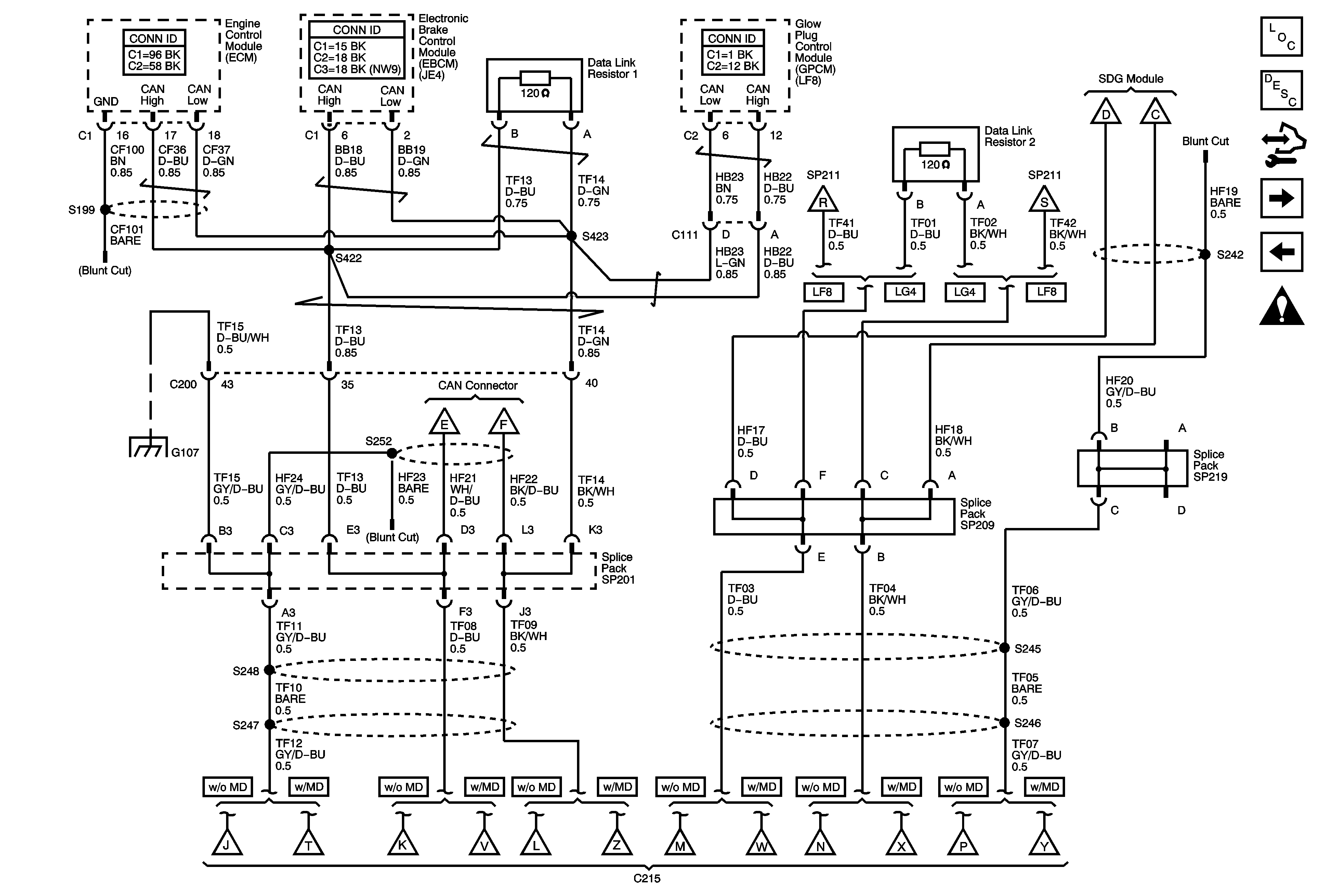
Splice Packs and Modules - 1 of 2
Splice Packs and Modules - 1 of 3
Master Electrical Component List
Data Link Communications Description and Operation
Control Module References
Splice Packs and Modules - 2 of 2
Controller Area Network (CAN) Connector and Data Link Connector (DLC)
Splice Packs and Modules - 2 of 2
Splice Packs and Modules - 2 of 2
Data Communication Schematic Icons
Controller Area Network (CAN) Connector and Data Link Connector (DLC)
G100, G101, G102, G107, G114, G208, G209, G210, G214, G400 and G402 - 1 of 8, G501, G502, G601, and G602
Controller Area Network (CAN) Connector and Data Link Connector (DLC)
Splice Packs and Modules - 2 of 2
Splice Packs and Modules - 3 of 3
Splice Packs and Modules - 2 of 2
Splice Packs and Modules - 3 of 3
Splice Packs and Modules - 2 of 2
Splice Packs and Modules - 3 of 3
Splice Packs and Modules - 2 of 2
Splice Packs and Modules - 3 of 3
Splice Packs and Modules - 2 of 2
Splice Packs and Modules - 3 of 3
Splice Packs and Modules - 2 of 2
Splice Packs and Modules - 3 of 3