GM Service Manual Online
For 1990-2009 cars only
Makes
🢒
Isuzu
🢒
2007
🢒
Isuzu MD F-Series
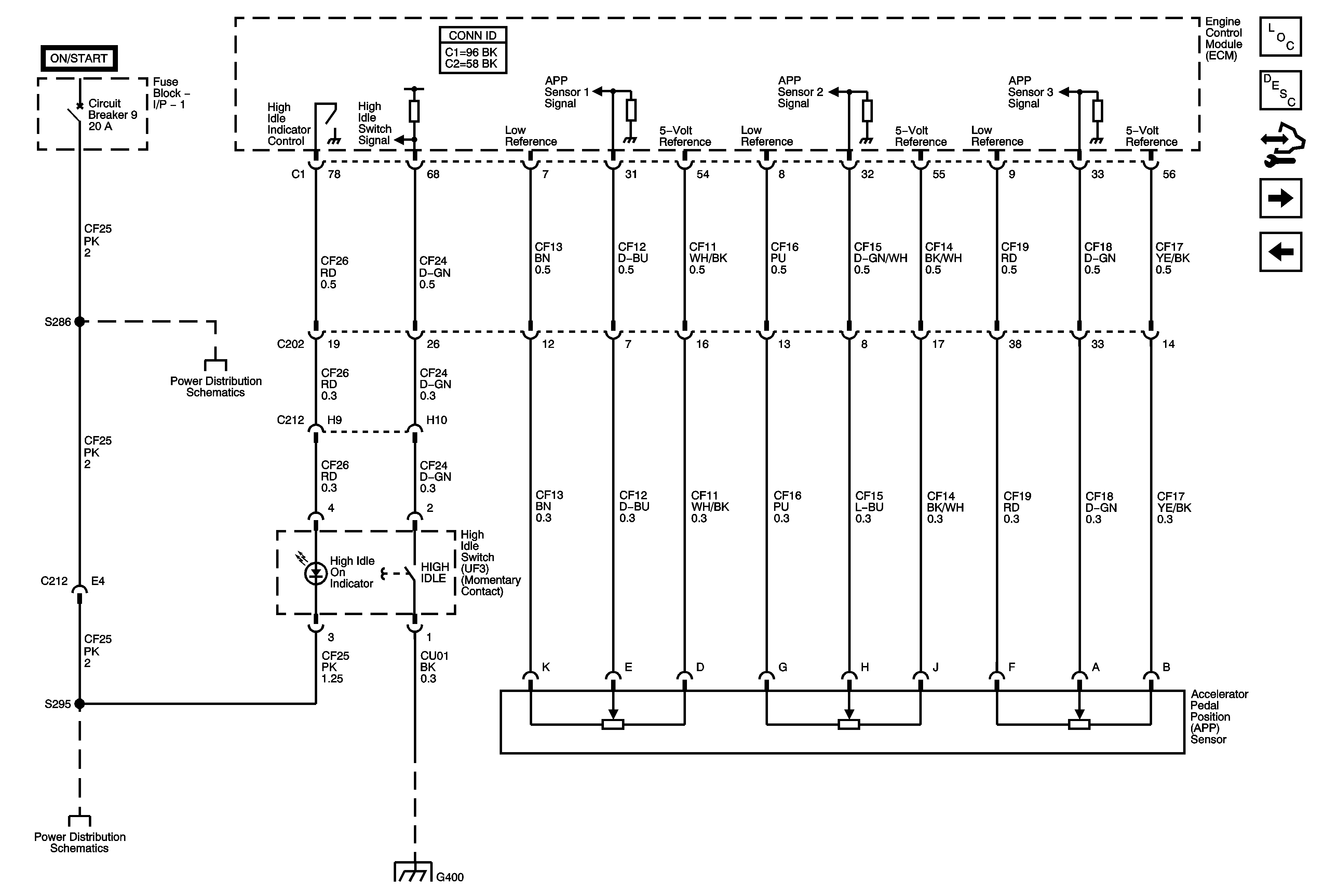
🢒 Engine Data Sensors - Pedal Position, High Idle Switch
Engine Data Sensors - Pedal Position, High Idle Switch
Engine Data Sensors - Pedal Position, High Idle Switch
Master Electrical Component List
Engine Control Component Description
Control Module References
Engine Data Sensors - VSS and Injection Timing Controls
Engine Data Sensors - Pressure, Temperature, and Turbocharger Controls
Fuse Block 1: Fuse 5 and Fuse Block I/P 1: Circuit Breakers 5, 9 - 1 of 2, and 10
G400 and G402 - 3 of 8
Fuse Block 1: Fuse 5 and Fuse Block I/P 1: Circuit Breakers 5, 9 - 1 of 2, and 10