GM Service Manual Online
For 1990-2009 cars only
Makes
🢒
Isuzu
🢒
2007
🢒
Isuzu MD F-Series
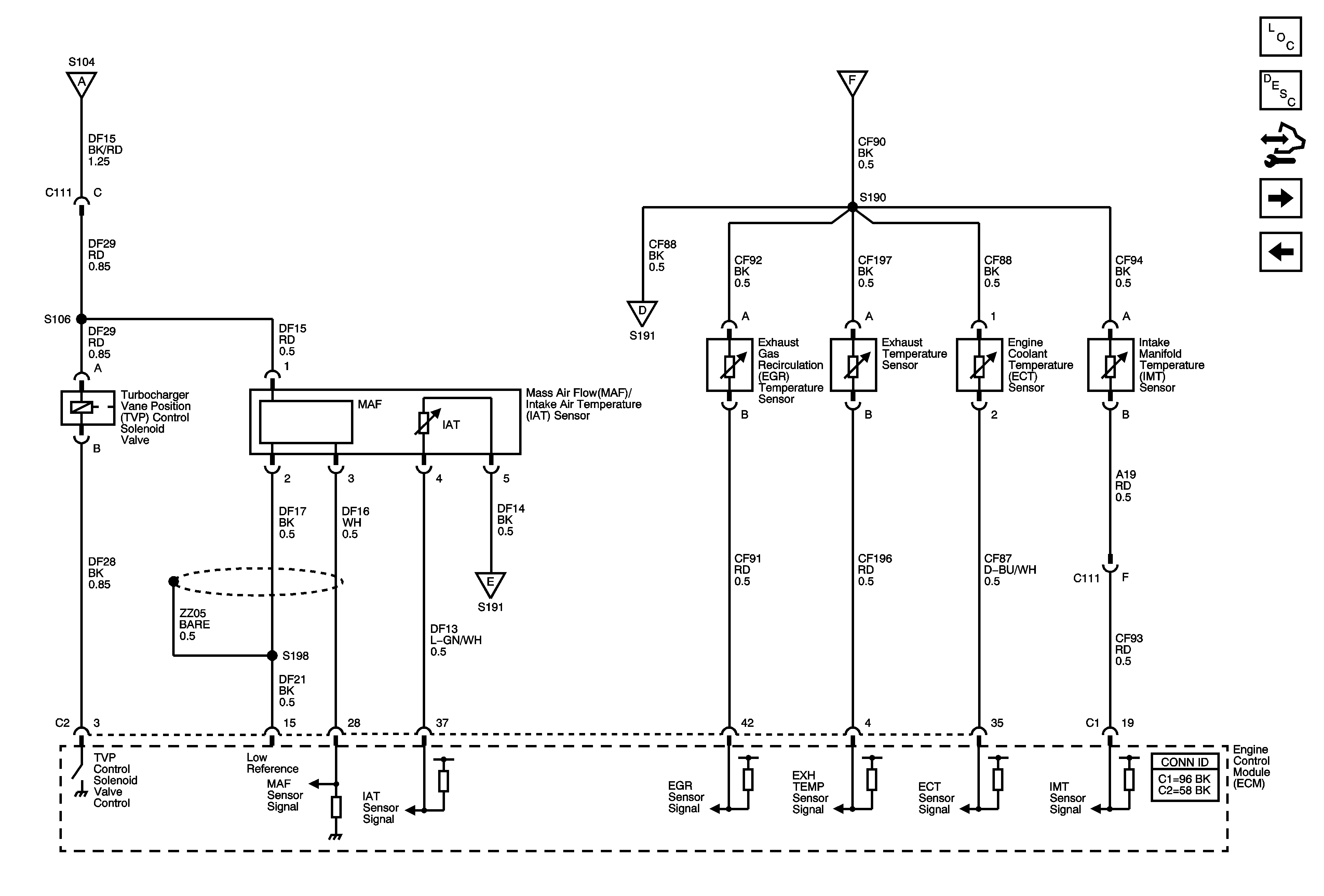
🢒 Engine Data Sensors - Pressure, Temperature, and Turbocharger Controls
Engine Data Sensors - Pressure, Temperature, and Turbocharger Controls
Engine Data Sensors - Pressure, Temperature, and Turbocharger Controls - 2 of 2
Master Electrical Component List
Engine Control Component Description
Control Module References
Engine Data Sensors - Pedal Position, High Idle Switch
Engine Data Sensors - Pressure, Turbocharger Controls, and Intake Throttle
Module Power, Ground, Serial Data, and MIL
Engine Data Sensors - EGR Valve and Glow Plug Controls
Engine Data Sensors - EGR Valve and Glow Plug Controls
Fuel Controls - Suction Control Valve, Water-In-Fuel/Fuel Temperature Sensors