GM Service Manual Online
For 1990-2009 cars only
Makes
🢒
Isuzu
🢒
2007
🢒
Isuzu MD F-Series
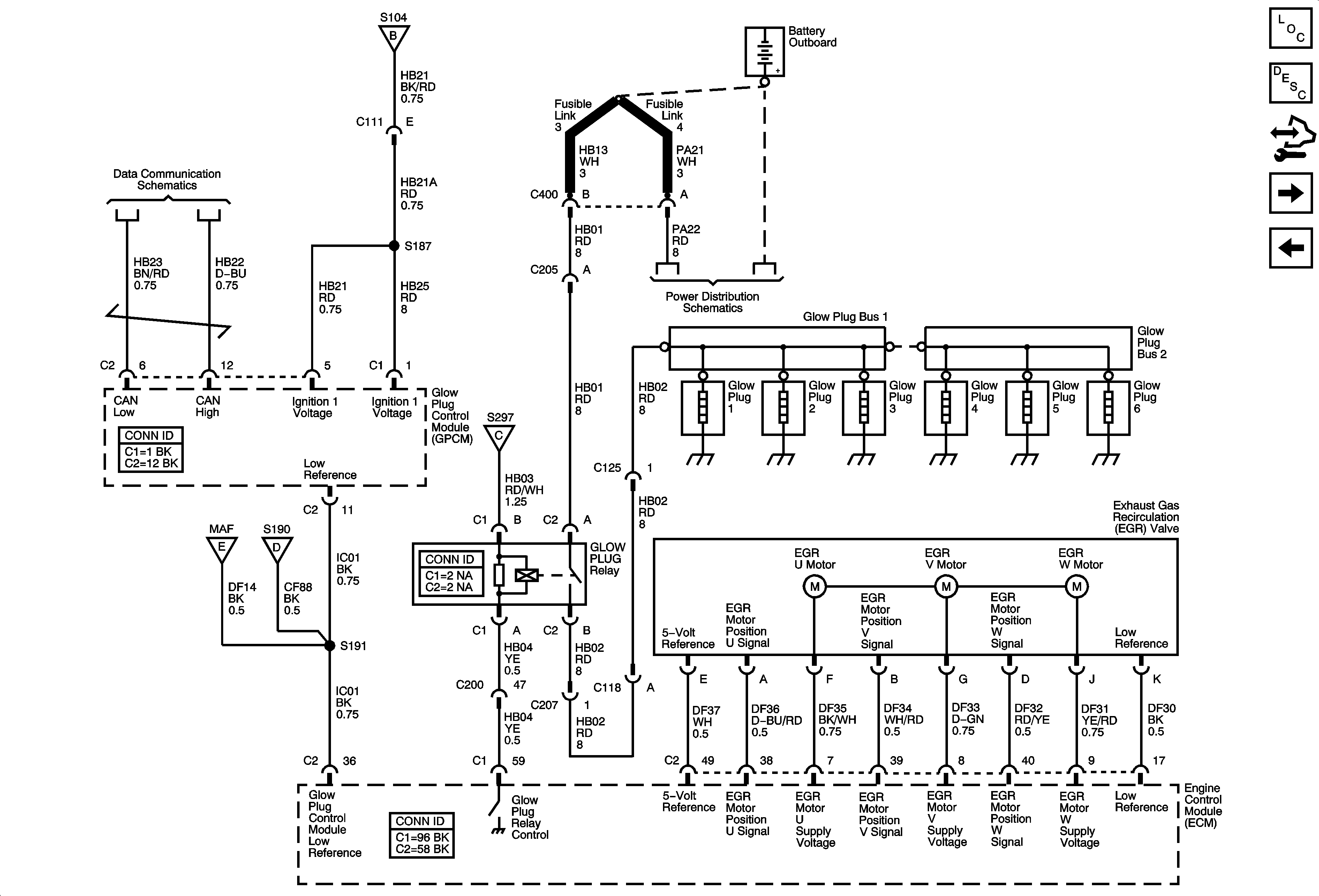
🢒 Engine Data Sensors - EGR Valve and Glow Plug Controls
Engine Data Sensors - EGR Valve and Glow Plug Controls
Engine Data Sensors - EGR Valve and Glow Plug Controls
Master Electrical Component List
Glow Plug System Description
Control Module References
Fuel Controls - Suction Control Valve, Water-In-Fuel/Fuel Temperature Sensors
Engine Data Sensors - VSS and Injection Timing Controls
Splice Packs and Modules - 1 of 2
Engine Data Sensors - Pressure, Temperature, and Turbocharger Controls
Module Power, Ground, Serial Data, and MIL
Module Power, Ground, Serial Data, and MIL
Battery Supply and B+ Bus