GM Service Manual Online
For 1990-2009 cars only
Makes
🢒
Isuzu
🢒
2007
🢒
Isuzu MD F-Series
🢒 Fuel Controls - Fuel Injectors
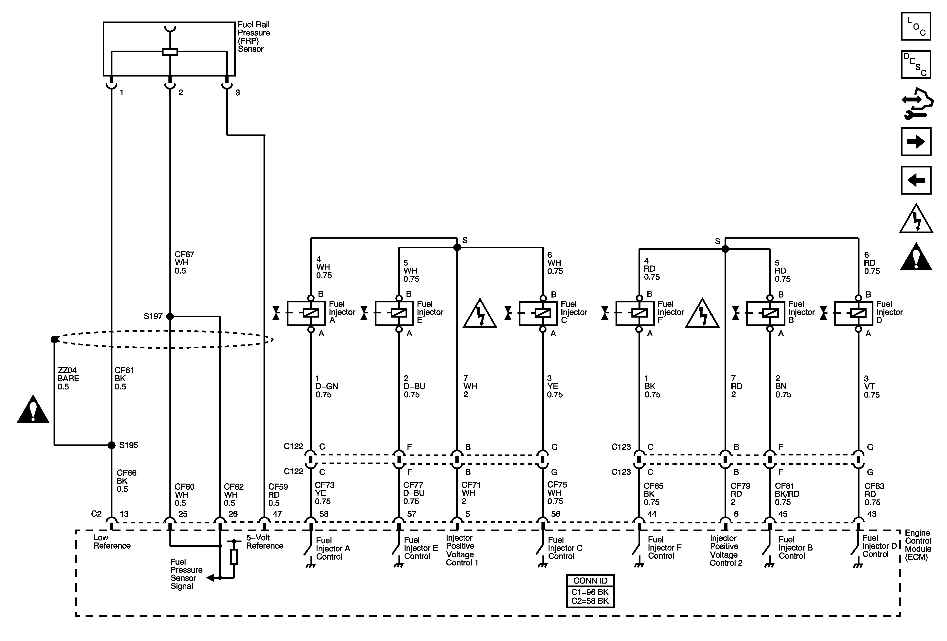
Fuel Controls - Fuel Injectors
Fuel Controls - Fuel Injectors
Master Electrical Component List
Fuel System Description
Control Module References
Controlled/Monitored Subsystem References
DPF Sensor, Exhaust Temperature Sensors,Exhaust Brake/Throttle Solenoid
Engine Controls Schematic Icons