GM Service Manual Online
For 1990-2009 cars only

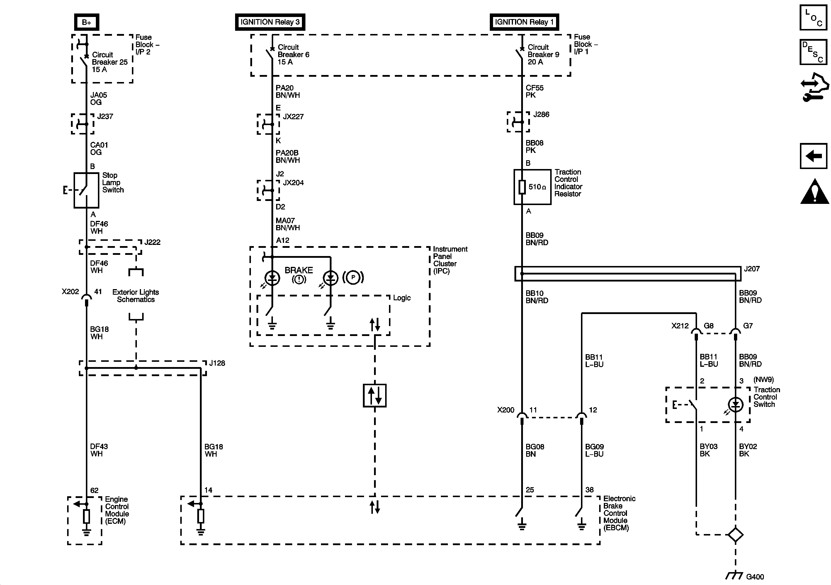
Driver Information Center (DIC), Electronic Brake Control Module (EBCM), Instrument Panel Cluster (IPC), Park Brake and Stop Lamp Switches, and Wheel Speed Sensors (WSS)

Driver Information Center (DIC), Electronic Brake Control Module (EBCM), Instrument Panel Cluster (IPC), Park Brake and Stop Lamp Switches, and Wheel Speed Sensors (WSS)


Object Number: 1903856  Size: FS
Master Electrical Component List
ABS Description and Operation
Control Module References
Electronic Brake Control Module (EBCM), Power Brake (P/B) Booster Pump Motor, Relays and Switches
Master Electrical Schematic Icons
Fuse Block 2: Fuses 9, 11, 12, 13, and 14, Fuse Block I/P 1: Circuit Breaker 11, and Fuse Block I/P 2: Circuit Breakers 25 and 26
Fuse Block 2: Fuses 9, 11, 12, 13, and 14, Fuse Block I/P 1: Circuit Breaker 11, and Fuse Block I/P 2: Circuit Breakers 25 and 26
Stop Lamps
Fuse Block I/P 1: Circuit Breaker 6
Fuse Block I/P 1: Circuit Breaker 6
Fuse Block I/P 1: Circuit Breaker 6
Indicators and Illumination
Fuse Block 1: Fuse 5 and Fuse Block I/P 1: Circuit Breakers 5, 9 - 1 of 2, and 10
Fuse Block 1: Fuse 5 and Fuse Block I/P 1: Circuit Breakers 5, 9 - 1 of 2, and 10
Controller Area Network (CAN) Connector and Data Link Connector (DLC)
G400 - 3 of 8