GM Service Manual Online
For 1990-2009 cars only
Makes
🢒
Isuzu
🢒
2008
🢒
Isuzu MD F-Series
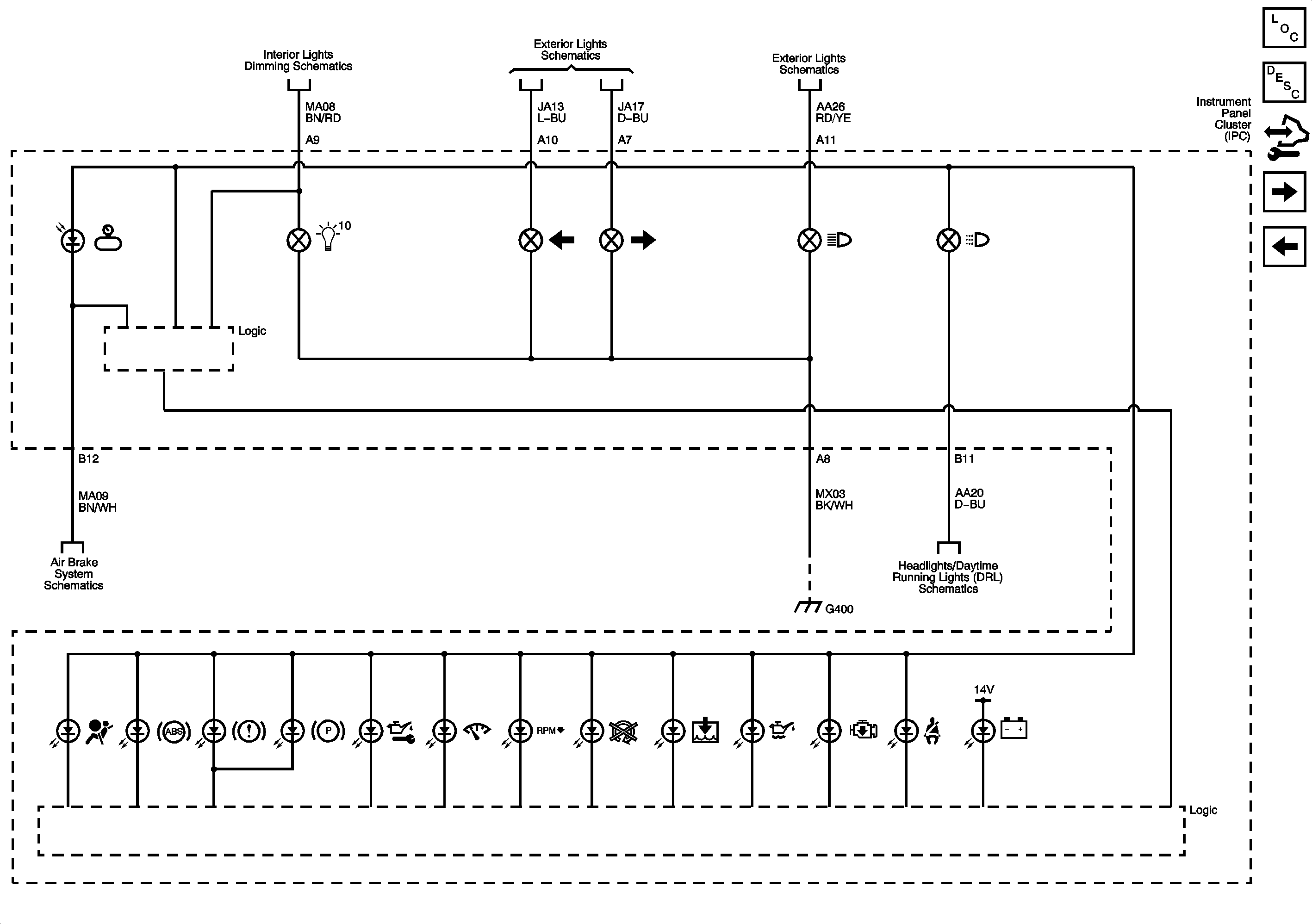
🢒 Indicators and Illumination
Indicators and Illumination
Indicators and Illumination
Master Electrical Component List
Indicator/Warning Message Description and Operation
Control Module References
Driver Information Center (DIC)
Gages
Brake Warning Indicators
I/P Dimmer Switch and Splice J321
Turn Signal/Hazard Lamps Left
Turn Signal/Hazard Lamps Right
Headlights/Daytime Running Lights 2 of 2
G402 and G400 - 8 of 8
Headlights/Daytime Running Lights 2 of 2