GM Service Manual Online
For 1990-2009 cars only
Makes
🢒
Isuzu
🢒
2008
🢒
Isuzu MD F-Series
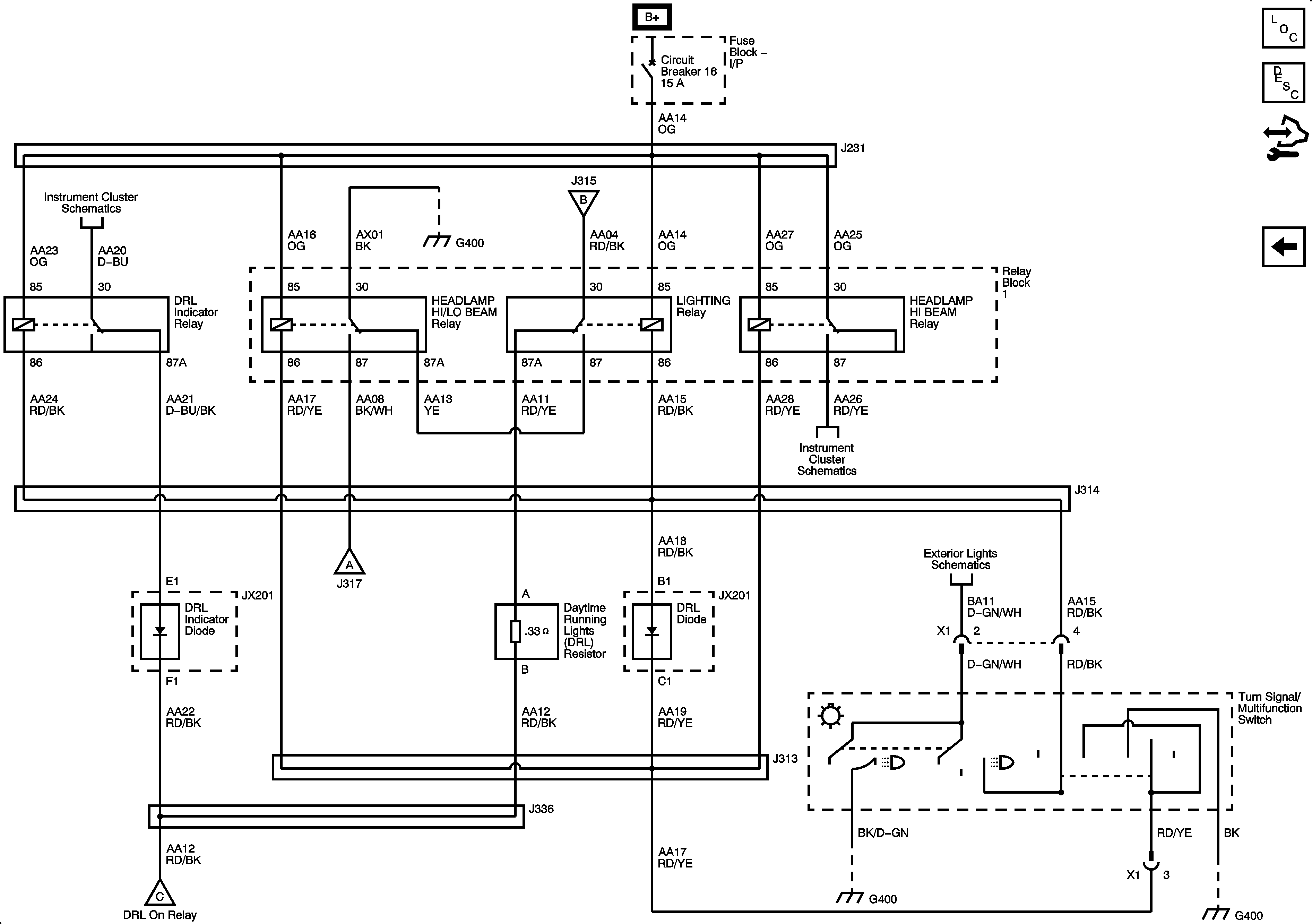
🢒 Headlights/Daytime Running Lights 2 of 2
Headlights/Daytime Running Lights 2 of 2
Headlights/Daytime Running Lights 2 of 2
Master Electrical Component List
Exterior Lighting Systems Description and Operation
Control Module References
Headlights/Daytime Running Lights 1 of 2
Fuse Block 1: Fuse 1 and Fuse Block I/P 2: Circuit Breakers 14, 15, 16, and 19
Indicators and Illumination
Headlights/Daytime Running Lights 1 of 2
Headlights/Daytime Running Lights 1 of 2
G400 - 7 of 8
Headlights/Daytime Running Lights 1 of 2
Indicators and Illumination
Clearance, Identification and Marker Lamps 1 of 2
G400 - 6 of 8
G400 - 6 of 8