GM Service Manual Online
For 1990-2009 cars only
Makes
🢒
Isuzu
🢒
2008
🢒
Isuzu MD F-Series
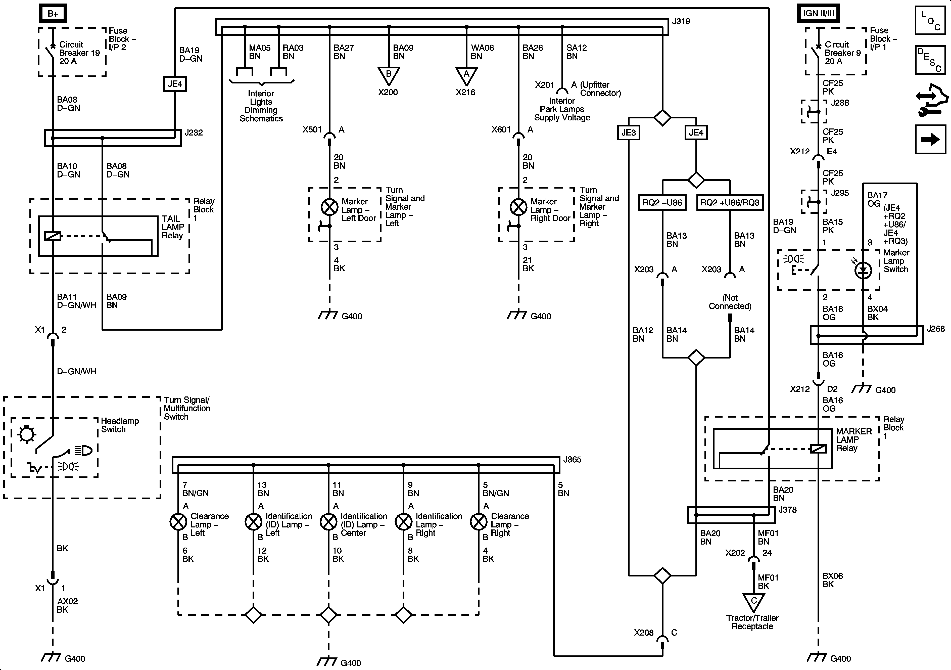
🢒 Clearance, Identification and Marker Lamps 1 of 2
Clearance, Identification and Marker Lamps 1 of 2
Clearance, Identification and Marker Lamps 1 of 2
Master Electrical Component List
Exterior Lighting Systems Description and Operation
Control Module References
Clearance, Identification and Marker Lamps 2 of 2
Fuse Block 1: Fuse 1 and Fuse Block I/P 2: Circuit Breakers 14, 15, 16, and 19
G400 - 6 of 8
I/P Dimmer Switch and Splice J321
Turn Signal/Hazard Lamps Left
G400 - 6 of 8
G400 - 4 of 8
Park and Tail Lamps
Clearance, Identification and Marker Lamps 2 of 2
Turn Signal/Hazard Lamps Right
G400 - 4 of 8
Tractor/Trailer Receptacle (JE4, RQ2 and U86 or JE4 and RQ3) and Tractor/Trailer Plug (VPG)
Fuse Block 1: Fuse 5 and Fuse Block I/P 1: Circuit Breakers 5, 9 - 1 of 2, and 10
Fuse Block 1: Fuse 5 and Fuse Block I/P 1: Circuit Breakers 5, 9 - 1 of 2, and 10
Fuse Block 1: Fuse 5 and Fuse Block I/P 1: Circuit Breakers 5, 9 - 1 of 2, and 10
G400 - 3 of 8
G400 - 4 of 8