GM Service Manual Online
For 1990-2009 cars only
Makes
🢒
Isuzu
🢒
2008
🢒
Isuzu MD F-Series
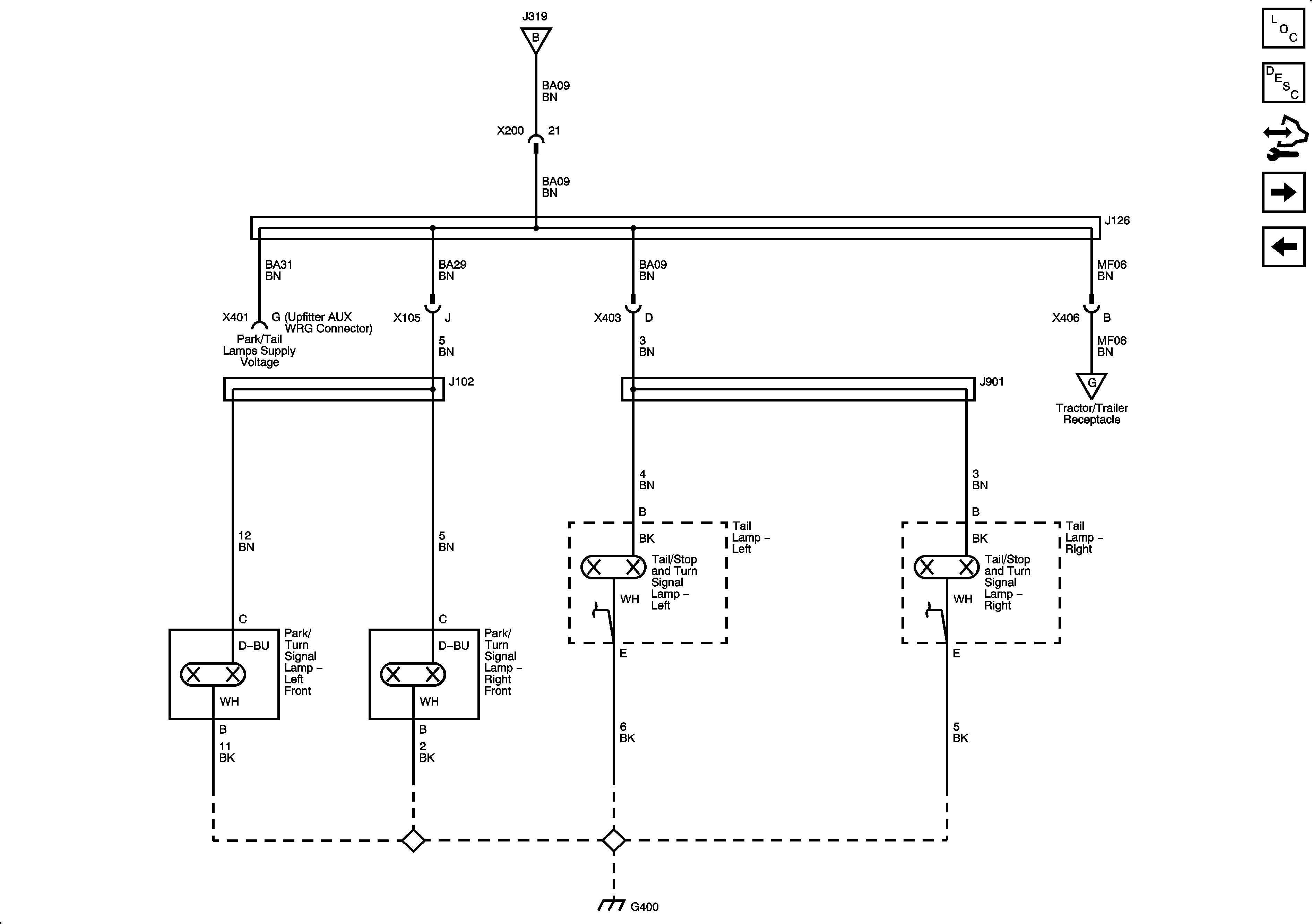
🢒 Park and Tail Lamps
Park and Tail Lamps
Park and Tail Lamps
Master Electrical Component List
Exterior Lighting Systems Description and Operation
Control Module References
Clearance, Identification and Marker Lamps 2 of 2
Turn Signal/Hazard Lamps Left
Clearance, Identification and Marker Lamps 1 of 2
Turn Signal/Hazard Lamps Left
Turn Signal/Hazard Lamps Right
Ground Distribution Schematics
Tractor/Trailer Receptacle (JE4, RQ2 and U86 or JE4 and RQ3) and Tractor/Trailer Plug (VPG)