GM Service Manual Online
For 1990-2009 cars only
Makes
🢒
Isuzu
🢒
2008
🢒
Isuzu MD F-Series
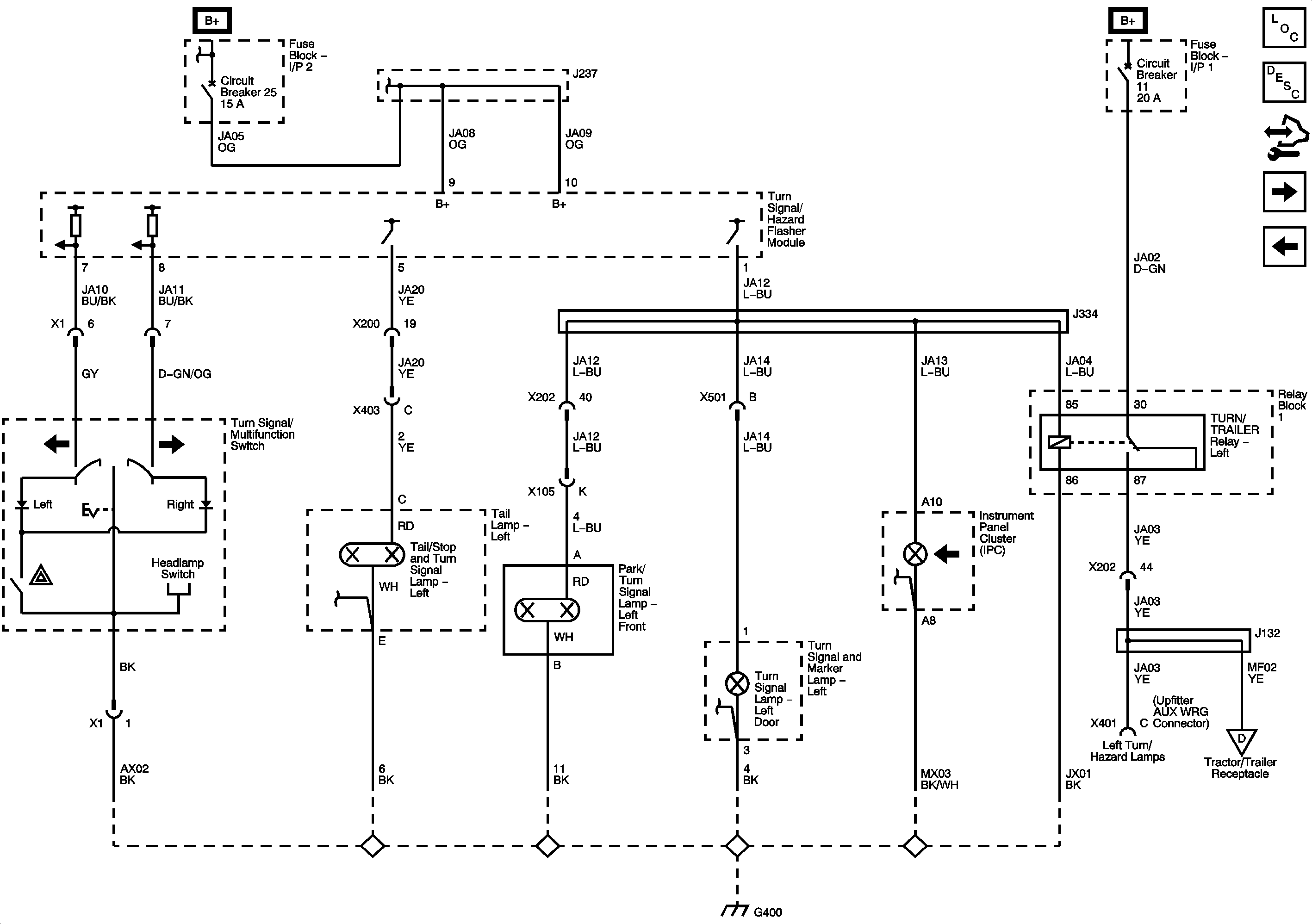
🢒 Turn Signal/Hazard Lamps Left
Turn Signal/Hazard Lamps Left
Turn Signal/Hazard Lamps - Left
Master Electrical Component List
Exterior Lighting Systems Description and Operation
Control Module References
Park and Tail Lamps
Turn Signal/Hazard Lamps Right
Fuse Block 2: Fuses 9, 11, 12, 13, and 14, Fuse Block I/P 1: Circuit Breaker 11, and Fuse Block I/P 2: Circuit Breakers 25 and 26
Fuse Block 2: Fuses 9, 11, 12, 13, and 14, Fuse Block I/P 1: Circuit Breaker 11, and Fuse Block I/P 2: Circuit Breakers 25 and 26
Clearance, Identification and Marker Lamps 1 of 2
Park and Tail Lamps
Clearance, Identification and Marker Lamps 1 of 2
Ground Distribution Schematics
Indicators and Illumination
Fuse Block 2: Fuses 9, 11, 12, 13, and 14, Fuse Block I/P 1: Circuit Breaker 11, and Fuse Block I/P 2: Circuit Breakers 25 and 26
Tractor/Trailer Receptacle (JE4, RQ2 and U86 or JE4 and RQ3) and Tractor/Trailer Plug (VPG)