GM Service Manual Online
For 1990-2009 cars only
Makes
🢒
Isuzu
🢒
2008
🢒
Isuzu MD F-Series
🢒 Gages
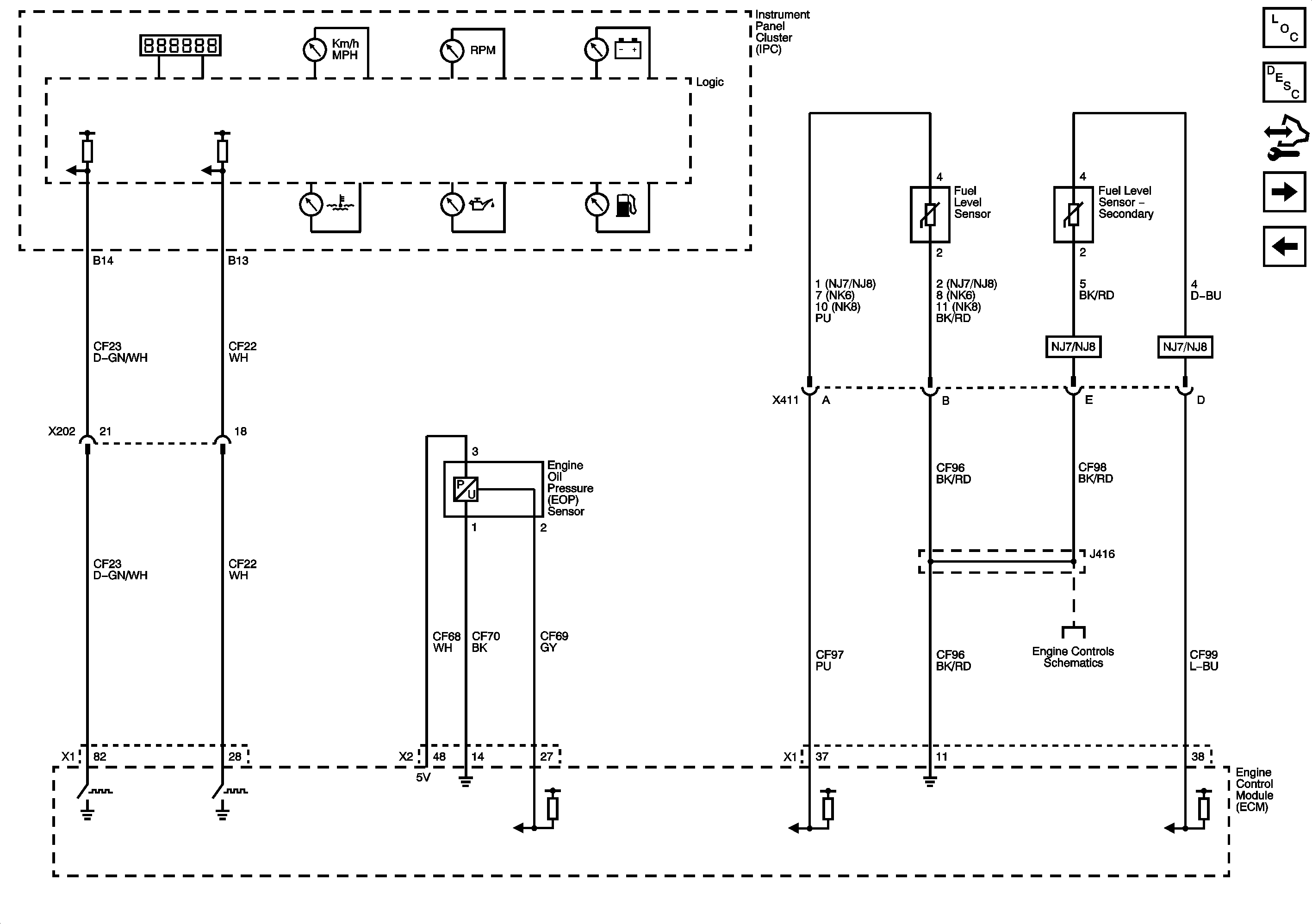
Gages
Gages
Master Electrical Component List
Instrument Cluster Description and Operation
Control Module References
Indicators and Illumination
Power, Ground, and Serial Data
DPF Sensor, Exhaust Temperature Sensors, Exhaust Brake/Throttle Solenoid