GM Service Manual Online
For 1990-2009 cars only
Makes
🢒
Isuzu
🢒
2008
🢒
Isuzu MD F-Series
🢒 Power, Ground, and Serial Data
Power, Ground, and Serial Data
Power, Ground, and Serial Data
Master Electrical Component List
Instrument Cluster Description and Operation
Control Module References
Gages
Module Power, Ground, Serial Data, and MIL
Module Power, Ground, Serial Data, and MIL
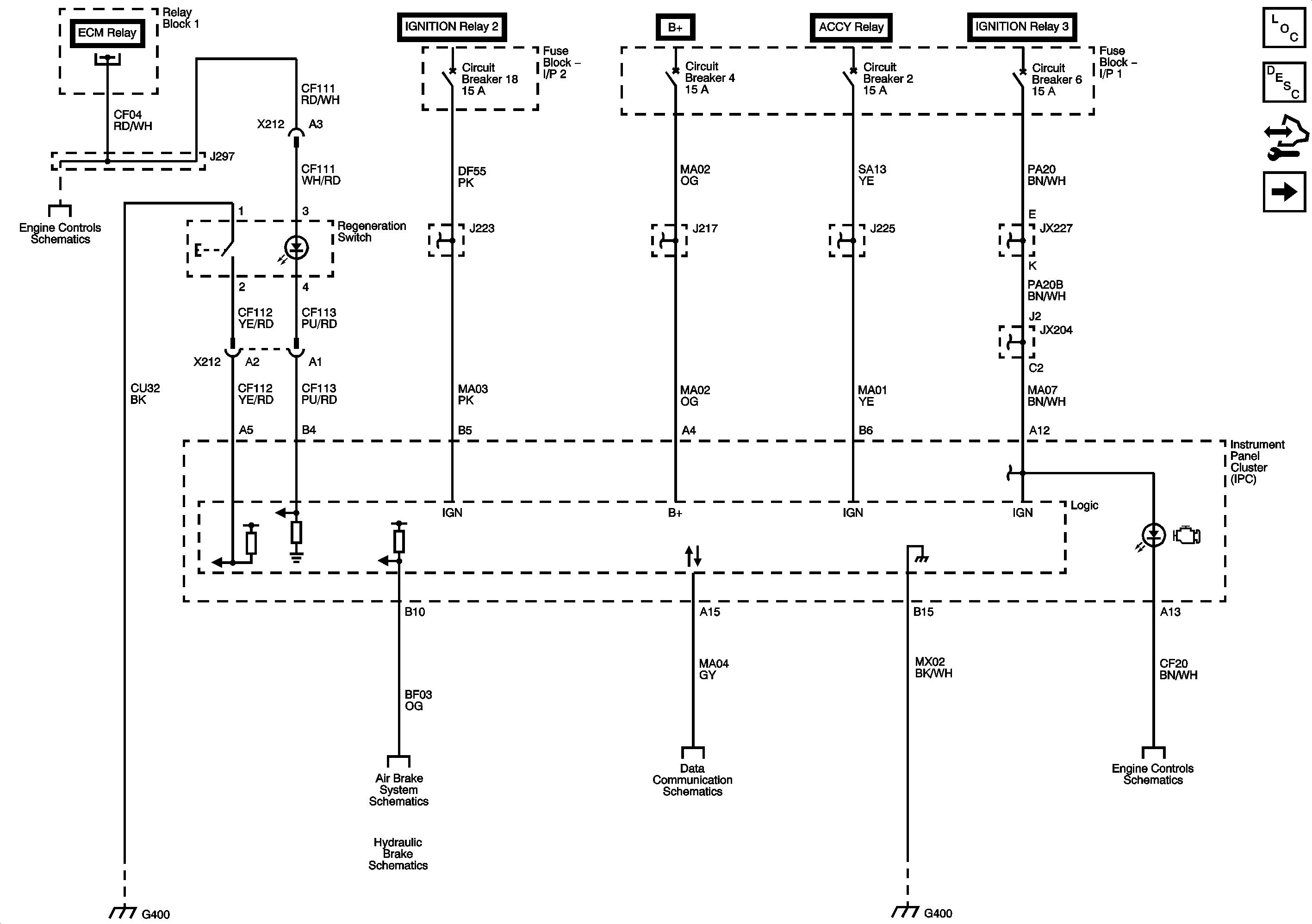
G400 - 3 of 8
Fuse Block 1: Fuses 6 and 7, Fuse Block 2: Fuse 8, and Fuse Block I/P 2: Circuit Breakers 17, 18, 20, 21, 22, and 24
Fuse Block 1: Fuses 6 and 7, Fuse Block 2: Fuse 8, and Fuse Block I/P 2: Circuit Breakers 17, 18, 20, 21, 22, and 24
Brake Warning Indicators
Brake Controls, Park Brake Switch
Fuse Block I/P 1: Circuit Breaker 6
Fuse Block I/P 1: Circuit Breaker 6
Fuse Block I/P 1: Circuit Breaker 6
Controller Area Network (CAN) Connector and Data Link Connector (DLC)
Fuse Block 1: Fuse 2 and Fuse Block I/P 1: Circuit Breakers 4, 7, and 8
Fuse Block 1: Fuse 2 and Fuse Block I/P 1: Circuit Breakers 4, 7, and 8
G402 and G400 - 8 of 8
Fuse Block I/P 1: Circuit Breakers 2 and 3
Fuse Block I/P 1: Circuit Breakers 2 and 3