GM Service Manual Online
For 1990-2009 cars only
Makes
🢒
Isuzu
🢒
2008
🢒
Isuzu MD F-Series
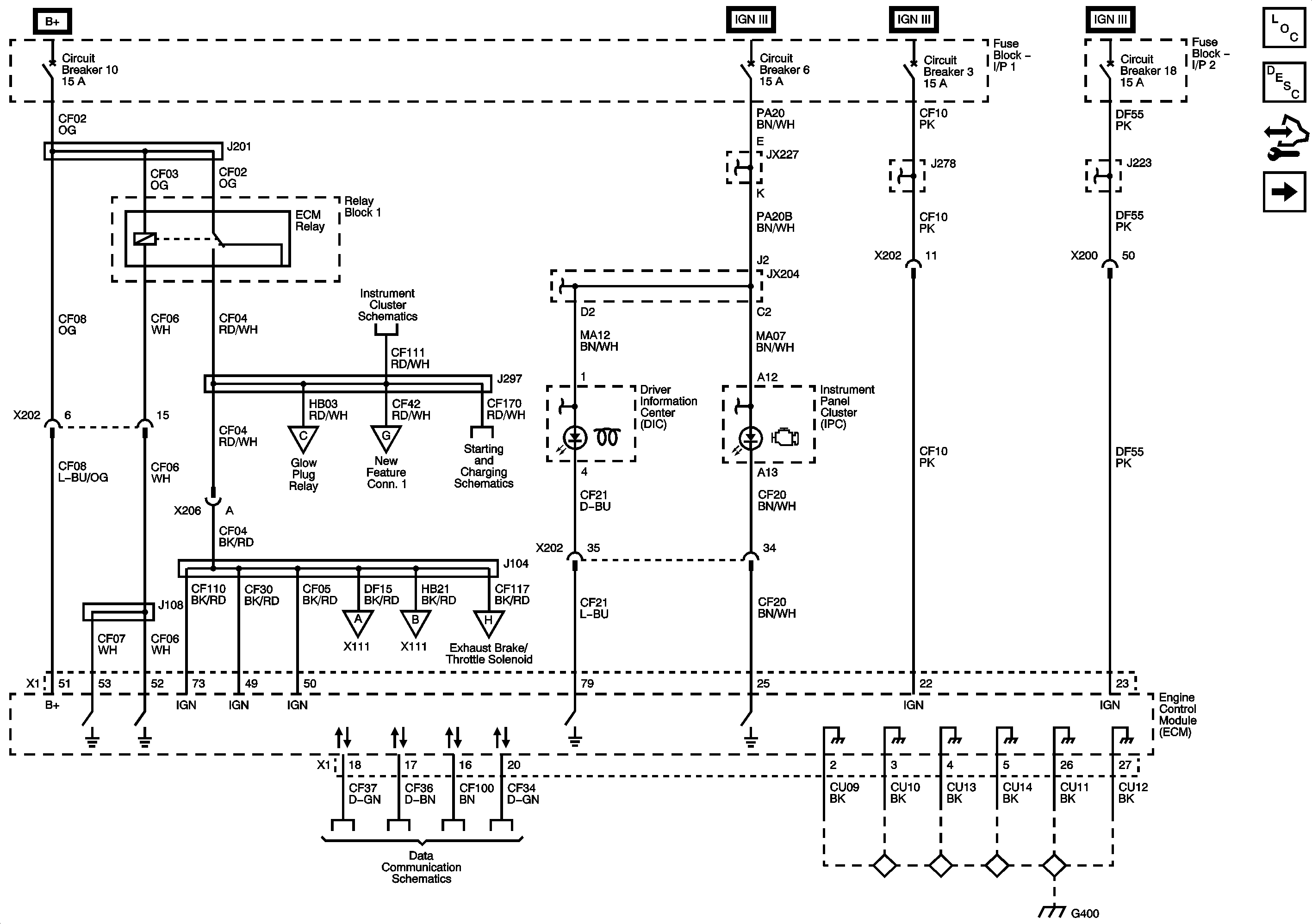
🢒 Module Power, Ground, Serial Data, and MIL
Module Power, Ground, Serial Data, and MIL
Module Power, Ground, Serial Data, and MIL
Master Electrical Component List
Control Module References
Engine Data Sensors 5 Volt and Low References
Fuse Block 1: Fuse 5 and Fuse Block I/P 1: Circuit Breakers 5, 9 - 1 of 2, and 10
Engine Data Sensors - EGR Valve and Glow Plug Controls
DPF Sensor, Exhaust Temperature Sensors, Exhaust Brake/Throttle Solenoid
Starting
Power, Ground, and Serial Data
Engine Data Sensors Pressure, Temperature and Turbocharger Controls
Engine Data Sensors - EGR Valve and Glow Plug Controls
DPF Sensor, Exhaust Temperature Sensors, Exhaust Brake/Throttle Solenoid
Splice Packs and Modules 1 of 3
Controller Area Network (CAN) Connector and Data Link Connector (DLC)
Driver Information Center (DIC)
Power, Ground, and Serial Data
Fuse Block I/P 1: Circuit Breaker 6
Fuse Block I/P 1: Circuit Breaker 6
Fuse Block I/P 1: Circuit Breaker 6
Fuse Block I/P 1: Circuit Breakers 2 and 3
Fuse Block I/P 1: Circuit Breakers 2 and 3
Fuse Block 1: Fuses 6 and 7, Fuse Block 2: Fuse 8, and Fuse Block I/P 2: Circuit Breakers 17, 18, 20, 21, 22, and 24
Fuse Block 1: Fuses 6 and 7, Fuse Block 2: Fuse 8, and Fuse Block I/P 2: Circuit Breakers 17, 18, 20, 21, 22, and 24
G402 and G400 - 8 of 8