GM Service Manual Online
For 1990-2009 cars only
Makes
🢒
Isuzu
🢒
2008
🢒
Isuzu MD F-Series
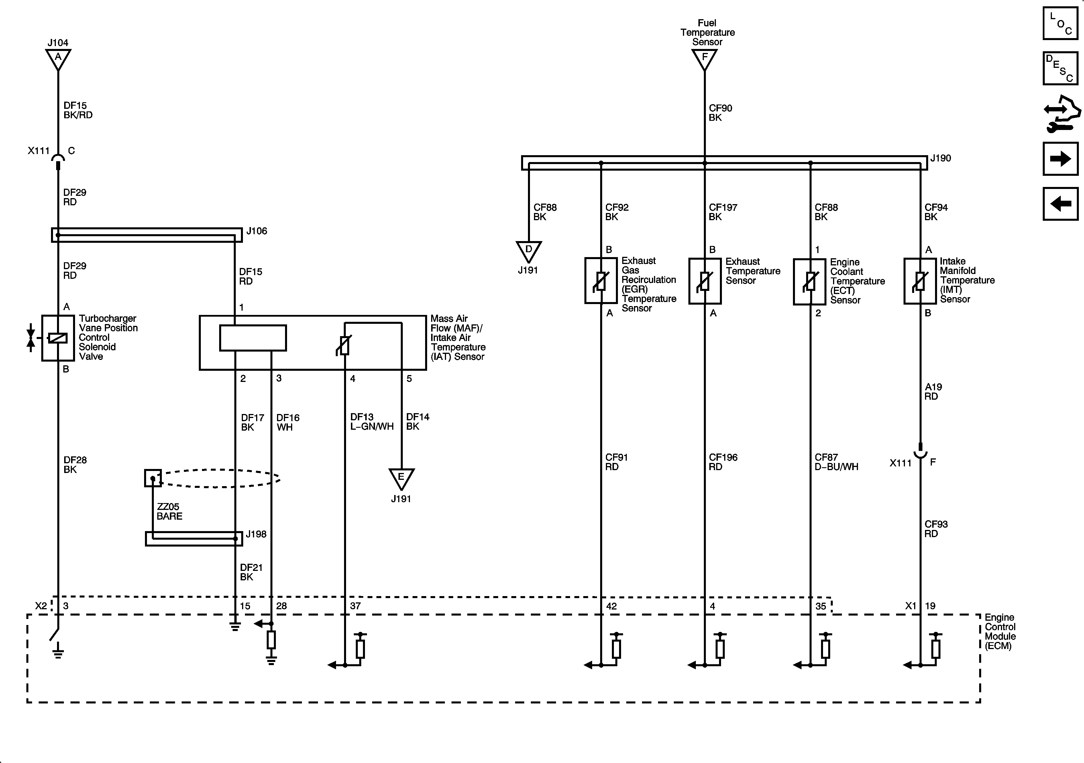
🢒 Engine Data Sensors Pressure, Temperature and Turbocharger Controls
Engine Data Sensors Pressure, Temperature and Turbocharger Controls
Engine Data Sensors - Pressure, Temperature, and Turbocharger Controls
Master Electrical Component List
Control Module References
Engine Data Sensors Pedal Position, High Idle Switch
Engine Data Sensors Pressure, Turbocharger Controls, and Intake Throttle
Module Power, Ground, Serial Data, and MIL
Engine Data Sensors - EGR Valve and Glow Plug Controls
Engine Data Sensors - EGR Valve and Glow Plug Controls
Fuel Controls - Sunction Control Valve, Water In Fuel/Fuel Temperature Sensors