GM Service Manual Online
For 1990-2009 cars only
Makes
🢒
Isuzu
🢒
2008
🢒
Isuzu MD F-Series
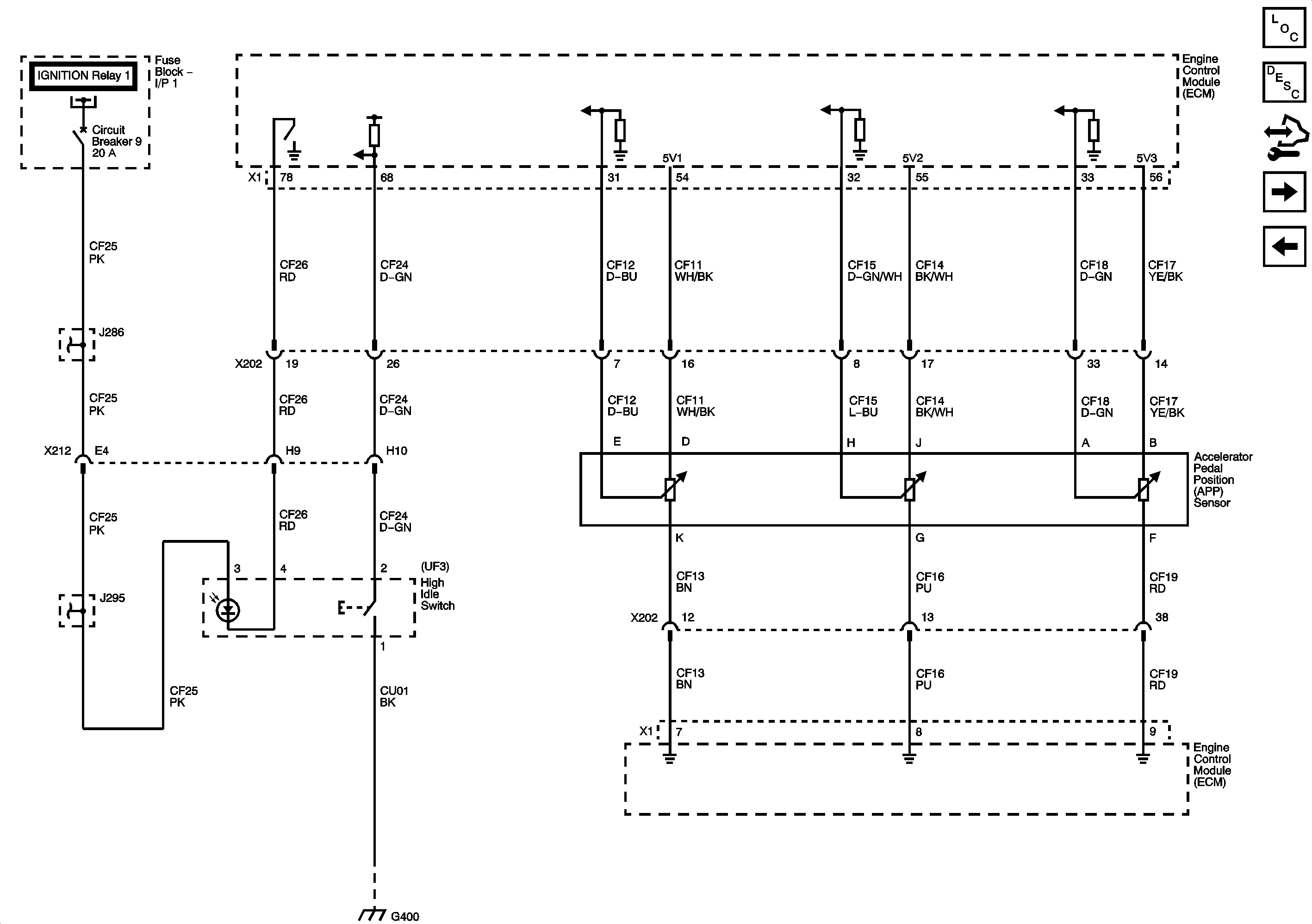
🢒 Engine Data Sensors Pedal Position, High Idle Switch
Engine Data Sensors Pedal Position, High Idle Switch
Engine Data Sensors - Pedal Position, High Idle Switch
Master Electrical Component List
Engine Control Component Description
Control Module References
Engine Data Sensors VSS and Injection Timing Controls
Engine Data Sensors Pressure, Temperature and Turbocharger Controls
Fuse Block 1: Fuse 5 and Fuse Block I/P 1: Circuit Breakers 5, 9 - 1 of 2, and 10
Fuse Block 1: Fuse 5 and Fuse Block I/P 1: Circuit Breakers 5, 9 - 1 of 2, and 10
Fuse Block 1: Fuse 5 and Fuse Block I/P 1: Circuit Breakers 5, 9 - 1 of 2, and 10
G400 - 3 of 8