GM Service Manual Online
For 1990-2009 cars only
Makes
🢒
Isuzu
🢒
2008
🢒
Isuzu MD F-Series
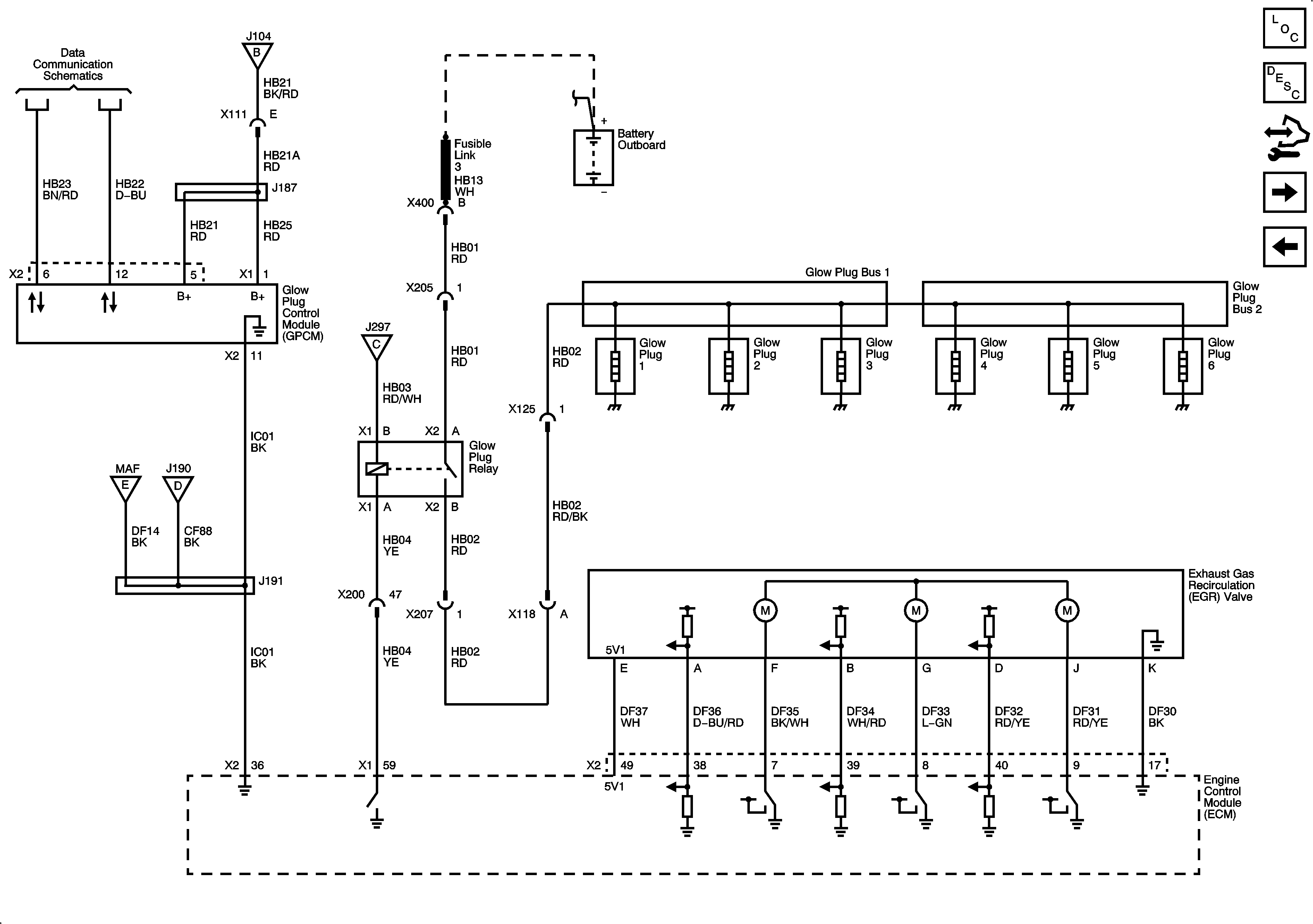
🢒 Engine Data Sensors - EGR Valve and Glow Plug Controls
Engine Data Sensors - EGR Valve and Glow Plug Controls
Engine Data Sensors - EGR Valve and Glow Plug Controls
Master Electrical Component List
Glow Plug System Description
Control Module References
Fuel Controls - Sunction Control Valve, Water In Fuel/Fuel Temperature Sensors
Engine Data Sensors VSS and Injection Timing Controls
Splice Packs and Modules 1 of 3
Module Power, Ground, Serial Data, and MIL
Engine Data Sensors Pressure, Temperature and Turbocharger Controls
Module Power, Ground, Serial Data, and MIL
Battery Supply and B+ Bus