GM Service Manual Online
For 1990-2009 cars only
Makes
🢒
Isuzu
🢒
2008
🢒
Isuzu MD F-Series
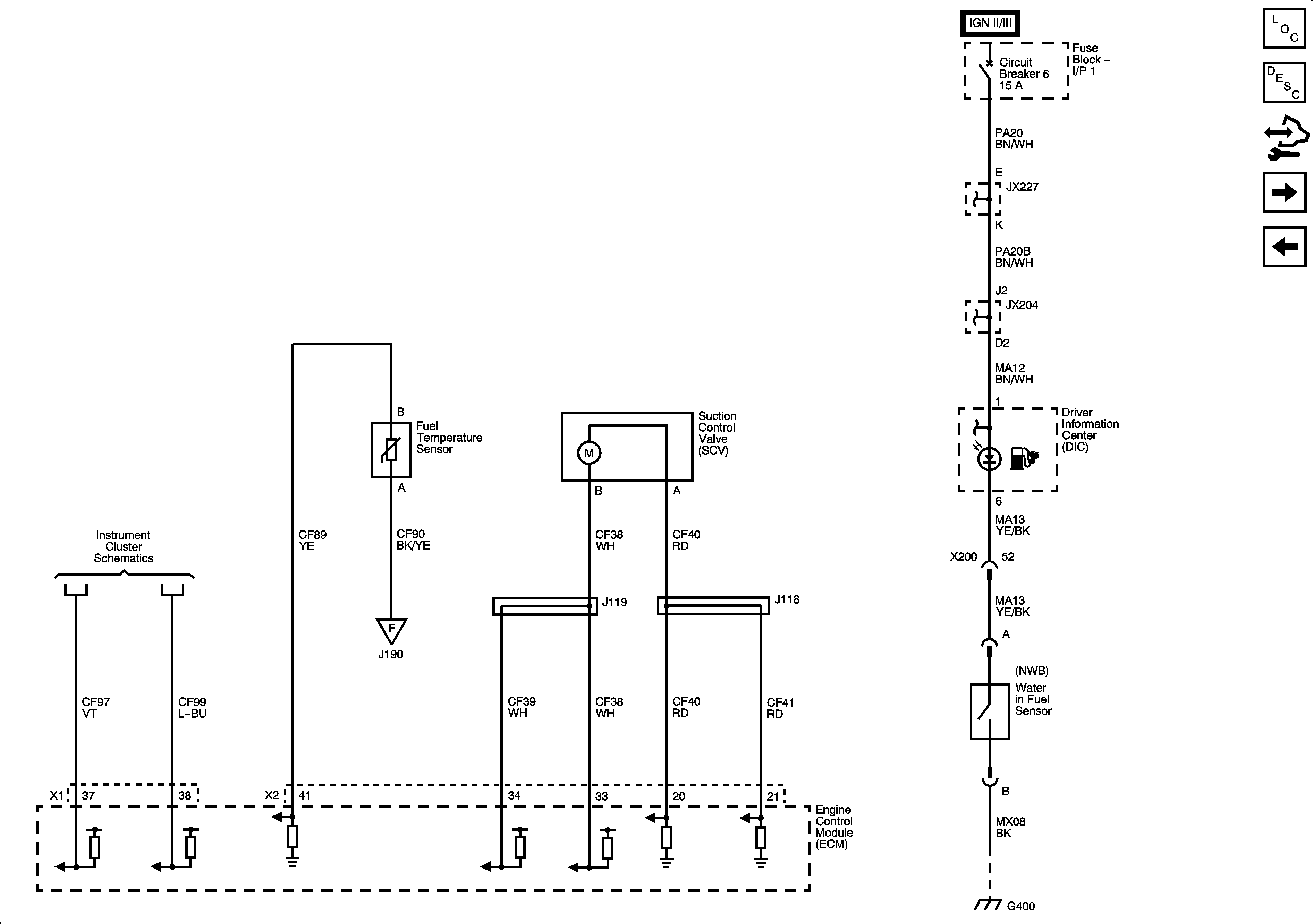
🢒 Fuel Controls - Sunction Control Valve, Water In Fuel/Fuel Temperature Sensors
Fuel Controls - Sunction Control Valve, Water In Fuel/Fuel Temperature Sensors
Fuel Controls - Suction Control Valve, Water-In-Fuel/Fuel Temperature Sensors
Master Electrical Component List
Fuel System Description
Control Module References
DPF Sensor, Exhaust Temperature Sensors, Exhaust Brake/Throttle Solenoid
Engine Data Sensors - EGR Valve and Glow Plug Controls
Gages
Engine Data Sensors Pressure, Temperature and Turbocharger Controls
Fuse Block I/P 1: Circuit Breaker 6
Fuse Block I/P 1: Circuit Breaker 6
Fuse Block I/P 1: Circuit Breaker 6
Driver Information Center (DIC)
G100, G101, G102, G107, G114, G208, G209, G210, G214, G501, G502, G601, G602 and G400 - 1 of 8,