GM Service Manual Online
For 1990-2009 cars only
Makes
🢒
Isuzu
🢒
2008
🢒
Isuzu MD F-Series
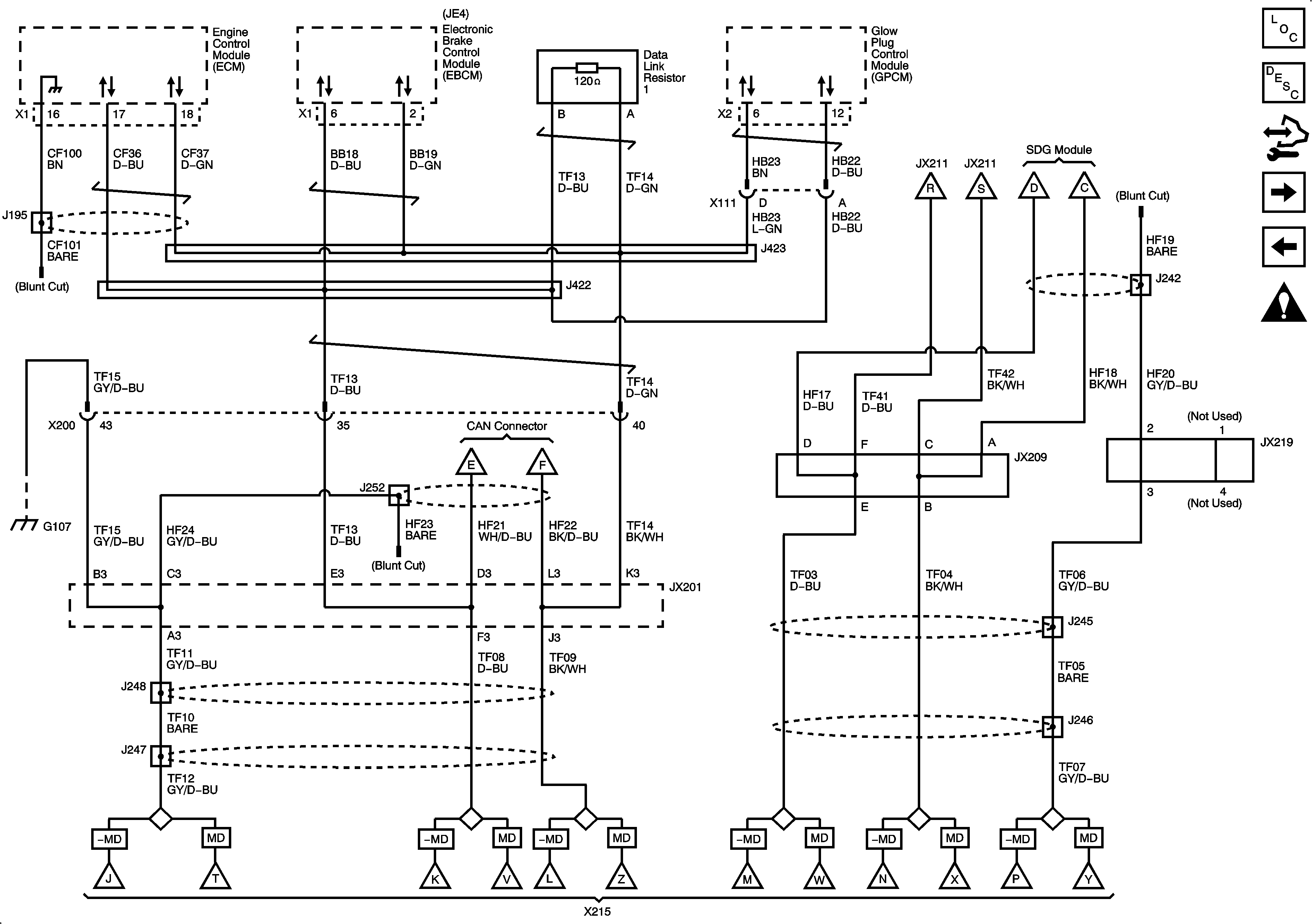
🢒 Splice Packs and Modules 1 of 3
Splice Packs and Modules 1 of 3
Splice Packs and Modules - 1 of 3
Master Electrical Component List
Data Link Communications Description and Operation
Control Module References
Splice Packs and Module 2 of 3
Controller Area Network (CAN) Connector and Data Link Connector (DLC)
Master Electrical Schematic Icons
G100, G101, G102, G107, G114, G208, G209, G210, G214, G501, G502, G601, G602 and G400 - 1 of 8,
Splice Packs and Module 2 of 3
Splice Packs and Module 3 of 3
Splice Packs and Module 2 of 3
Splice Packs and Module 3 of 3
Splice Packs and Module 2 of 3
Splice Packs and Module 3 of 3
Splice Packs and Module 2 of 3
Splice Packs and Module 3 of 3
Splice Packs and Module 2 of 3
Splice Packs and Module 3 of 3
Splice Packs and Module 2 of 3
Splice Packs and Module 3 of 3
Controller Area Network (CAN) Connector and Data Link Connector (DLC)
Splice Packs and Module 2 of 3
Controller Area Network (CAN) Connector and Data Link Connector (DLC)