GM Service Manual Online
For 1990-2009 cars only
Makes
🢒
Isuzu
🢒
2008
🢒
Isuzu MD F-Series
🢒 Splice Packs and Module 3 of 3
Splice Packs and Module 3 of 3
Splice Packs and Modules - 3 of 3
Master Electrical Component List
Data Link Communications Description and Operation
Control Module References
Splice Packs and Module 2 of 3
Master Electrical Schematic Icons
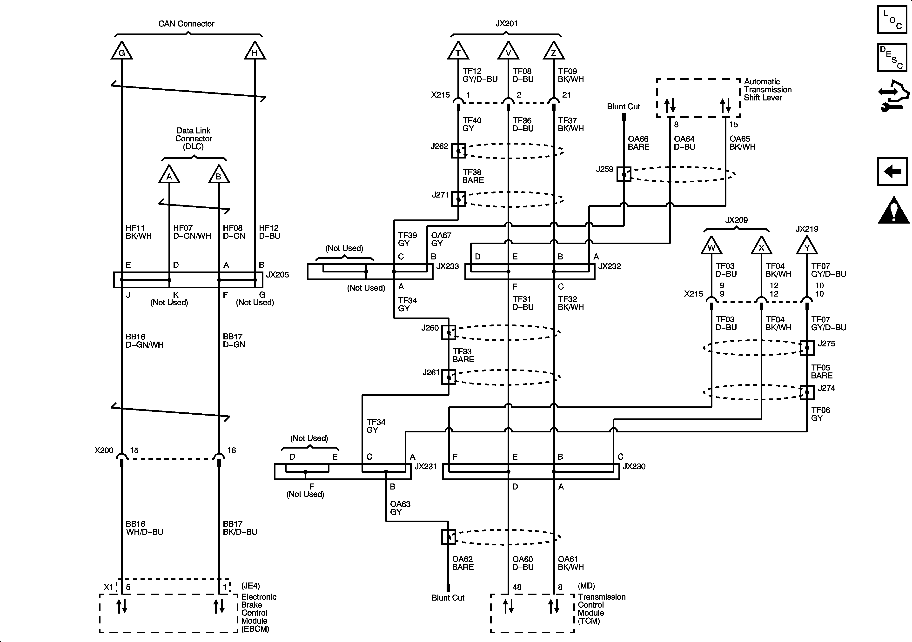
Controller Area Network (CAN) Connector and Data Link Connector (DLC)
Controller Area Network (CAN) Connector and Data Link Connector (DLC)
Controller Area Network (CAN) Connector and Data Link Connector (DLC)
Splice Packs and Modules 1 of 3
Splice Packs and Modules 1 of 3